电脑桌面
添加小米粒文库到电脑桌面
安装后可以在桌面快捷访问

...化学反应速率与化学平衡 培优易错试卷练习(含答案)附详细答案_...VIP免费

...化学反应速率与化学平衡 培优易错试卷练习(含答案)附详细答案_..._第1页
1/14
...化学反应速率与化学平衡 培优易错试卷练习(含答案)附详细答案_..._第2页
2/14
...化学反应速率与化学平衡 培优易错试卷练习(含答案)附详细答案_..._第3页
3/14
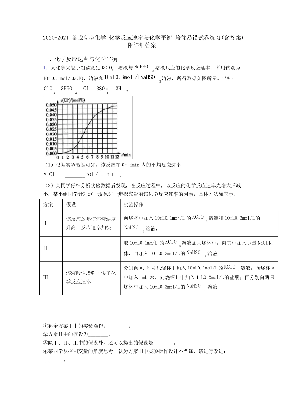
2020-2021备战高考化学化学反应速率与化学平衡培优易错试卷练习(含答案)附详细答案一、化学反应速率与化学平衡1.某化学兴趣小组欲测定KClO3,溶液与3NaHSO溶液反应的化学反应速率.所用试剂为10mL0.1mol/LKClO3,溶液和310mL0.3mol/LNaHSO溶液,所得数据如图所示。已知:2334ClO3HSOCl3SO3H。(1)根据实验数据可知,该反应在0~4min内的平均反应速率Clv________mol/Lmin。(2)某同学仔细分析实验数据后发现,在反应过程中,该反应的化学反应速率先增大后减小.某小组同学针对这一现象进一步探究影响该化学反应速率的因素,具体方法如表示。方案假设实验操作Ⅰ该反应放热使溶液温度升高,反应速率加快向烧杯中加入10mL0.1mo//L的3KClO溶液和10mL0.3mol/L的3NaHSO溶液,Ⅱ取10mL0.1mo/L的3KClO溶液加入烧杯中,向其中加入少量NaCl固体,再加入10mL0.3mol/L的3NaHSO溶液Ⅲ溶液酸性增强加快了化学反应速率分别向a、b两只烧杯中加入10mL0.1mol/L的3KClO溶液;向烧杯a中加入1mL水,向烧杯b中加入1mL0.2mol/L的盐酸;再分别向两只烧杯中加入10mL0.3mol/L的3NaHSO溶液①补全方案Ⅰ中的实验操作:________。②方案Ⅱ中的假设为________。③除Ⅰ、Ⅱ、Ⅲ中的假设外,还可以提出的假设是________。④某同学从控制变量的角度思考,认为方案Ⅲ中实验操作设计不严谨,请进行改进:________。⑤反应后期,化学反应速率变慢的原因是________。【答案】0.0025插入温度计生成的Cl加快了化学反应速率生成的24SO加快了化学反应速率将1mL水改为1mL0.2mol/L的NaCl溶液反应物浓度降低【解析】【分析】【详解】(1)根据实验数据可知,该反应在0~4min内生成氯离子的浓度是0.010mol/L,所以平均反应速率Cl0.010mol/L4min0.0025mol/Lminc;(2)①由于是假设该反应放热,使溶液温度升高,反应速率加快,因此需要测量反应过程中溶液温度的变化;②方案I、Ⅱ相比较,Ⅱ中加入了少量氯化钠,所以方案Ⅱ中的假设为生成的Cl加快了化学反应速率;③由于反应中还有硫酸根离子生成,则除I、Ⅱ、Ⅲ中的假设外,还可以提出的假设是生成的硫酸根离子加快了化学反应速率;④为防止氯离子对实验的干扰,则改进措施是将1mL水改为1mL0.2mol/L的NaCl溶液;⑤反应后期反应物浓度减小,因此化学反应速率变慢。【点睛】对于多因素(多变量)的问题,常常采用控制因素(变量)的方法,把多因素的问题变成多个单因素的问题。每一次只改变其中的某一个因素,而控制其余几个因素不变,从而研究被改变的这个因素对事物的影响,分别加以研究,最后再综合解决,这种方法叫控制变量法。它是科学探究中的重要思想方法,广泛地运用在各种科学探索和科学实验研究之中。2.某兴趣小组在实验室进行如下实验探究活动。(1)设计如下实验研究2Fe3++2I-ƒ2Fe2++I2的反应。①振荡静置后C中观察到的现象是_______________________;为证明该反应存在一定限度,还应补做实验为:取C中分液后的上层溶液,然后______________(写出实验操作和现象)。②测定上述KI溶液的浓度,进行以下操作:I用移液管移取20.00mLKI溶液至锥形瓶中,加入适量稀硫酸酸化,再加入足量H2O2溶液,充分反应。II小心加热除去过量的H2O2。III用淀粉做指示剂,用cmol/LNa2S2O3标准溶液滴定,反应原理为:2Na2S2O3+I2=2NaI+Na2S4O6。步骤II是否可省略?____________(答“可以”或“不可以”)步骤III达到滴定终点的现象是___________________________。巳知I2浓度很高时,会与淀粉形成稳定的包合物不易解离,为避免引起实验误差,加指示剂的最佳时机是________。(2)探究Mn2+对KMnO4酸性溶液与H2C2O4溶液反应速率的影响。反应原理(化学方程式)为________;仪器及药品:试管(两支)、0.01mol/LKMnO4酸性溶液、0.1mol/LH2C2O4溶液、一粒黄豆大的MnSO4固体;实验方案:请仿照教材(或同教材)设计一个实验用表格,在行标题或列标题中注明试剂及观察或记录要点。______________【答案】溶液分层,上层水层为黄绿色,下层四氯化碳层为紫色滴加KSCN溶液,溶液变红不能;;当滴入最后一滴Na2S2O3标准溶液时,蓝色褪去且半分...

1、当您付费下载文档后,您只拥有了使用权限,并不意味着购买了版权,文档只能用于自身使用,不得用于其他商业用途(如 [转卖]进行直接盈利或[编辑后售卖]进行间接盈利)。
2、本站所有内容均由合作方或网友上传,本站不对文档的完整性、权威性及其观点立场正确性做任何保证或承诺!文档内容仅供研究参考,付费前请自行鉴别。
3、如文档内容存在违规,或者侵犯商业秘密、侵犯著作权等,请点击“违规举报”。

碎片内容

...化学反应速率与化学平衡 培优易错试卷练习(含答案)附详细答案_...

您可能关注的文档

确认删除?
VIP
微信客服
  • 扫码咨询
会员Q群
  • 会员专属群点击这里加入QQ群
客服邮箱
回到顶部