电脑桌面
添加小米粒文库到电脑桌面
安装后可以在桌面快捷访问

电工电子试卷及答案VIP免费

电工电子试卷及答案_第1页
1/8
电工电子试卷及答案_第2页
2/8
电工电子试卷及答案_第3页
3/8
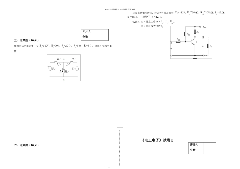
…word专业资料-可复制编辑-欢迎下载……………《电工电子》试卷A………题号一二三四五六总分………得分………………一、填空(每空1分,共30分)评分人………1、有一额定电压及功率为220V60W的灯泡,接在220V的电源上,则分数……通过电灯的电流,电灯在220V电压下工作时的电阻是。装2、正弦交流电的三要素分别是,,。……3、已知uUmsinwt,Um310V,f=50Hz,则电压有效值是,当T=0.1S时,电压的……瞬时值是。……4、如下图所示:输入端A有电位VA=+8V,输入端B的电位VB=0V,则此时输出端Y的电位订…VY是,电阻R接负电源为(-12)V。当DA导通后,DB上加的是(正向或者反向)…电压,DB是(导通或者截止)状态。(注:二极管是硅材料,正向压降是0.6V。)…………线…………………5、在本征半导体中掺入元素可得P型半导体,其多数载流子是。………6、在PN结上加正向电压时,PN结,加反向电压时,PN结。这种现象称为PN……结的性。……7、已知正弦交流电压u3802sin(314t60)V,则它的最大值是V,有效值是………V。……8、放大电路应遵循的基本原则是:正偏,反偏。……9、差动放大电路有,,,四种输入输出方式。…10、在正逻辑的约定下,“1”表示电平,“0”表示电平。11、在实际生产和生活中,工厂的一般动力电源电压标准为;生活照明用电的标准一般为;伏以下的电压成为安全电压。12、在时间和数值上均连续变化的电信号称为信号,在时间和数值上离散的信号称为信号。评分人二、判断题(每题1分,共10分)分数()1、相量法只能适用于单一频率的正弦交流电路。()2、半导体的导电能力比导体的导电能力强。()3、不论N型半导体还是P型半导体,整个晶体不带电。()4、可以把1.5V和6V的两个电池串联后作为7.5的电源使用。()5、为保证中性线的可靠性,不能安装保险丝盒开关。()6、当三极管的集电极电流大于它的最大允许电流时,该管被击穿。()7、放大电路中所有电容器,起的作用均为通交隔直。()8、差动放大电路能够有效地抑制零漂,因此具有很低的共模抑制比。()9、集成运算放大器不但能处理交流信号,还能处理直流信号。()10、三相负载做Y型连接时,无论负载对称与否,线电流总不等于相电流。三、单项选择题(每题2分,共30分)请把每小题的题答评分人案填入下列表格中)分数题号123456789101112131415答案1、()元件具有储存磁场能量的性质。A、电阻;B、电感;C、电容。2、若电路的开路电压U=12V,其短路电流I=30A则该电源的内阻是()A、0.4Ω;B、0.6Ω;C、0.8Ω。3、三相四线制中,中线的作用是()A、保证三相负载的对称;B、保证三相功率的对称;C、保证三相电压的对称。word专业资料-可复制编辑-欢迎下载C=+9V位为6V的管脚是()。R1BR24、已知R1=100Ω,R2=50Ω。计算图中所示电路中B点的电位。()A=+6VA、6V;B、7V;C、8V。5、有“220V、100W”,“220V、25W”白炽灯两盏,串联后接入220V的交流电源,其亮度情况是()。A、100W灯泡最亮;B、25W灯泡最亮;C、两只灯泡一样亮。6、实验室的功率表,是用来测量电路中的()。A、有功功率;B、无功功率;C、视在功率。7、正弦交流电流流过二极管整流以后的波形图是()。A、矩形波形;B、等腰三角形;C、正弦半波。8、若使三极管具有电流放大能力,必须满足的外部条件是()。A、发射结正偏,集电接正偏;B、发射结反偏,集电结反偏;C、发射结正偏,集电接反偏。9、功率放大器易出现的失真现象是()。A、饱和失真;B、截止失真;C、交越失真。10、集成运算放大器一般工作在两个区。它们分别是()。A、正反馈与负反馈;B、线性与非线性;C、虚地与短地。11、各种电压比较器的输出状态只有()。A、一种;B、两种;C、三种。12、、对于放大电路中的三极管,测得它的三个管脚的电位分别是6.6V、9V、6V,则管脚电A、集电极B、发射级C、基极13、预防雷电,在雷雨天不要站在()。A、高楼上;B、高楼内C、高楼下14、电路如右图所示,已知u10sin1000tV,R3,L4mH,电流等于()A、2sin(1000t53.1)AB、2sin(1000t53.1)AC、22sin(1000t53.1)A15、十进制数100对应的二进制数是()。A...

1、当您付费下载文档后,您只拥有了使用权限,并不意味着购买了版权,文档只能用于自身使用,不得用于其他商业用途(如 [转卖]进行直接盈利或[编辑后售卖]进行间接盈利)。
2、本站所有内容均由合作方或网友上传,本站不对文档的完整性、权威性及其观点立场正确性做任何保证或承诺!文档内容仅供研究参考,付费前请自行鉴别。
3、如文档内容存在违规,或者侵犯商业秘密、侵犯著作权等,请点击“违规举报”。

碎片内容

电工电子试卷及答案

确认删除?
VIP
微信客服
  • 扫码咨询
会员Q群
  • 会员专属群点击这里加入QQ群
客服邮箱
回到顶部