电脑桌面
添加小米粒文库到电脑桌面
安装后可以在桌面快捷访问

建筑业企业资质申请表(DOC 28页)VIP免费

建筑业企业资质申请表(DOC 28页)_第1页
1/27
建筑业企业资质申请表(DOC 28页)_第2页
2/27
建筑业企业资质申请表(DOC 28页)_第3页
3/27
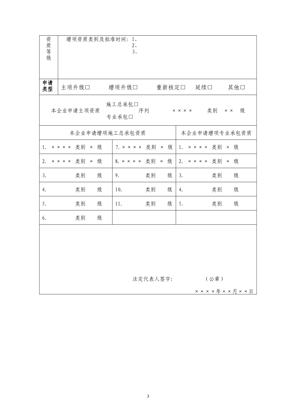
附件1:建筑业企业资质申请表企申报企业:××××××××××(公章)填填报日期:××××年××月××日1填表须知一、本表适用于建筑业企业申请资质及核定、换证、增项、升级和资质延续。二、本表要求用计算机打印,不得涂改。三、本表第一至第十三部分由企业填写。企业应如实逐项填写,不得有空项。四、本表数字均使用阿拉伯数字;除万元、%保留一位小数外,其余均为整数。五、本表中带□的位置,用√选择填写。六、本表在填写时如需加页,一律使用A4(210×297)型纸。七、本表须附有关附件材料。附件材料按“企业法人营业执照、现有资质证书正副本、企业章程,法定代表人技术负责人、财务负责人、经营负责人资料,财务及统计资料;代表性工程的合同及质量验收、安全评估资料;项目经理(或注册建造师)资料;工程技术和经济管理人员资料及其它资料”的顺序分册装订。企业申请资质类别和等级现有资质证书号:主项资质类别及批准时间:2资质等级增项资质类别及批准时间:1、2、3、申请类型主项升级□增项升级□重新核定□延续□其他□施工总承包□本企业申请主项资质序列××××类别××级专业承包□本企业申请增项施工总承包资质本企业申请增项专业承包资质1.××××类别×级7.××××类别×级1.××××类别×级2.××××类别×级8.××××类别×级2.××××类别×级3.类别级9.类别级3.类别级4.类别级10.类别级4.类别级5.类别级11.类别级5.类别级6.类别级法定代表人签字:(公章)××××年××月××日3资质类别:注:1、单位的印章应为本单位公章或行政许可专用章,单位内设机构印章无效;2、本表综合指标和诚信记录涉及的纸质申报材料,经初审部门审查后,不再报建设部,由初审部门在有效期内保存;人员和业绩指标涉及的纸质申报材料初审后上报建设部审查;3、有关专业部门自接到建设部资质材料至初审完毕并送达建设部时间为20日,逾期建设部将自行组织审查。初审部门审查意见(特级企业除外)指标类别序号考核指标审查标准审查认定值达标情况综合指标1注册资本金2净资产3近三年最高年工程结算收入4机械设备5质量检测设备6其他申请条件(是否越级申请等)人员指标7企业经理总工程师总会计师总经济师8项目经理人数(注册建造师)一级二级三级9有职称的工程技术和经济管理人员高级职称的工程技术人员中级职称的工程技术人员业绩指标10代表工程业绩代表工程1代表工程2代表工程3代表工程4代表工程5诚信记录11串通招标、行贿、无施工许可证开工、转包或违法分包12发生质量事故、瞒报质量事故、违反技术规程或未履行保修义务13发生安全事故、瞒报安全事故、违反安全生产规程、无证上岗14涂改、伪造资质证书行为15其他违反法律、法规行为复印件与原件核对一致□是□否核对人签字(此栏内应填写明确意见)负责人签字:单位盖章:年月日4资质类别:初审部门审查意见(总承包特级企业)指标类别序号考核指标审查标准审查认定值达标情况综合指标1注册资本金2上缴营业税3统计报表、财务报表及验资报告等4银行近三年授信额度5厂房(场地)6其他申请条件(是否越级申请等)人员指标7企业经理技术负责人财务负责人8一级项目经理人数(一级注册建造师)9本类别相关行业工程设计甲级资质标准要求的专业技术人员科技进步水平10企业技术中心11企业近三年科技活动经费12国家级工法发明专利13获得过国家级科技进步奖项或主编过工程建设国家或行业标准14管理信息平台业绩指标15代表工程业绩代表工程1代表工程2诚信记录16串通招标、行贿、无施工许可证开工、转包或违法分包17发生质量事故、瞒报质量事故、违反技术规程或未履行保修义务18发生安全事故、瞒报安全事故、违反安全生产规程、无证上岗19涂改、伪造资质证书行为20其他违反法律、法规行为复印件与原件核对一致□是□否核对人签字(此栏内应填写明确意见)负责人签字:单位盖章:年月日注:1、单位的印章应为本单位公章或经单位公章授权的具有同等法律效力的行政许可专用章,单位内设机构印章无效;2、本表综合指标和诚信记录涉及的纸质申报材料,经初审部门审查后,不再报建设部,由初审部门在有效期内保管;人员和业绩指标涉及的纸质...

1、当您付费下载文档后,您只拥有了使用权限,并不意味着购买了版权,文档只能用于自身使用,不得用于其他商业用途(如 [转卖]进行直接盈利或[编辑后售卖]进行间接盈利)。
2、本站所有内容均由合作方或网友上传,本站不对文档的完整性、权威性及其观点立场正确性做任何保证或承诺!文档内容仅供研究参考,付费前请自行鉴别。
3、如文档内容存在违规,或者侵犯商业秘密、侵犯著作权等,请点击“违规举报”。

碎片内容

建筑业企业资质申请表(DOC 28页)

确认删除?
VIP
微信客服
  • 扫码咨询
会员Q群
  • 会员专属群点击这里加入QQ群
客服邮箱
回到顶部