电脑桌面
添加小米粒文库到电脑桌面
安装后可以在桌面快捷访问

亲水平台方案VIP免费

亲水平台方案_第1页
1/15
亲水平台方案_第2页
2/15
亲水平台方案_第3页
3/15
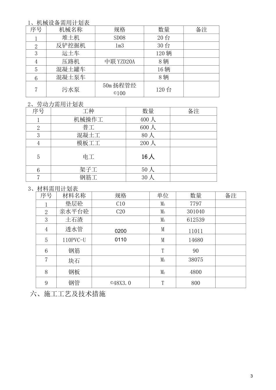
1怀化市舞水河环境综合治理工程西岸亲水平台工程施工方案一、工程概况建设单位:设计单位:监理单位:施工单位:*******河环境综合治理工程西岸亲水平台工程位于沅水一级支流舞水河下游,本工程所在地为怀化市区舞水河西岸,全长11.011km计划分八段进行同时施工即:第一段K0+000―-K1+400;第二段K1+400―-K2+900;第三段K2+900―-K4+000第四段K4+000―-K5+600第五段K5+600―-K6+900;第六段K6+900―-K8+000第七段K8+000―-K9+700;第八段K9+700―-K11+011,为了确保工程高效、优质、安全顺利的完成,特编制本施工方案。二、编制依据及设计要求1.编制依据:设计图纸,施工合同及现场施工条件。2.设计要求:1)亲水平台每隔10〜15m设一伸缩缝,缝宽20mm,聚乙烯泡沫板嵌缝;2)基础摩擦系数不小于0.45,如遇地基变化设计另行调整3)设计图中开挖坡比为暂定值,应根据实际开挖地质情况进行调整,并做好边坡保护,防止滑坡等意外发生;三、工程地质条件根据勘察报告,本工程地貌类型为侵蚀构造地貌,分布地层主要有第四系人工堆积物及冲积物、残积物,下伏基岩为冷家溪群粉砂质板岩。自上至下为:a、杂填土:褐黄、灰黄、灰黑等杂色,主要由粘性土组成,含少量建筑垃圾、碎石块及砂砾,稍湿,分布不均匀,结构松散。层厚为0.5-9.7m,在沿线大部分地段均有分布,厚度差别较大。b、粉土:褐灰色、褐黄色,粘粒含量为10-20%,稍湿,稍密-中密,干强度中等偏低,韧性较低。层厚为0.9-9.4m,在沿线大部分地段均有分布,厚度差别较大。2C、新近沉积粉质粘土:褐黄色、褐红色,局部可见植物根系,粘粒含量为10-20%,稍湿一湿,干强度中等偏低,韧性较低。层厚为1.4-12.1m,在沿线大部分地段均有分布,厚度差别较大。d、冲积淤泥质粉质粘土:灰黄色、灰黑色,湿一饱和,软塑一可塑状态,强度中等偏低,韧性较低。层厚为0.8-12.2m,在沿线大部分地段均有分布,厚度差别较大。e、冲积圆砾:粒径一般为为0.5-20.0m,最大粒径为55mm。层厚为0.3-7.0m,在沿线分布广泛,厚度差别较大。f、残积粉质粘土:褐黄色、褐灰色,系板岩风化残积而成,稍湿,干强度较高,韧性中等。层厚为0.5-3.6m,在工程区局部分布。g、全风化板岩:褐黄色、青灰色,遇水易软化,岩体极破碎,属极软岩。层厚为0.3-4.4m,在沿线大部分地段均有分布,厚度差别较大。h、全风化板岩:褐黄色、青灰色,遇水软化,岩体破碎,属极软岩。为工程区内下伏稳定基岩,层厚为1.1-5.3m,层位稳定。i、中风化板岩:褐黄色、青灰色,泡水易软化,岩体较破碎,属极软岩。为工程区内下伏稳定基岩,层厚为4.6T1.8m,层位稳定。j、微风化板岩:褐黄色、青灰色,泡水软化,岩体较完整,属软岩。为工程区内下伏稳定基岩,层厚为2.2-10.3m,层位稳定。四、水文气象舞水河流域地处亚热带,属中亚热带季风湿润气候,流域内雨量充沛,气候温和,无霜期长。根据怀化市气象站提供的气象观测资料统计:1958年〜2009年实测资料统计分析,多年平均降雨量为1384.8mm;最大一日降雨发生在1996年7月16日,为180m;最大三日降雨发生于1995年7月2日〜7月5日,降雨量为208m。多年平均气温16.4°C,极端最高气温39.6°C(1971年7月),极端最低气温-10.7°C(1977年1月30日)。多年平均相对湿度81%,最小相对湿度14%(1966年9月24日)。多年平均风速1.9m/s,历年最大风速20.7m/s,风向为WE。舞水河常年水位为212.0m,根据业主要求,为减轻施工难度,降低施工成本,将下游三角滩水电站泄水,水位降至204.5m。五、施工准备及工程量统计31、机械设备需用计划表序号机械名称规格数量备注1堆土机SD0820台2反铲挖掘机1m330台3运土车120辆4压路机中联YZD20A8辆5混凝土罐车16辆6混凝土泵车8辆7污水泵50m扬程管经©100120台2、劳动力需用计划表序号工种数量备注1机械操作工400人2普工600人3混凝土工80人4模板工工200人5电工16人6架子工50人7钢筋工30人3、材料需用计划表序号材料名称规格单位数量备注1垫层砼C10M377972亲水平台砼C20M33010403土石渣M36125394透水管0200M110115110PVC-U0110M146806钢筋T907块石M3380758钢板M248009钢管©48X3.0T800六、施工工艺及技术措施46.1施工准备施工...

1、当您付费下载文档后,您只拥有了使用权限,并不意味着购买了版权,文档只能用于自身使用,不得用于其他商业用途(如 [转卖]进行直接盈利或[编辑后售卖]进行间接盈利)。
2、本站所有内容均由合作方或网友上传,本站不对文档的完整性、权威性及其观点立场正确性做任何保证或承诺!文档内容仅供研究参考,付费前请自行鉴别。
3、如文档内容存在违规,或者侵犯商业秘密、侵犯著作权等,请点击“违规举报”。

碎片内容

亲水平台方案

wxg+ 关注
实名认证
内容提供者

该用户很懒,什么也没介绍

确认删除?
VIP
微信客服
  • 扫码咨询
会员Q群
  • 会员专属群点击这里加入QQ群
客服邮箱
回到顶部