电脑桌面
添加小米粒文库到电脑桌面
安装后可以在桌面快捷访问

(名师课堂)2013-2014学年高中化学 第二章第2节 化学能与电能教案1 新人教版必修2 VIP免费

(名师课堂)2013-2014学年高中化学 第二章第2节 化学能与电能教案1 新人教版必修2 _第1页
1/6
(名师课堂)2013-2014学年高中化学 第二章第2节 化学能与电能教案1 新人教版必修2 _第2页
2/6
(名师课堂)2013-2014学年高中化学 第二章第2节 化学能与电能教案1 新人教版必修2 _第3页
3/6
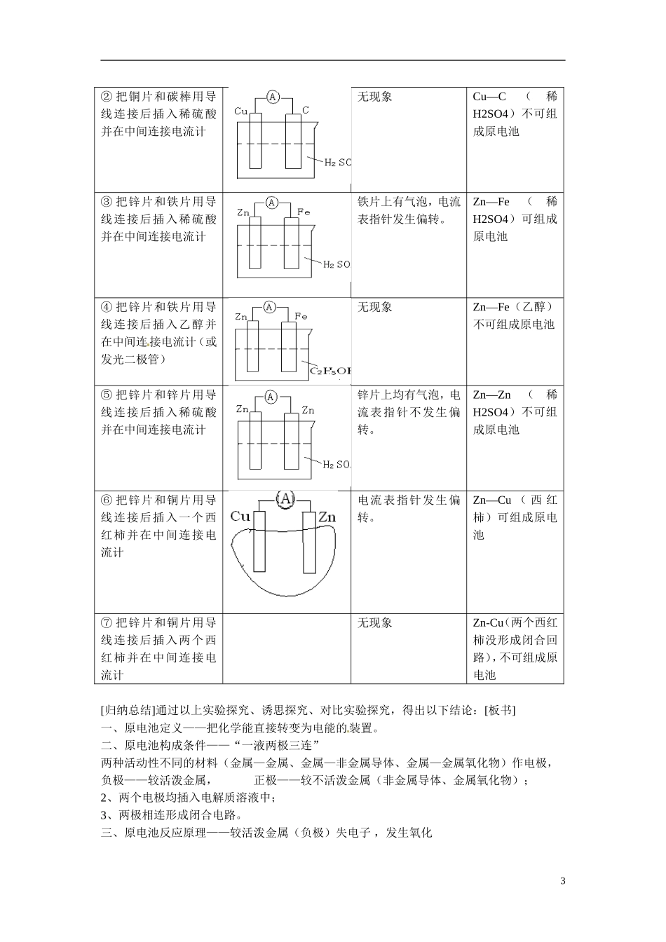
第二章化学反应与能量第二节化学能与电能【教学过程】【引入新课】能源的分类1、按取得方式:①一次能源----流水、风力、太阳能、煤、石油、天然气等;②二次能源:电力、蒸汽等。2、按能源结构:①常规能源----石油、煤、天然气、水力等;②新能源----太阳能、风能、海洋能、生物能等。[提出问题]物质发生化学反应时,常常伴随有发光、发热等能量的变化,这是化学能转化为光能、热能。那么,化学能是否可以转化为电能呢?如果能,又是怎样转化为电能的呢?[板书]§2-2化学能与电能(第1课时)一、火电(间接转变)1、我国目前发电总量构成:火电----81.2%水电----17.6%其他----1.2%(今后水电和其他发电量会逐步增加)2、火力发电原理:通过化石燃料燃烧,使化学能转变为热能,加热使水汽化为蒸汽以推动蒸汽轮机,然后带动发电机发电。3、火力发电流程:(学生回答)化学能--------→热能-------→机械能-------→电能4、火力发电缺点:①转换环节多;②发电效率低;③能源浪费多;④环境污染严重等。5、燃烧的氧化还原反应本质:(学生回答)氧化剂与还原剂之间发生电子转移,引起化学键重新组合,伴随有能量变化。[提出问题]能否将化学能直接转化为电能呢?二、原电池(直接转化)1、[实验探究]实验操作实验装置图实验现象结论①把锌片插入稀硫酸锌片上有气泡产生Zn+H2SO4=ZnSO4+H2↑②把铜片插入稀硫酸铜片无变化铜片与稀硫酸不反应③把锌片和铜片用导线连接后插入稀硫酸铜片上有气泡产生,锌片不断溶解----------1④把锌片和铜片用导线连接后插入稀硫酸并在锌片和铜片之间连接电流计(或发光二极管)铜片上有气泡产生,锌片不断溶解电流计指针发生偏转外电路中有电流通过⑤用干电池判断电流方向及正、负极-------电流方向是从铜片流向锌片(即电子从锌片流向铜片),铜片是正极,锌片是负极2、[诱思探究]根据以上实验④现象,提出以下问题,师生共同探讨。问题结论及解释(写化学方程式)铜片上为什么有气泡产生?氢离子从铜片获得电子,被还原成氢气锌片质量有无变化?锌被氧化成锌离子进入溶液,故质量减少溶液内氢离子浓度有无变化?氢离子浓度减小锌片和铜片各为什么电极,为什么?铜片是正极,锌片是负极两极各发生什么反应?负极(Zn):Zn―2e-=Zn2+(氧化反应)正极(Cu):2H++2e-=H2↑(还原反应)总的反应方程式及离子方程式怎么写?Zn+H2SO4=ZnSO4+H2↑Zn+2H+=Zn2++H2↑从能量变化的观点分析是什么装置?把化学能直接转变为电能的装置3、【对比实验探究】原电池构成条件的对比探究实验操作实验装置图实验现象结论①把锌片和碳棒用导线连接后插入稀硫酸并在中间连接电流计(或发光二极管)碳棒上有气泡,电流表指针发生偏转。Zn―C(稀H2SO4)可组成原电池2②把铜片和碳棒用导线连接后插入稀硫酸并在中间连接电流计无现象Cu―C(稀H2SO4)不可组成原电池③把锌片和铁片用导线连接后插入稀硫酸并在中间连接电流计铁片上有气泡,电流表指针发生偏转。Zn―Fe(稀H2SO4)可组成原电池④把锌片和铁片用导线连接后插入乙醇并在中间连接电流计(或发光二极管)无现象Zn―Fe(乙醇)不可组成原电池⑤把锌片和锌片用导线连接后插入稀硫酸并在中间连接电流计锌片上均有气泡,电流表指针不发生偏转。Zn―Zn(稀H2SO4)不可组成原电池⑥把锌片和铜片用导线连接后插入一个西红柿并在中间连接电流计电流表指针发生偏转。Zn―Cu(西红柿)可组成原电池⑦把锌片和铜片用导线连接后插入两个西红柿并在中间连接电流计无现象Zn-Cu(两个西红柿没形成闭合回路),不可组成原电池[归纳总结]通过以上实验探究、诱思探究、对比实验探究,得出以下结论:[板书]一、原电池定义——把化学能直接转变为电能的装置。二、原电池构成条件——“一液两极三连”两种活动性不同的材料(金属—金属、金属—非金属导体、金属—金属氧化物)作电极,负极——较活泼金属,正极——较不活泼金属(非金属导体、金属氧化物);2、两个电极均插入电解质溶液中;3、两极相连形成闭合电路。三、原电池反应原理——较活泼金属(负极)失电子,发生氧化3反应,电子从负极流出,通过外电路电子流向正极,正极上发...

1、当您付费下载文档后,您只拥有了使用权限,并不意味着购买了版权,文档只能用于自身使用,不得用于其他商业用途(如 [转卖]进行直接盈利或[编辑后售卖]进行间接盈利)。
2、本站所有内容均由合作方或网友上传,本站不对文档的完整性、权威性及其观点立场正确性做任何保证或承诺!文档内容仅供研究参考,付费前请自行鉴别。
3、如文档内容存在违规,或者侵犯商业秘密、侵犯著作权等,请点击“违规举报”。

碎片内容

(名师课堂)2013-2014学年高中化学 第二章第2节 化学能与电能教案1 新人教版必修2

您可能关注的文档

;绿洲书城+ 关注
实名认证
内容提供者

从事历史教学,热爱教育,高度负责。

确认删除?
VIP
微信客服
  • 扫码咨询
会员Q群
  • 会员专属群点击这里加入QQ群
客服邮箱
回到顶部