电脑桌面
添加小米粒文库到电脑桌面
安装后可以在桌面快捷访问

2014年高中通用技术 2.5我们也来做流程设计(章节习题)教案 地质版VIP免费

2014年高中通用技术 2.5我们也来做流程设计(章节习题)教案 地质版_第1页
1/5
2014年高中通用技术 2.5我们也来做流程设计(章节习题)教案 地质版_第2页
2/5
2014年高中通用技术 2.5我们也来做流程设计(章节习题)教案 地质版_第3页
3/5
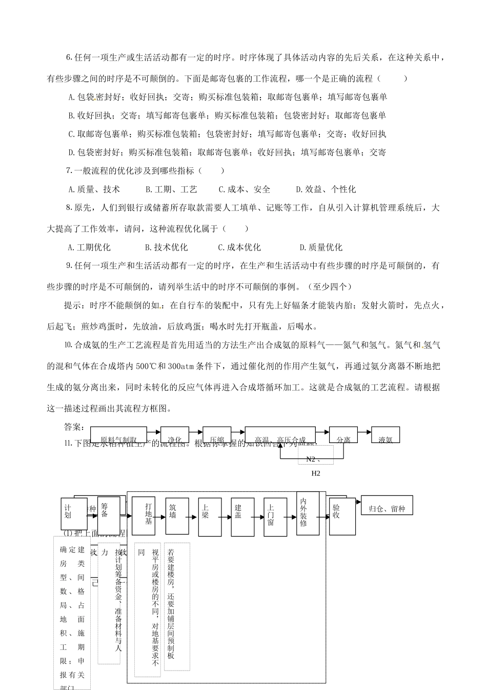
第五节我们也来做流程设计(章节习题)⒈洗衣机去污机理如何?不用洗衣粉的洗衣机知多少?答:洗衣机的总功能是洗净衣物,去污是核心。加洗衣粉去污,是帮助水流将污垢从衣物上分离下来。要想不用洗衣粉,仍要洗净衣物,那就要针对“分离”(污垢与衣分离),寻找新的技术手段——洗净衣物流程的新机理。⑴超声波洗衣机:通过超声波在衣物之间不断产生微小的真空泡。真空泡在破裂时,会产生冲击波。它将衣物上的污垢从衣物上分离下来,起到去污作用。⑵电磁去污洗衣机:洗涤头上装有电磁圈。通电后,电磁圈发出微振。在快速振动下,污垢以及附着物迅速与衣物分离。⑶活性氧去污洗衣机:利用电解水产生的活性氧来分解衣物上的污垢。⑷臭氧洗衣机:将臭氧泵放在洗衣机中。臭氧分子可以分解衣物沾染上的尘埃和污垢中的有机物分子,并将其溶入水中,从而将衣物洗净,而且,污水经过滤后,还可多次循环使用。⑸离子洗衣机:在洗衣机内安装离子水发生器,把普通自来水分解为离子水。离子水的高渗透性及离子独有的对污渍、灰尘的分解作用和吸附作用,将衣物洗净。离子洗衣机,省电又省水。⒉不用洗涤剂的洗衣机的工作流程,相对使用洗涤剂的洗衣机工作流程来说,其优化主要体现在哪些方面?优化建立在什么条件和基础之上?答:⑴减去了加洗衣粉的环节;⑵减轻了对漂洗环节的负担。比如,采用一次漂洗便可达到满意效果;⑶有利于节水、节电、减少污染,这是获取效益的重要方面。其工作流程的优化主要建立在对洗涤机理(去污)的理解以及现代科学技术基础之上(如第1题中所谈到的各种去污洗衣机)。⒊公共汽车门口写有“先下后上”的字样,其道理是()A.提醒乘客注意安全B.为了提高速度C.减轻负荷D.请乘客遵守流程⒋关于流程,下面说法正确的是()A.时序是时间上的先后顺序,流程中的时序是不可以颠倒的。B.流程就是做事的顺序,科学合理的流程就是高效率,就是高质量。C.流程优化往往都是减少环节。D.对学校有组织、有计划、有目的进行期末考试工作的安排,严格来说并不属于流程设计。⒌同样炒一种菜,若在出锅前放碘盐,碘的食用率可达62.3%,炸锅时放碘盐,碘的食用率仅为18.7%。这个事例说明科学合理的流程对生活有什么意义?A.提高工作效率B.提高生活质量C.减少生活中的盲从D.使生活更为安全⒍任何一项生产或生活活动都有一定的时序。时序体现了具体活动内容的先后关系,在这种关系中,有些步骤之间的时序是不可颠倒的。下面是邮寄包裹的工作流程,哪一个是正确的流程()A.包袋密封好;收好回执;交寄;购买标准包装箱;取邮寄包裹单;填写邮寄包裹单B.收好回执;交寄;填写邮寄包裹单;购买标准包装箱;包袋密封好;取邮寄包裹单C.取邮寄包裹单;购买标准包装箱;包袋密封好;填写邮寄包裹单;交寄;收好回执D.包袋密封好;购买标准包装箱;取邮寄包裹单;收好回执;填写邮寄包裹单;交寄⒎一般流程的优化涉及到哪些指标()A.质量、技术B.工期、工艺C.成本、安全D.效益、个性化⒏原先,人们到银行或储蓄所存取款需要人工填单、记账等工作,自从引入计算机管理系统后,大大提高了工作效率,请问,这种流程优化属于()A.工期优化B.技术优化C.成本优化D.质量优化⒐任何一项生产和生活活动都有一定的时序,在生产和生活活动中有些步骤的时序是可颠倒的,有些步骤的时序是不可颠倒的,请列举生活中的时序不可颠倒的事例。(至少四个)提示:时序不能颠倒的如:在自行车的装配中,只有先上好辐条才能装内胎;发射火箭时,先点火,后起飞;煎炒鸡蛋时,先放油,后放鸡蛋;喝水时先打开瓶盖,后喝水。⒑合成氨的生产工艺流程是首先用适当的方法生产出合成氨的原料气——氮气和氢气。氮气和氢气的混和气体在合成塔内500℃和300atm条件下,通过催化剂的作用产生氨气,再通过氨分离器不断地把生成的氨分离出来,同时未转化的反应气体再进入合成塔循环加工。这就是合成氨的工艺流程。请根据这一描述过程画出其流程方框图。答案:⒒下图是水稻种植生产的流程图。根据你掌握的知识回答下列问题:⑴把上面的流程图补充完整。答:⑵你自己设计一个流程图。(只要设计的流程图合理即可)如...

1、当您付费下载文档后,您只拥有了使用权限,并不意味着购买了版权,文档只能用于自身使用,不得用于其他商业用途(如 [转卖]进行直接盈利或[编辑后售卖]进行间接盈利)。
2、本站所有内容均由合作方或网友上传,本站不对文档的完整性、权威性及其观点立场正确性做任何保证或承诺!文档内容仅供研究参考,付费前请自行鉴别。
3、如文档内容存在违规,或者侵犯商业秘密、侵犯著作权等,请点击“违规举报”。

碎片内容

2014年高中通用技术 2.5我们也来做流程设计(章节习题)教案 地质版

您可能关注的文档

确认删除?
VIP
微信客服
  • 扫码咨询
会员Q群
  • 会员专属群点击这里加入QQ群
客服邮箱
回到顶部