电脑桌面
添加小米粒文库到电脑桌面
安装后可以在桌面快捷访问

山东省枣庄一中高二化学《电能转化为化学能--电解》教案VIP免费

山东省枣庄一中高二化学《电能转化为化学能--电解》教案_第1页
1/5
山东省枣庄一中高二化学《电能转化为化学能--电解》教案_第2页
2/5
山东省枣庄一中高二化学《电能转化为化学能--电解》教案_第3页
3/5
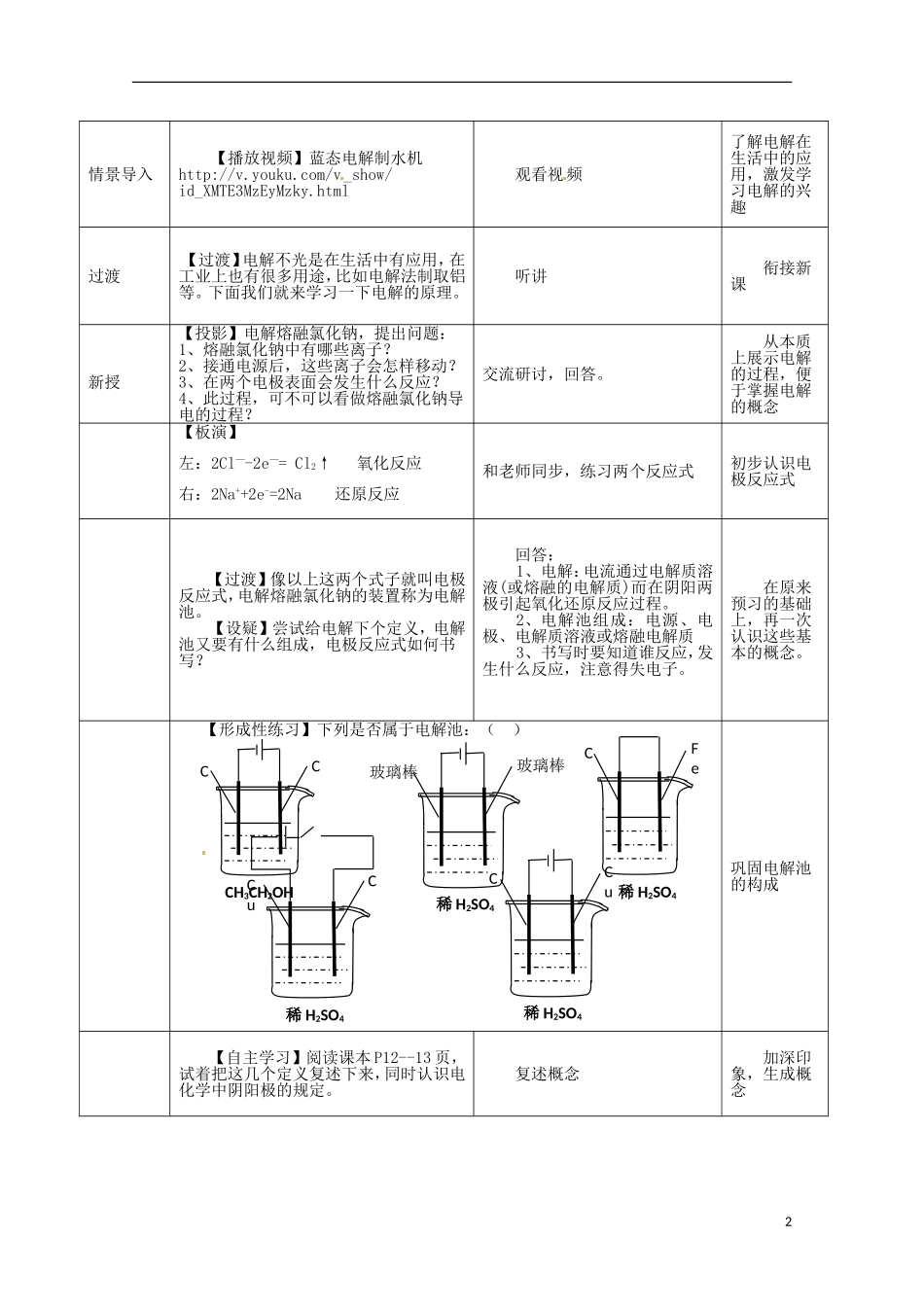
山东省枣庄一中高二化学《电能转化为化学能--电解》教案内容分析本节课介绍能量相互转化的一种形式——电解,电解在工业生产中是很常见的一种工艺。学习本节内容,是在氧化还原反应知识的基础上,结合上节课化学反应中的能量变化继续深化对能量相互转化的理解和应用。教材先从简单地熔融盐电解入手,避免溶液中各种离子放电的判断,这样编写避难就轻,符合学生的认知规律,便于老师展开教学。结合我们学生的实际,在必修2时,对原电池的知识有所拓展,感觉在授课时不是难点,大多数学生对电解的电极反应式的书写还可以。设计思路先检查学生的预习情况,根据反馈,组织教学。新授时,先创设情境,激发学生学习的热情和兴趣。然后以熔融氯化钠为例,学习电解的原理,理解电解的过程,了解电解池的构造,明确阴阳极的反应。然后再展示氯化铜溶液,让学生分析,引发学生思考的矛盾,然后老师结合氧化还原反应的知识,让学生了解阴阳极物质放电的顺序,为我们书写电极反应式提供理论支撑。再来一组练习NaCl溶液、Na2SO4溶液、AgNO3溶液,电极反应式和电池反应式。从而逐步让学生建立思维模型:1、分析溶液中放电的离子2、根据阴阳极反应,写电极反应式3、写电池反应式时要考虑是谁提供的放电离子,切记不可忽略没反应的离子。4、检查配平。最后,做巩固练习,检测学习情况。教学目标知识[与技能1、理解电解这个概念,掌握电解池的构造,会判断所提供的一组装置是否是电解池。2、会判断阴阳极及其发生的反应,会写电极反应式和电池反应式。3、会判断关于电解池的一些说法。过程与方法1、在练习书写电极反应式和电池反应式时,逐步建立思维模型,锻炼自己的类比思维能力。2、培养分析问题、解决问题的能力,而不是机械记忆。情感、态度与价值观1、通过电解在工业中的应用,培养献身科学、报效祖国的精神。2、在分析各电池反应时,培养严谨、规范的科学精神。3、渗透由现象看本质、由个别到一般、由一般到特殊的辨证唯物主义观点。教学重点电解原理,电极反应式的书写教学难点电解反应式和电池反应式的书写,一些关于电解池说法的判断教学模式三段六步教学法教学手段多媒体辅助教学,学案导学教学过程教学环节教师活动学生活动设计意图检测预习情况检查学生预习《自主学习》P7情况,找同学回答几个问题。回答问题:1、什么是电解?什么是电解池?电解池的构造?2、在电化学上,阴阳极如何规定?3、什么是电极反应?什么是电池反应?检查学生预习情况,以便更好的组织教学1CCCH3CH2OH稀H2SO4CuC稀H2SO4FeC稀H2SO4玻璃棒玻璃棒稀H2SO4CCu情景导入【播放视频】蓝态电解制水机http://v.youku.com/v_show/id_XMTE3MzEyMzky.html观看视频了解电解在生活中的应用,激发学习电解的兴趣过渡【过渡】电解不光是在生活中有应用,在工业上也有很多用途,比如电解法制取铝等。下面我们就来学习一下电解的原理。听讲衔接新课新授【投影】电解熔融氯化钠,提出问题:1、熔融氯化钠中有哪些离子?2、接通电源后,这些离子会怎样移动?3、在两个电极表面会发生什么反应?4、此过程,可不可以看做熔融氯化钠导电的过程?交流研讨,回答。从本质上展示电解的过程,便于掌握电解的概念【板演】左:2Cl—-2e—=Cl2↑氧化反应右:2Na++2e-=2Na还原反应和老师同步,练习两个反应式初步认识电极反应式【过渡】像以上这两个式子就叫电极反应式,电解熔融氯化钠的装置称为电解池。【设疑】尝试给电解下个定义,电解池又要有什么组成,电极反应式如何书写?回答:1、电解:电流通过电解质溶液(或熔融的电解质)而在阴阳两极引起氧化还原反应过程。2、电解池组成:电源、电极、电解质溶液或熔融电解质3、书写时要知道谁反应,发生什么反应,注意得失电子。在原来预习的基础上,再一次认识这些基本的概念。【形成性练习】下列是否属于电解池:()巩固电解池的构成【自主学习】阅读课本P12--13页,试着把这几个定义复述下来,同时认识电化学中阴阳极的规定。复述概念加深印象,生成概念2【设疑】那如果用石墨电极电解CuCl2溶液,试分析此过程,写出电极反应式和电解池总反应。交流分析,思考问题:1、该溶液中有哪些离子?...

1、当您付费下载文档后,您只拥有了使用权限,并不意味着购买了版权,文档只能用于自身使用,不得用于其他商业用途(如 [转卖]进行直接盈利或[编辑后售卖]进行间接盈利)。
2、本站所有内容均由合作方或网友上传,本站不对文档的完整性、权威性及其观点立场正确性做任何保证或承诺!文档内容仅供研究参考,付费前请自行鉴别。
3、如文档内容存在违规,或者侵犯商业秘密、侵犯著作权等,请点击“违规举报”。

碎片内容

山东省枣庄一中高二化学《电能转化为化学能--电解》教案

您可能关注的文档

星河书苑+ 关注
实名认证
内容提供者

从事历史教学,热爱教育,高度负责。

确认删除?
VIP
微信客服
  • 扫码咨询
会员Q群
  • 会员专属群点击这里加入QQ群
客服邮箱
回到顶部