电脑桌面
添加小米粒文库到电脑桌面
安装后可以在桌面快捷访问

《统计分析与SPSS的应用(第五版)》课后练习答案(第5章) VIP免费

《统计分析与SPSS的应用(第五版)》课后练习答案(第5章) _第1页
1/11
《统计分析与SPSS的应用(第五版)》课后练习答案(第5章) _第2页
2/11
《统计分析与SPSS的应用(第五版)》课后练习答案(第5章) _第3页
3/11
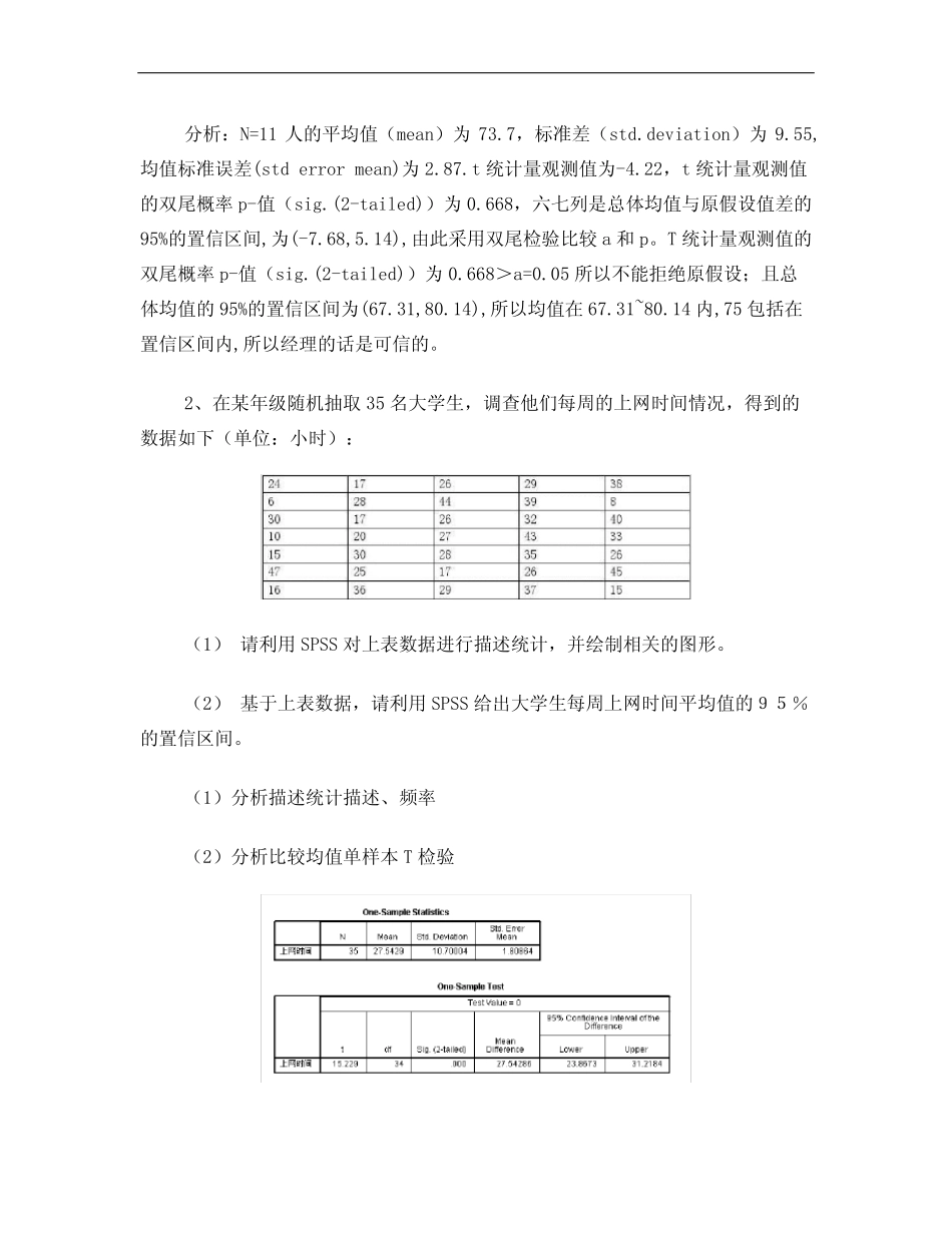
《统计分析与SPSS的应用(第五版)》(薛薇)课后练习答案第5章SPSS的参数检验1、某公司经理宣称他的雇员英语水平很高,如果按照英语六级考试的话,一般平均得分为75分。现从雇员中随机选出11人参加考试,得分如下:80,81,72,60,78,65,56,79,77,87,76请问该经理的宣称是否可信。原假设:样本均值等于总体均值即u=u0=75步骤:生成spss数据→分析→比较均值→单样本t检验→相关设置→输出结果(Analyze->comparemeans->one-samplesTtest;)采用单样本T检验(原假设H0:u=u0=75,总体均值与检验值之间不存在显著差异);单个样本统计量N均值标准差均值的标准误成绩1173.739.5512.880单个样本检验检验值=75tdfSig.(双侧)均值差值差分的95%置信区间下限上限成绩-.44210.668-1.273-7.695.14分析:指定检验值:在test后的框中输入检验值(填75),最后ok!分析:N=11人的平均值(mean)为73.7,标准差(std.deviation)为9.55,均值标准误差(stderrormean)为2.87.t统计量观测值为-4.22,t统计量观测值的双尾概率p-值(sig.(2-tailed))为0.668,六七列是总体均值与原假设值差的95%的置信区间,为(-7.68,5.14),由此采用双尾检验比较a和p。T统计量观测值的双尾概率p-值(sig.(2-tailed))为0.668>a=0.05所以不能拒绝原假设;且总体均值的95%的置信区间为(67.31,80.14),所以均值在67.31~80.14内,75包括在置信区间内,所以经理的话是可信的。2、在某年级随机抽取35名大学生,调查他们每周的上网时间情况,得到的数据如下(单位:小时):(1)请利用SPSS对上表数据进行描述统计,并绘制相关的图形。(2)基于上表数据,请利用SPSS给出大学生每周上网时间平均值的95%的置信区间。(1)分析描述统计描述、频率(2)分析比较均值单样本T检验每周上网时间的样本平均值为27.5,标准差为10.7,总体均值95%的置信区间为23.8-31.2.3、经济学家认为决策者是对事实做出反应,不是对提出事实的方式做出反应。然而心理学家则倾向于认为提出事实的方式是有关系的。为验证哪种观点更站得住脚,调查者分别以下面两种不同的方式随机访问了足球球迷。原假设:决策与提问方式无关,即u-u0=0步骤:生成spss数据→分析→比较均值→两独立样本t检验→相关设置→输出结果表5-3组统计量提问方式N均值标准差均值的标准误决策丢票再买200.46.500.035丢钱再买183.88.326.024表5-4独立样本检验方差方程的Levene检验均值方程的t检验FSig.tdfSig.(双侧)均值差值标准误差值差分的95%置信区间下限上限决策假设方差相等257.985.000-9.640381.000-.420.044-.505-.334假设方差不相等-9.815345.536.000-.420.043-.504-.336分析:由表5-3可以看出,提问方式不同所做的相同决策的平均比例是46%和88%,认为决策者的决策与提问方式有关。由表5-4看出,独立样本在0.05的检验值为0,小于0.05,故拒绝原假设,认为决策者对事实所作出的反应与提问方式有关,心理学家的观点更站得住脚。分析:从上表可以看出票丢仍买的人数比例为46%,钱丢仍买的人数比例为88%,两种方式的样本比例有较大差距。1.两总体方差是否相等F检验:F的统计量的观察值为257.98,对应的P值为0.00,;如果显著性水平为0.05,由于概率P值小于0.05,两种方式的方差有显著差异。看假设方差不相等行的结果。2.两总体均值(比例)差的检验:.T统计量的观测值为-9.815,对应的双尾概率为0.00,T统计量对应的概率P值<0.05,故推翻原假设,表明两总体比例有显著差异.更倾向心理学家的说法。4、一种植物只开兰花和白花。按照某权威建立的遗传模型,该植物杂交的后代有75%的几率开兰花,25%的几率开白花。现从杂交种子中随机挑选200颗,种植后发现142株开了兰花,请利用SPSS进行分析,说明这与遗传模型是否一致?原假设:开蓝花的比例是75%,即u=u0=0.75步骤:生成spss数据→分析→比较均值→单样本t检验→相关设置→输出结果表5-5单个样本统计量N均值标准差均值的标准误开花种类2001.29.455.032表5-6单个样本检验检验值=0.75tdfSig.(双侧)均值差值差分的95%置信区间下限上限开花种类16.788199.000.540.48.60分析:由于检验的结果sig值为0,小于0.05,故拒绝原假设,由于检验区间为(1.23,1.3...

1、当您付费下载文档后,您只拥有了使用权限,并不意味着购买了版权,文档只能用于自身使用,不得用于其他商业用途(如 [转卖]进行直接盈利或[编辑后售卖]进行间接盈利)。
2、本站所有内容均由合作方或网友上传,本站不对文档的完整性、权威性及其观点立场正确性做任何保证或承诺!文档内容仅供研究参考,付费前请自行鉴别。
3、如文档内容存在违规,或者侵犯商业秘密、侵犯著作权等,请点击“违规举报”。

碎片内容

《统计分析与SPSS的应用(第五版)》课后练习答案(第5章)

文达天下+ 关注
实名认证
内容提供者

各类试题、文摘、指南、行业规范

确认删除?
VIP
微信客服
  • 扫码咨询
会员Q群
  • 会员专属群点击这里加入QQ群
客服邮箱
回到顶部