电脑桌面
添加小米粒文库到电脑桌面
安装后可以在桌面快捷访问

地下室、屋面CGP强粘高分子防水卷材施工方案VIP免费

地下室、屋面CGP强粘高分子防水卷材施工方案_第1页
1/23
地下室、屋面CGP强粘高分子防水卷材施工方案_第2页
2/23
地下室、屋面CGP强粘高分子防水卷材施工方案_第3页
3/23
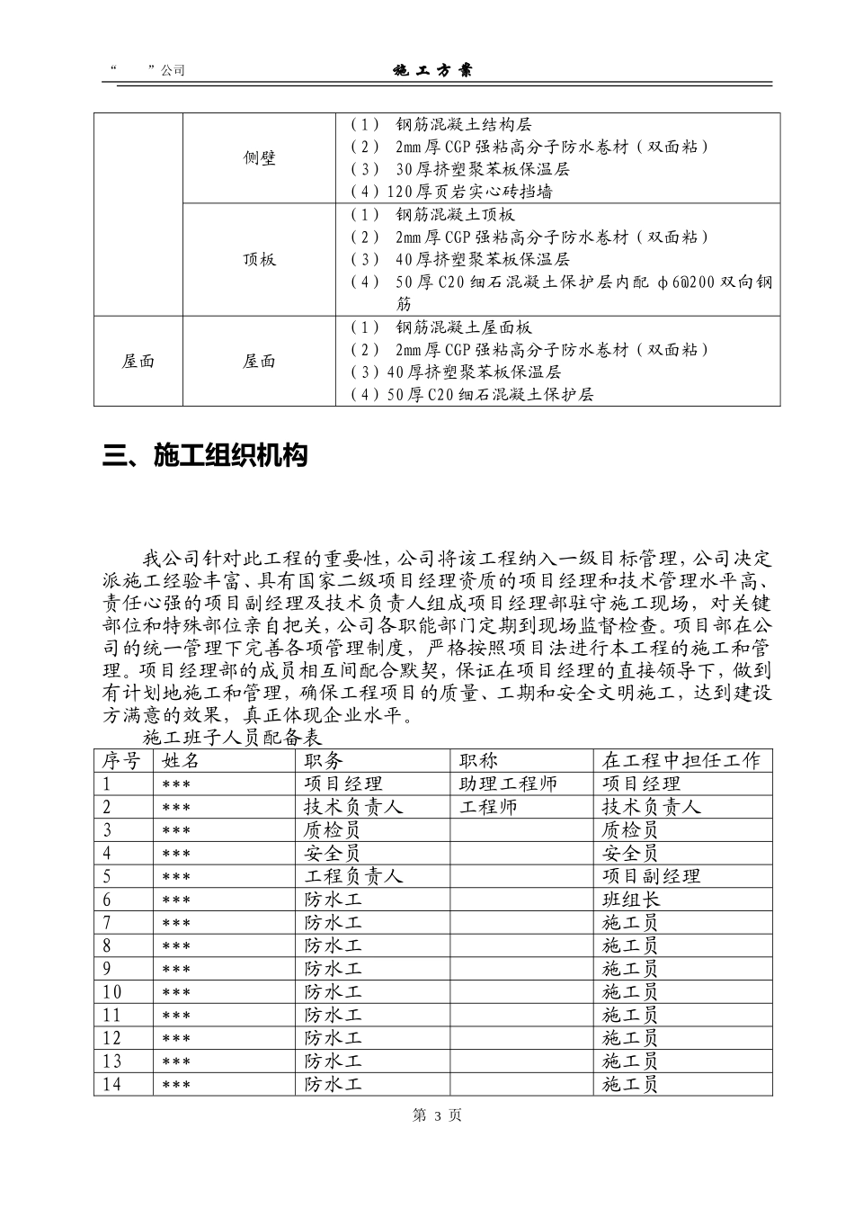
项目地下室、屋面防水工程施工方案“”公司编制:审核:审批:二0一四年七月八日目录一、编制依据...........................................................................................................3二、工程概况...........................................................................................................3三、施工组织机构...................................................................................................4四、物资设备计划...................................................................................................6五、施工进度计划...................................................................................................9“”公司施工方案六、地下室防水施工技术措施.............................................................................10(一)地下室底板防水施工...........................................................................10(二)地下室侧壁防水施工...........................................................................14(三)地下室顶板防水施工...........................................................................19七、屋面防水施工技术措施.................................................................................24八、成品保护.........................................................................................................28九、工期保证措施.................................................................................................29十、质量保证措施.................................................................................................31十一、安全文明施工措施.....................................................................................37一、编制依据本工程方案编制的主要依据为“”项目设计图纸、施工组织设计;建设部现行规范、规程及成都市有关规程。主要规范及规程如下:(一)《地下防水工程质量验收规范》(GB50208-2011)(二)《地下工程防水技术规范》(GB50108-2008)(三)《建筑工程施工质量验收统一标准》(GBJ50300-2013)(四)《地下建筑防水构造》(国家建筑标准设计图纸02J301)(五)根据设计图纸、图集及业主对工程质量要求进行编制二、工程概况“”项目,位于成都市。总用地面积㎡,总建筑面积为㎡。本工程总平面尺寸约为“”,主要由“”部分组成。本工程地下室、屋面面积约,地下室及屋面防水工程由成都㎡桂湖防水保温工程有限公司承接施工,该工程工程量大、工期紧,应紧密配合土建施工单位的施工。其防水主要做法如下:防水部位防水做法地下室底板(1)地基处理(2)100厚C20细石混凝土垫层(3)2mm厚CGP强粘高分子防水卷材(双面粘)(4)50厚C20细石混凝土保护层(5)钢筋混凝土结构层第2页“”公司施工方案侧壁(1)钢筋混凝土结构层(2)2mm厚CGP强粘高分子防水卷材(双面粘)(3)30厚挤塑聚苯板保温层(4)120厚页岩实心砖挡墙顶板(1)钢筋混凝土顶板(2)2mm厚CGP强粘高分子防水卷材(双面粘)(3)40厚挤塑聚苯板保温层(4)50厚C20细石混凝土保护层内配φ6@200双向钢筋屋面屋面(1)钢筋混凝土屋面板(2)2mm厚CGP强粘高分子防水卷材(双面粘)(3)40厚挤塑聚苯板保温层(4)50厚C20细石混凝土保护层三、施工组织机构我公司针对此工程的重要性,公司将该工程纳入一级目标管理,公司决定派施工经验丰富、具有国家二级项目经理资质的项目经理和技术管理水平高、责任心强的项目副经理及技术负责人组成项目经理部驻守施工现场,对关键部位和特殊部位亲自把关,公司各职能部门定期到现场监督检查。项目部在公司的统一管理下完善各项管理制度,严格按照项目法进行本工程的施工和管理。项目经理部的成员相互间配合默契,保证在项目经理的直接领导下,做到有计划地施工和管理,确保工程项目的质量、工期和...

1、当您付费下载文档后,您只拥有了使用权限,并不意味着购买了版权,文档只能用于自身使用,不得用于其他商业用途(如 [转卖]进行直接盈利或[编辑后售卖]进行间接盈利)。
2、本站所有内容均由合作方或网友上传,本站不对文档的完整性、权威性及其观点立场正确性做任何保证或承诺!文档内容仅供研究参考,付费前请自行鉴别。
3、如文档内容存在违规,或者侵犯商业秘密、侵犯著作权等,请点击“违规举报”。

碎片内容

地下室、屋面CGP强粘高分子防水卷材施工方案

您可能关注的文档

确认删除?
VIP
微信客服
  • 扫码咨询
会员Q群
  • 会员专属群点击这里加入QQ群
客服邮箱
回到顶部