电脑桌面
添加小米粒文库到电脑桌面
安装后可以在桌面快捷访问

地辐热采暖施工方案VIP免费

地辐热采暖施工方案_第1页
1/8
地辐热采暖施工方案_第2页
2/8
地辐热采暖施工方案_第3页
3/8
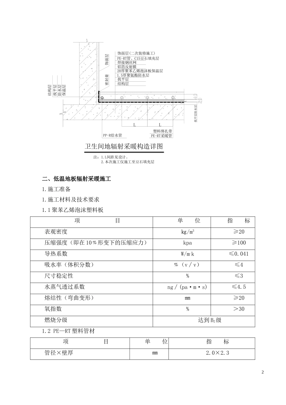
本工程采用低温热水地板辐射采暖,采暖系统采用双立管分户热计量系统。供回水立管安装在管井内,地埋管(管道井至户内分、集水器)采用耐高温聚乙烯(PE-RT)管,管径为De25*2.8,室内盘管采用De20*2.3,每户设分、集水器。分、集水器上均设有DN15自动放气。一、低温地板辐射采暖简解1.低温地板辐射采暖的特点地板采暖以温度不高于60℃的热水为热媒,在加热管内循环流动,加热地板,通过地面以辐射和对流的传热方式向室内供热的供暖方式。这一更具人性化的采暖方式,以其舒适、卫生、保健、高效、节能、不占使用面积、使用寿命长等特点,日渐成为时尚、品味生活不可或缺的部分。它是通过埋设在地板下混凝土层中的加热盘管的热水循环把地表温度加热并保持在25℃左右,通过辐射,使房间气温达到人体适宜的温度。2.低温地板辐射采暖的构造组成详见下图结构层20厚聚苯乙烯泡沫板保温层铝箔反射膜PE-RT管、C15豆石填充层饰面层(二次装修施工)结构层饰面层保温层密封膏焊接钢丝网PE-RT采暖管塑料绑扎带其它房间地辐射采暖构造详图PP-R给水管LL注:1.L间距见设计。2.本次施工仅施工至豆石填充层结构层找平层防水层找平层1.5厚聚氨酯防水层20厚聚苯乙烯泡沫板保温层铝箔反射膜PE-RT管、C15豆石填充层饰面层(二次装修施工)结构层找平层防水层保温层密封膏饰面层焊接钢丝网PE-RT采暖管塑料绑扎带卫生间地辐射采暖构造详图PP-R给水管注:1.L间距见设计。2.本次施工仅施工至豆石填充层LL二、低温地板辐射采暖施工1.施工准备1.施工材料及技术要求1.1聚苯乙烯泡沫塑料板项目单位指标表观密度㎏/m3≥20压缩强度(即在10﹪形变下的压缩应力)kpa≥100导热系数W/m.k≤0.041吸水率(体积分数)﹪(v∕v)≤4尺寸稳定性%≤3水蒸气透过系数ng∕(pa·m·s)≤4.5熔结性(弯曲变形)㎜≥20氧指数%>30燃烧分级达到B2级1.2PE—RT塑料管材项目单位指标管径×壁厚㎜2.0×2.32循环压力冲击次10000纵向回缩率%≤3外观白色等级不低于4级PE—RT塑料加热管的内外表面应光滑、平整,干净,不应有可能影响产品性能的明显划痕、凹陷、气泡等缺陷。塑料管的公称外径、壁厚与偏差,应符合规范要求。1.3分水器、集水器、自动跑风阀:材质为全铜质制品。分水器、集水器包括分水干管、集水干管、排气及泄水试验装置、支路阀门和连接配件等,分水器、集水器的表观,内外表面应光洁,不得有裂纹、砂眼、冷隔、夹渣、凹凸不平等缺陷,表面电镀的连接件,色泽应均匀,镀层牢固,不得有脱镀的缺陷,铜制金属连接件与管材之间的连接结构形式为卡套式夹紧结构。1.4钢丝网:低碳冷拔丝,焊接网。1.5反射膜:铝箔反射膜。2.施工工具准备专用管件、管钳、冲击钻、胀铆螺栓、手钳、塑料扎带或固定卡子、抹子、推车、手动打压泵、压力表等。3.作业条件3.1施工现场有水、电供应设施。3.2土建专业已完成墙面粉刷(不含面层),外窗、门安装已完毕,有防水的房间应做完闭水试验并经过验收。3.3施工的环境温度不低于5℃;在低于0℃的环境下施工时,现场应采取升温措施。三、施工工艺1.工艺流程基层处理→铺设保温层(苯板、铝箔)→铺设钢丝网片→铺设PE-RT管→加压测试→安装集、分水器→隐蔽验收→施工混凝土填充层→立(干)管清洗→系统试压→系统调试与运行。2.工艺标准2.1.基层处理:基层表面应表面平整,不得有凹凸不平,墙根应清理干净,基层无浮灰、水泥渣。2.2.铺设保温层:2.2.1在平整、干燥、无杂物的地面铺设2㎝厚度聚苯乙烯泡沫塑料板,错缝排列铺设,相互间接合紧密,拼缝处采用塑料胶带将沫塑料板粘结连成整体,铺设平整度达到要求。2.3保温带及伸缩缝的设置:32.3.1保温带的设置:在采暖房间的四周墙根均设保温带,保温带采用10mm厚聚苯乙烯泡沫塑料板设置。各房间门口处,边长≥6m或面积≥30㎡设置伸缩缝。2.3.2伸缩缝的设置:伸缩缝中填充的材料用8㎜的高发泡聚乙烯泡沫塑料(位置详见附图)。2.4铺设无纺布铝箔膜:在铺设好的聚苯乙烯泡沫塑料板,上铺设无纺布铝箔膜满铺,接缝处搭接宽度80㎜。2.5铺设钢丝网片:在铺设好的无纺布铝箔膜上铺设钢丝网片,网片铺设接平整,接头处采用扎丝绑扎。2.6铺设加热管(按照图纸或设...

1、当您付费下载文档后,您只拥有了使用权限,并不意味着购买了版权,文档只能用于自身使用,不得用于其他商业用途(如 [转卖]进行直接盈利或[编辑后售卖]进行间接盈利)。
2、本站所有内容均由合作方或网友上传,本站不对文档的完整性、权威性及其观点立场正确性做任何保证或承诺!文档内容仅供研究参考,付费前请自行鉴别。
3、如文档内容存在违规,或者侵犯商业秘密、侵犯著作权等,请点击“违规举报”。

碎片内容

地辐热采暖施工方案

您可能关注的文档

确认删除?
VIP
微信客服
  • 扫码咨询
会员Q群
  • 会员专属群点击这里加入QQ群
客服邮箱
回到顶部