电脑桌面
添加小米粒文库到电脑桌面
安装后可以在桌面快捷访问

地管施工方案VIP免费

地管施工方案_第1页
1/71
地管施工方案_第2页
2/71
地管施工方案_第3页
3/71
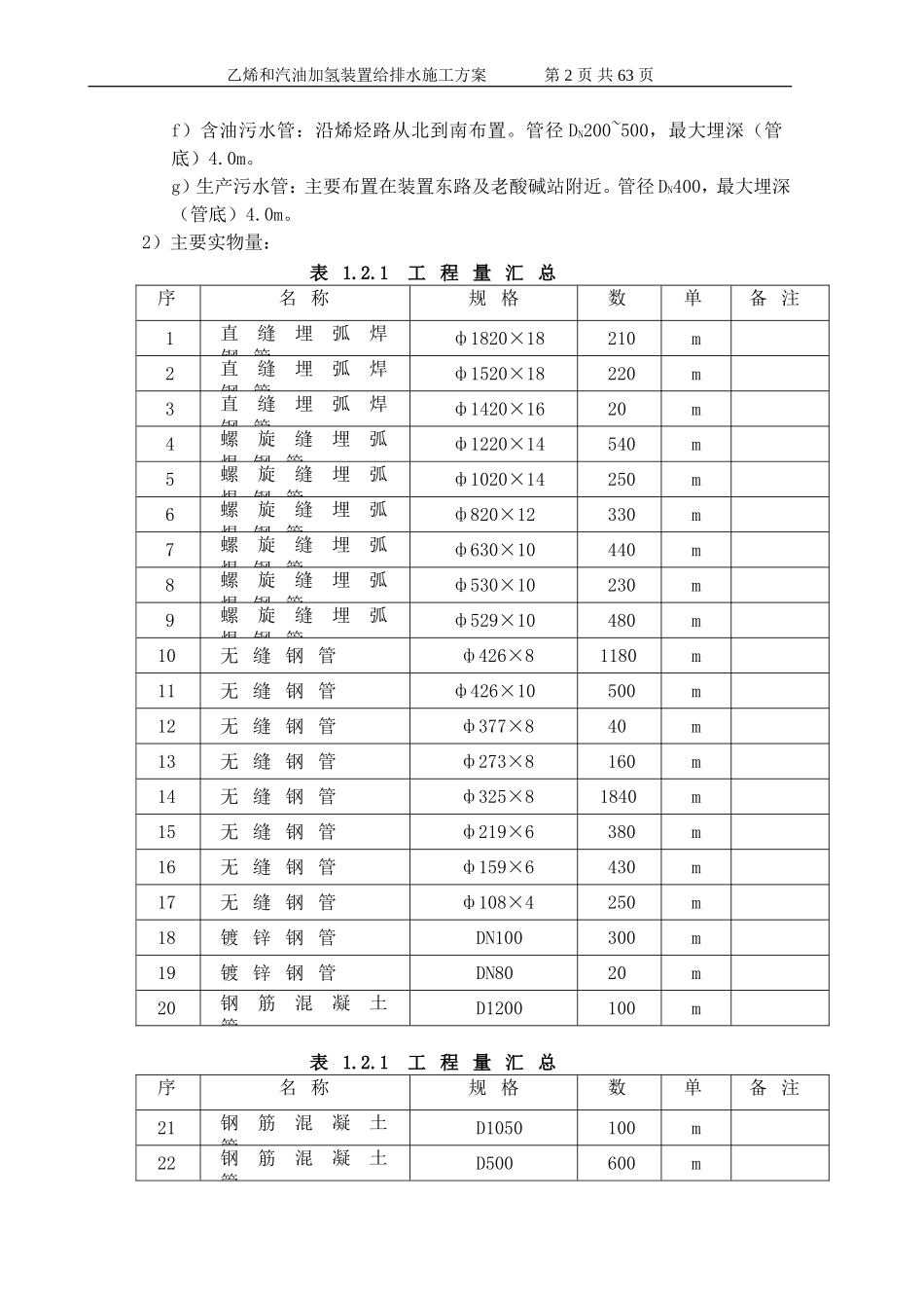
乙烯和汽油加氢装置给排水施工方案第1页共63页1.1编制依据及编制说明1.1.1编制说明扬子65万吨/年乙烯改造乙烯装置和汽油加氢装置利用原有道路和绿化带建设,场地十分狭窄,管线平面布置比较紧密,埋设较深,与原有运行管线立体交叉,同时该区域内原有建筑物、构筑物的存在直接影响地管管沟开挖,再加上地管与土建同期施工以及雨季施工、大修停车等影响,使得地管施工成为整个乙烯改造工程中非常重要的一环,也是影响面最大、施工管理难度最大、文明施工管理困难最多的阶段,必须给予高度重视,为此特编制本施工方案。本方案适用于扬子65万吨/年乙烯改造乙烯装置和汽油加氢装置地下给排水工程施工。1.1.2编制依据——本工程执行的施工验收规范;——扬子石油化工股份有限责任公司各项管理制度和标准;——扬子石油化工股份有限责任公司65万吨/年乙烯改造工程乙烯装置和汽油加氢装置施工组织设计。1.2工程描述1.2.1工程概况1)工程内容简述:a)工业给水管:从公用区域主管接出,东西方向横穿装置。管径DN100~500,最大埋深(管底)2.05m。b)泡沫消防给水管:从烯烃路现有泡沫消防设施分成两条支线,一路向南进入原料罐区,一路向北进入汽油加氢装置。管径DN100~DN150,最大埋深(管底)2.0m。c)消防给水管:与原乙烯装置连接,沿新建装置四周布置。东侧管线布置在新建装置东路下,西侧管道布置在新建装置西路下,东西两侧主管线间布置了6条连接线。管径DN100~400,最大埋深(管底)2.05m。d)循环水管道7#、8#线:从新建四循引入装置区。7#线从烯烃路东侧进入装置穿过装置区后,沿装置东路,从急冷区向北延伸至成品罐区南侧。8#线从烯烃路东侧进入装置区,并分成南北两条线,一条进入急冷区,一条进入压缩区及冷区。管径DN250~1800,最大埋深(管底)4.6m。e)雨水管:主管线利用原有管线(在加井部位需截断原有d1200、d1050管道,对破损部位进行修复),在装置区内布置若干支线。管径DN300~500,最大埋深(管底)4.0m。乙烯和汽油加氢装置给排水施工方案第2页共63页f)含油污水管:沿烯烃路从北到南布置。管径DN200~500,最大埋深(管底)4.0m。g)生产污水管:主要布置在装置东路及老酸碱站附近。管径DN400,最大埋深(管底)4.0m。2)主要实物量:表1.2.1工程量汇总序号名称规格数量单位备注1直缝埋弧焊钢管ф1820×18210m2直缝埋弧焊钢管ф1520×18220m3直缝埋弧焊钢管ф1420×1620m4螺旋缝埋弧焊钢管ф1220×14540m5螺旋缝埋弧焊钢管ф1020×14250m6螺旋缝埋弧焊钢管ф820×12330m7螺旋缝埋弧焊钢管ф630×10440m8螺旋缝埋弧焊钢管ф530×10230m9螺旋缝埋弧焊钢管ф529×10480m10无缝钢管ф426×81180m11无缝钢管ф426×10500m12无缝钢管ф377×840m13无缝钢管ф273×8160m14无缝钢管ф325×81840m15无缝钢管ф219×6380m16无缝钢管ф159×6430m17无缝钢管ф108×4250m18镀锌钢管DN100300m19镀锌钢管DN8020m20钢筋混凝土管D1200100m表1.2.1工程量汇总序号名称规格数量单位备注21钢筋混凝土管D1050100m22钢筋混凝土管D500600m乙烯和汽油加氢装置给排水施工方案第3页共63页23钢筋混凝土管D400400m24钢筋混凝土管D300250m小计9270m2590º弯头DN18008只2690º弯头DN15002只现场制作2790º弯头DN12001只2890º弯头DN8003只2990º弯头DN6008只3090º弯头DN5009只3190º弯头DN40029只3290º弯头DN30012只3390º弯头DN25013只3490º弯头DN2004只3590º弯头DN15010只3690º弯头DN10010只3745º弯头DN15004只现场制作3845º弯头DN12002只3945º弯头DN8002只4045º弯头DN5007只4145º弯头DN3504只4245º弯头DN2503只4330º弯头DN18004只44钢制偏心异径管DN1800×15001只现场制作45钢制偏心异径管DN1800×12002只46钢制偏心异径管DN1500×12005只现场制作47钢制偏心异径管DN1200×10004只48钢制偏心异径管DN1200×8001只续表1.2.1序号名称规格数量单位备注49钢制偏心异径管DN800×4001只乙烯和汽油加氢装置给排水施工方案第4页共63页50钢制偏心异径管DN300×2002只51钢制偏心异径管DN300×1001只52钢制三通DN1800×18002只现场制作53钢制三通DN1800×15001只现场制作54钢制三通DN1500...

1、当您付费下载文档后,您只拥有了使用权限,并不意味着购买了版权,文档只能用于自身使用,不得用于其他商业用途(如 [转卖]进行直接盈利或[编辑后售卖]进行间接盈利)。
2、本站所有内容均由合作方或网友上传,本站不对文档的完整性、权威性及其观点立场正确性做任何保证或承诺!文档内容仅供研究参考,付费前请自行鉴别。
3、如文档内容存在违规,或者侵犯商业秘密、侵犯著作权等,请点击“违规举报”。

碎片内容

地管施工方案

您可能关注的文档

确认删除?
VIP
微信客服
  • 扫码咨询
会员Q群
  • 会员专属群点击这里加入QQ群
客服邮箱
回到顶部