电脑桌面
添加小米粒文库到电脑桌面
安装后可以在桌面快捷访问

地下模板施工方案VIP免费

地下模板施工方案_第1页
1/26
地下模板施工方案_第2页
2/26
地下模板施工方案_第3页
3/26
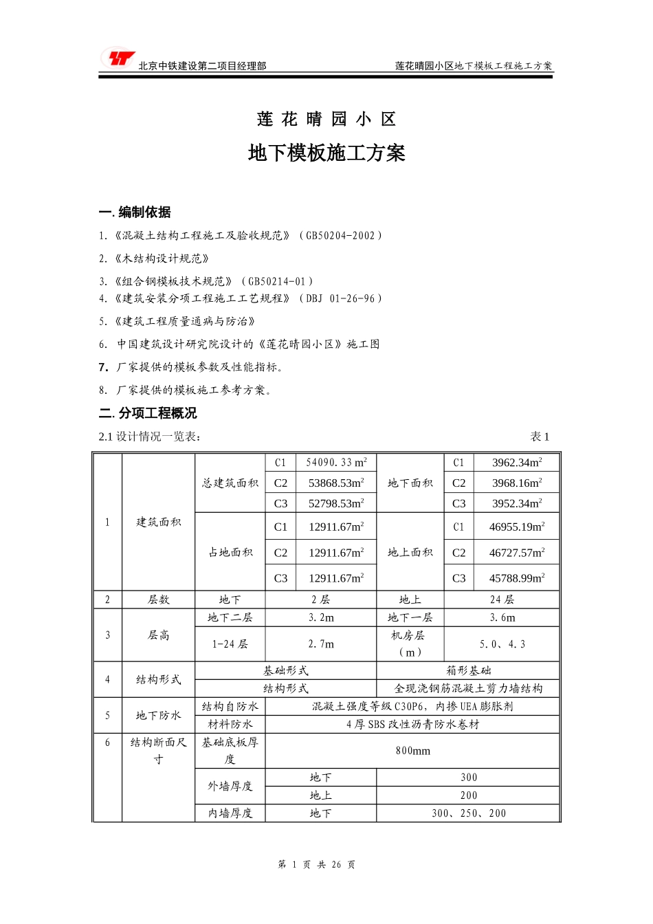
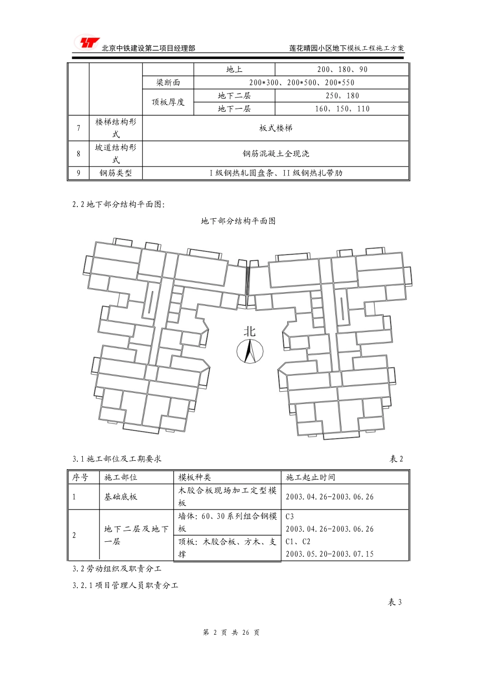
北京中铁建设第二项目经理部莲花晴园小区地下模板工程施工方案莲花晴园小区地下模板施工方案一.编制依据1.《混凝土结构工程施工及验收规范》(GB50204-2002)2.《木结构设计规范》3.《组合钢模板技术规范》(GB50214-01)4.《建筑安装分项工程施工工艺规程》(DBJ01-26-96)5.《建筑工程质量通病与防治》6.中国建筑设计研究院设计的《莲花晴园小区》施工图7.厂家提供的模板参数及性能指标。8.厂家提供的模板施工参考方案。二.分项工程概况2.1设计情况一览表:表11建筑面积总建筑面积C154090.33m2地下面积C13962.34m2C253868.53m2C23968.16m2C352798.53m2C33952.34m2占地面积C112911.67m2地上面积C146955.19m2C212911.67m2C246727.57m2C312911.67m2C345788.99m22层数地下2层地上24层3层高地下二层3.2m地下一层3.6m1-24层2.7m机房层(m)5.0、4.34结构形式基础形式箱形基础结构形式全现浇钢筋混凝土剪力墙结构5地下防水结构自防水混凝土强度等级C30P6,内掺UEA膨胀剂材料防水4厚SBS改性沥青防水卷材6结构断面尺寸基础底板厚度800mm外墙厚度地下300地上200内墙厚度地下300、250、200第1页共26页北京中铁建设第二项目经理部莲花晴园小区地下模板工程施工方案地上200、180、90梁断面200*300、200*500、200*550顶板厚度地下二层250,180地下一层160,150,1107楼梯结构形式板式楼梯8坡道结构形式钢筋混凝土全现浇9钢筋类型I级钢热轧圆盘条、II级钢热扎带肋2.2地下部分结构平面图:地下部分结构平面图三.施工安排3.1施工部位及工期要求表2序号施工部位模板种类施工起止时间1基础底板木胶合板现场加工定型模板2003.04.26-2003.06.262地下二层及地下一层墙体:60、30系列组合钢模板C32003.04.26-2003.06.26C1、C22003.05.20-2003.07.15顶板:木胶合板、方木、支撑3.2劳动组织及职责分工3.2.1项目管理人员职责分工表3第2页共26页北京中铁建设第二项目经理部莲花晴园小区地下模板工程施工方案序号职务姓名职称负责内容1项目经理代春利高工对项目部管理人员进行明确分工,各司其职2总工程师李兵兵工程师负责分项施工方案的总体框架的确定3土建负责人费洪刚助工制定详细的施工方案并负责该项施工全过程的技术指导与监督,并对施工质量负领导责任4土建质检员许定彬负责施工现场技术指导、质量检查及相关内业资料5测量负责人李怀兴全面负责项目测量工作及相关内业资料7资料员马金明助工负责项目资料管理及收发文工作8工程经理王旭工程师全面负责现场管理、工程进度工作9土建工长管实兵黄国荣负责施工协调、调度、现场及相关内业资料10安全负责齐玉岭负责项目安全工作及相关内业资料11机械调度齐玉岭负责机械、机具、车辆管理、保养和调度工作及相关内业资料12材料室主任徐善记负责各种周转材料的进场与现场管理13材料员黄新存负责项目周转料租赁并监督其合理使用,保障进退平衡14材料员朱江浩助经负责现场材料库房管理及材料收发工作并相关内业资料3.2.2施工队伍管理人员职责分工表4序号职务姓名负责内容C1C2C31队长杜敬文张代春罗元平负责各分项施工的人员保障、施工进度及材料的正常供应2技术主管李永成江铁中刘国荣负责在模板施工的全过程中顺利贯彻施工方案内容并监督施工质量,对该分项施工的技术、质量负全责3木工班长牛小伟李连书黎正志负责组织全班组人员正确施工,负责模板安装施工质量,并负责班组人员的合理分工以及工种配合工作4瓦工班长银强李建和刘国明负责砼浇筑施工的现场指挥和质量控制以及施工缝处理、模板操作平台清理等工作以及工种配合工作5钢筋班长刘兵黄常文邱子强负责钢筋下料、绑扎、焊接各方面的现场施工,负责钢筋绑扎施工质量,并负责人员的合理分工以及工种配合工作3.2.3模板分项施工人员数量及分工地下部分组合钢模板施工,人员的配备必须充足,根据实际工程量的大小和进度的需要C3楼确定木工(含搬运、清理、脱模剂涂刷、海绵条粘贴、模板安装、支撑安装、模板校核)数量不得少于150人(其中C1、C2不少于160人),同时配备电焊工10人,焊制拉片,每工作日拉片焊制量不少于1500个。第3页共26页北京中铁建设第二项目经理部莲花晴园小区地下模板工程施工方案四.施...

1、当您付费下载文档后,您只拥有了使用权限,并不意味着购买了版权,文档只能用于自身使用,不得用于其他商业用途(如 [转卖]进行直接盈利或[编辑后售卖]进行间接盈利)。
2、本站所有内容均由合作方或网友上传,本站不对文档的完整性、权威性及其观点立场正确性做任何保证或承诺!文档内容仅供研究参考,付费前请自行鉴别。
3、如文档内容存在违规,或者侵犯商业秘密、侵犯著作权等,请点击“违规举报”。

碎片内容

地下模板施工方案

您可能关注的文档

确认删除?
VIP
微信客服
  • 扫码咨询
会员Q群
  • 会员专属群点击这里加入QQ群
客服邮箱
回到顶部