电脑桌面
添加小米粒文库到电脑桌面
安装后可以在桌面快捷访问

多层异形柱框架结构施工组织设计VIP免费

多层异形柱框架结构施工组织设计_第1页
1/60
多层异形柱框架结构施工组织设计_第2页
2/60
多层异形柱框架结构施工组织设计_第3页
3/60
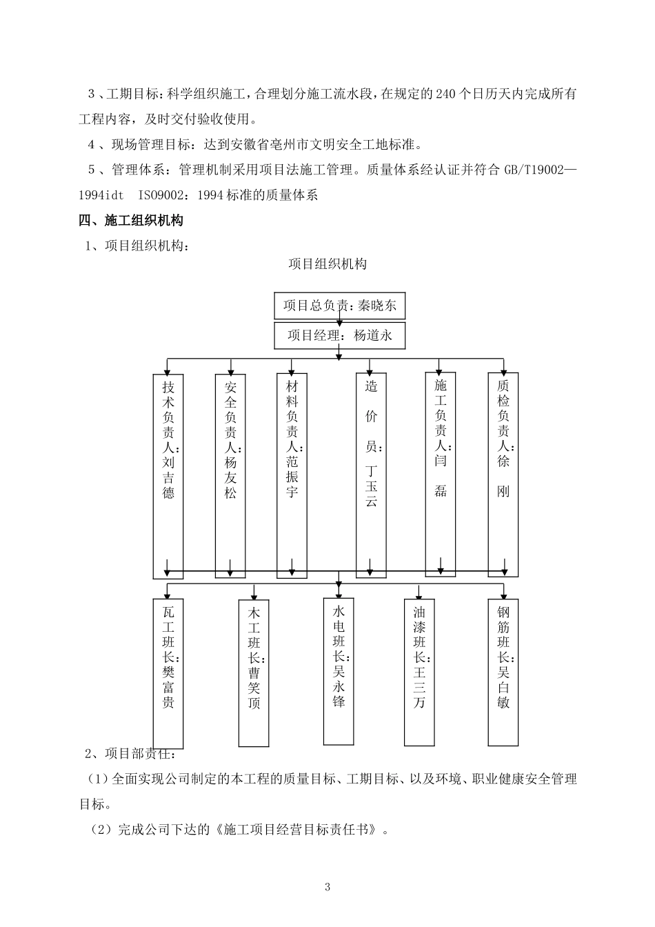
五、施工组织设计第一章总则..................................................................................................55第二章各分部分项工程的主要施工方案及技术措施...............................58第三章确保工程质量的技术组织措施.......................................................84第四章确保安全生产、文明施工管理体系与措施...................................90第五章工程进度计划与措施及施工网络图.............................................107第六章资源配备计划.................................................................................113第七章工程平面图及临时用地表.............................................................1161第一章总则一、工程概况1、工程名称:***********2、工程地点:***********3、工程范围:***********建设工程,包括***********21号楼、***********Z-1#、Z-4#楼和Z-2#Z-3#楼。其中Z-2#Z-3#楼总建筑面积为9525.2㎡。单体工程建筑基底面积为621.9㎡,单栋建筑面积为4762.6㎡。(本建筑面积不含外保温层面积);Z-1#、Z-4#楼总建筑面积为7562㎡。单体工程建筑基底面积为487.9㎡,单栋建筑面积为3781㎡。(本建筑面积不含外保温层面积)。4、工程其他基本情况:本工程工程等级为Ⅲ级,耐火等级为Ⅱ级,屋面防水等级为Ⅲ级,结构型式为八层框架异型柱结构(其中包括地下室一层,阁楼一层)抗震设防等级为6度,设计合理使用年限为50年。5、现场条件:(1)施工场地情况:具备施工条件;(2)施工用电:已通;(3)场内外道路:已通。二、、编制依据1、《亳州工业园区2#还原小区建设工程》招标文件;2、建筑、结构及安装工程施工图以及图纸会审和设计交底记录。3、国家及地方现行有关的建设法律、法规、工程建设强制性标准和行业管理的规定以及建设工程标准、施工规范、规程、检验标准。4、实地考察施工现场及周边环境情况。5、我公司已建同类工程的施工管理、施工组织、施工技术经验、施工工艺方法。6、我公司编制的《质量环境职业健康安全管理手册》、《质量环境职业健康安全程序文件》、《作业文件》。三、工程目标1、质量目标:质量达到合格等级,单位工程交验质量达到合格。2、安全目标:安全施工无事故。23、工期目标:科学组织施工,合理划分施工流水段,在规定的240个日历天内完成所有工程内容,及时交付验收使用。4、现场管理目标:达到安徽省亳州市文明安全工地标准。5、管理体系:管理机制采用项目法施工管理。质量体系经认证并符合GB/T19002—1994idtISO9002:1994标准的质量体系四、施工组织机构1、项目组织机构:项目组织机构2、项目部责任:(1)全面实现公司制定的本工程的质量目标、工期目标、以及环境、职业健康安全管理目标。(2)完成公司下达的《施工项目经营目标责任书》。3技术负责人:刘吉德项目总负责:秦晓东项目经理:杨道永安全负责人:杨友松造价员:丁玉云施工负责人:闫磊质检负责人:徐刚材料负责人:范振宇钢筋班长:吴白敏油漆班长:王三万水电班长:吴永锋木工班长:曹笑顶瓦工班长:樊富贵(3)负责施工项目的进度控制、质量控制、成本控制、安全控制、合同管理、信息管理和组织协调。(4)对施工项目从开工到竣工的全过程实施管理,并对最终的建筑产品负有服务的责任。3、施工平、立面布置和临设配置(1)施工图总平面图布置根据施工需要,办公用房和生活区布置在施工主入口两侧,设置有:施工办公室、材料办公室、材料库房、会议室、医务室、食堂、工人宿舍、浴厕、机修房、木工房、配电房、机电值班室等。生产区设置在本工程建筑的周边,设置水泥房和施工材料堆放场地,并合理地安置塔吊、砼泵机和砂浆搅拌机等机械设备。本工程在值班室和车库共设置一处钢筋加工房,能满足钢筋原材、加工成型钢筋的直接吊运,减少二次转运,利于文明施工的整体策划,见《施工总平面布置图》。(2)垂直运输设备的布置1)塔机布置①此工程准备1台卷扬机用于施工的垂直运输。2)卷扬机布置的原则①尽量覆盖房屋平面范围以及起吊点和搅拌设备,解决施工区域的材...

1、当您付费下载文档后,您只拥有了使用权限,并不意味着购买了版权,文档只能用于自身使用,不得用于其他商业用途(如 [转卖]进行直接盈利或[编辑后售卖]进行间接盈利)。
2、本站所有内容均由合作方或网友上传,本站不对文档的完整性、权威性及其观点立场正确性做任何保证或承诺!文档内容仅供研究参考,付费前请自行鉴别。
3、如文档内容存在违规,或者侵犯商业秘密、侵犯著作权等,请点击“违规举报”。

碎片内容

多层异形柱框架结构施工组织设计

您可能关注的文档

确认删除?
VIP
微信客服
  • 扫码咨询
会员Q群
  • 会员专属群点击这里加入QQ群
客服邮箱
回到顶部