电脑桌面
添加小米粒文库到电脑桌面
安装后可以在桌面快捷访问

工业机器人工装设计VIP免费

工业机器人工装设计_第1页
1/8
工业机器人工装设计_第2页
2/8
工业机器人工装设计_第3页
3/8
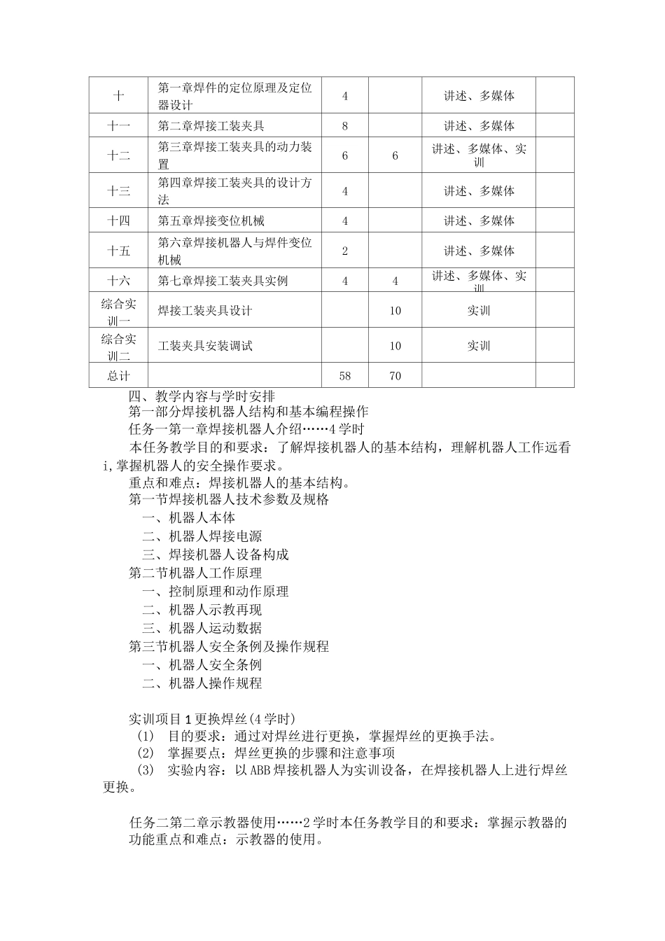
工业机器人工装设计》教学大纲一、项目的性质、地位与任务本项目是工业机器人技术的专业核心课,是一门既有夹具设计理论又有较强实用性的专业技术课,为学生学习后续课程完成课程设计等奠定基础。在自动控制程度越来越高的趋势下,对工装夹具设计提出了更高的要求。与机器人的配合形式出现在现代工业生产中,常见的用法是机床上下料、工件拆码垛、焊接、研磨等自动化无人工厂中。本课程通过对工装夹具中夹具设计、电气控制的学习,培养学生的工装设计能力和应用能力。项目的主要任务:通过学习工装夹具的定位元件(确定工件在夹具中的正确位置)、夹紧装置、对刀引导元件(确定刀具与工件的相对位置或导引刀具方向)、分度装置(使工件在一次安装中能完成数个工位的加工,有回转分度装置和直线移动分度装置两类)、连接元件以及夹具体(夹具底座)等设计方案;理解焊接、码垛等机器人工装夹具,掌握工业机器人常用的夹具设计方案,并能独立设计工装夹具。二、教学基本要求通过本项目的学习,应达到以下要求:1.能设计简单的工装夹具体2.根据实际生产要求,分析并设计或改进工业机器人工装夹具。3.能灵活进行工装夹具的电气控制设计并安装调试三、教学学时分配表任务教学内容教学时数实训时数教学方法或手段备注第一部分焊接机器人结构和基本编程操作-一一第一章焊接机器人介绍44讲述、多媒体、实训-二二第一早示教器使用24讲述、多媒体、实训三第三章示教(Teach)模式46讲述、多媒体、实训四第四章弧焊机器人与编程26讲述、多媒体、实训五第五章典型接头的焊接与编程44讲述、多媒体、实训六第六章工业机器人的离线编程46讲述、多媒体、实训七第七章等离子弧切割机器人与编程46讲述、多媒体、实训八第八章机器人设备日常检查与保养24讲述、多媒体、实训第二部分工业机器人工装设计九绪论2讲述、多媒体十第一章焊件的定位原理及定位器设计4讲述、多媒体十一第二章焊接工装夹具8讲述、多媒体十二第三章焊接工装夹具的动力装置66讲述、多媒体、实训十三第四章焊接工装夹具的设计方法4讲述、多媒体十四第五章焊接变位机械4讲述、多媒体十五第六章焊接机器人与焊件变位机械2讲述、多媒体十六第七章焊接工装夹具实例44讲述、多媒体、实训综合实训一焊接工装夹具设计10实训综合实训二工装夹具安装调试10实训总计5870四、教学内容与学时安排第一部分焊接机器人结构和基本编程操作任务一第一章焊接机器人介绍……4学时本任务教学目的和要求:了解焊接机器人的基本结构,理解机器人工作远看i,掌握机器人的安全操作要求。重点和难点:焊接机器人的基本结构。第一节焊接机器人技术参数及规格一、机器人本体二、机器人焊接电源三、焊接机器人设备构成第二节机器人工作原理一、控制原理和动作原理二、机器人示教再现三、机器人运动数据第三节机器人安全条例及操作规程一、机器人安全条例二、机器人操作规程实训项目1更换焊丝(4学时)(1)目的要求:通过对焊丝进行更换,掌握焊丝的更换手法。(2)掌握要点:焊丝更换的步骤和注意事项(3)实验内容:以ABB焊接机器人为实训设备,在焊接机器人上进行焊丝更换。任务二第二章示教器使用……2学时本任务教学目的和要求:掌握示教器的功能重点和难点:示教器的使用。第一节示教器主要功能一、认识示教器二、示教器开关及按钮三、显示窗口及菜单图标第二节示教器的操作一、示教器持握姿势二、示教器屏幕上的操作三、在线帮助系统实训项目2机器人对点练习……4学时(1)目的要求:通过示教器的手动操作,熟练示教器的点动操作。(2)掌握要点:示教器的使用方法和使用守则(3)实验内容:以ABB焊接机器人为实训设备,利用示教器对机器人进行点动控制练习。任务三第三章示教(Teach)模式……4学时本任务教学目的和要求:通过示教模式的操作,了解其基本编程方法重点和难点:在示教模式下进行编程的方法。第一节示教模式的操作一、闭合伺服电源二、移动机器人三、转换坐标系第二节示教编程方法一、示教编程的操作流程二、插补概念和示教点三、直线示教四、圆弧示教五、直线摆动示教六、圆弧摆动示教七、跟踪操作八、其他编辑功能九、示教误差第三节示教编程工作案例实训...

1、当您付费下载文档后,您只拥有了使用权限,并不意味着购买了版权,文档只能用于自身使用,不得用于其他商业用途(如 [转卖]进行直接盈利或[编辑后售卖]进行间接盈利)。
2、本站所有内容均由合作方或网友上传,本站不对文档的完整性、权威性及其观点立场正确性做任何保证或承诺!文档内容仅供研究参考,付费前请自行鉴别。
3、如文档内容存在违规,或者侵犯商业秘密、侵犯著作权等,请点击“违规举报”。

碎片内容

工业机器人工装设计

您可能关注的文档

确认删除?
VIP
微信客服
  • 扫码咨询
会员Q群
  • 会员专属群点击这里加入QQ群
客服邮箱
回到顶部