电脑桌面
添加小米粒文库到电脑桌面
安装后可以在桌面快捷访问

2020年环保政策盘点VIP免费

2020年环保政策盘点_第1页
1/13
2020年环保政策盘点_第2页
2/13
2020年环保政策盘点_第3页
3/13
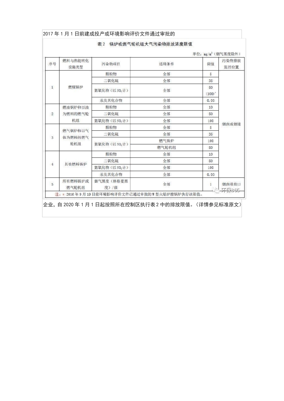
2020年环保政策盘点2020年1月1日起,有多项环保政策法规标准等文件生效,小编对此作了整理供大家参考。国家级相关文件01《产业结构调整指导目录(2019年本)》经2019年8月27日第2次委务会议审议通过,现予公布,自2020年1月1日起施行。02《危险废物鉴别标准通则》(GB5085.7-2019)2019年11月12日印发,自2020年1月1日起实施。本次修订完善了鉴别程序,修改了危险废物混合后判定规则,修改了针对具有毒性危险特性的危险废物利用过程的判定规则。03《危险废物鉴别技术规范》(HJ298-2019)2019年11月13日印发,自2020年1月1日起实施。本次修订扩大了适用范围,优化技术要求,完善鉴别程序。进一步细化了危险废物鉴别的采样对象、份样数、采样方法、样品检测、检测结果判断等技术要求;增加了环境事件涉及的固体废物危险特性鉴别的采样、检测、判断等技术要求。04《生活垃圾焚烧发电厂自动监测数据应用管理规定》2020年1月1日起施行。明确了自动监测数据可用于环境执法,提出了自动监测数据超标判断和处理,确定了焚烧炉炉温不达标的判定和处理。适用于所有投入运行的垃圾焚烧厂。垃圾焚烧厂在投入运行之时,应当按照有关法律法规和标准规范安装使用自动监测设备,与生态环境部门联网,并确保自动监测数据的真实、准确、完整、有效。052019年6月4日发布,2020年1月1日起实施。标准规定了脱氮生物滤池系统的定义和术语、脱氮生物滤池组成系统及工艺流程等。省市相关文件01《山东省土壤污染防治条例》山东省第十三届人民代表大会常务委员会第十五次会议通过,2020年1月1日起施行。违反本条例规定,构成违反治安管理行为的,由公安机关依法给予治安管理处罚;构成犯罪的,依法追究刑事责任。《关于进一步加强生态环境监测(检测)机构监督管理的通知》山东省市场监管局、省生态环境厅联合发布《关于进一步加强生态环境监测(检测)机构监督管理的通知》,要求夯实检测机构主体责任,落实企业委托把关原则。2020年1月1日起,未满足《补充要求》,未获得生态环境监测机构资质认定的,不得从事生态环境监测(检测),生态环境部门不再认可其出具的生态环境监测(检测)数据和报告。《火电厂大气污染物排放标准》DB37_664-20192020年1月1日起,所有锅炉或燃气轮机组执行表2中的排放浓度限值。(详情参见标准原文)《建材工业大气污染物排放标准》DB37_2373-20182017年1月1日前建成投产或环境影响评价文件通过审批的企业,自2020年1月1日起按照所在控制区执行表2中的排放限值。(详情参见标准原文)《锅炉大气污染物排放标准》DB37_2374-20182020年1月1日起,现有燃油、燃气和其他燃料锅炉按所在控制区执行表2中的排放浓度限值。《挥发性有机物排放标准第5部分:表面涂装行业》DB37_2801.5-2018自标准实施之日起至2019年12月31日,现有企业不分行业执行现有企业的排放限值。新建企业自标准实施之日起、现有企业自2020年1月1日起,按所属行业执行新建企业的排放限值。《挥发性有机物排放标准第6部分:有机化工行业》DB37_2801.6-2018对于首要控制因子,自标准实施之日起至2019年12月31日,现有企业按所属行业执行Ⅰ时段排放限值;新建企业自标准实施之日起、现有企业自2020年1月1日起,按所属行业执行Ⅱ时段排放限值;自标准实施之日起无组织排放执行标准规定的排放限值。对于选择控制因子,现有企业和新建企业自标准实施之日起执行标准规定的排放限值。《挥发性有机物排放标准第7部分:其他行业》DB37_2801.7-2019自2020年1月1日起,现有企业按所属行业执行表1中Ⅱ时段的排放限值。(详情参见标准原文)《流域水污染物综合排放标准第1部分:南四湖东平湖流域》DB37_3416.1-20182020年1月1日起,直接排放的排污单位(城镇污水处理厂除外)按污水入河排放口所在区域执行括号中限值。详情参见标准中表2第二类污染物最高允许排放浓度限值。《流域水污染物综合排放标准第2部分:沂沭河流域》DB37_3416.2-20182020年1月1日起,直接排放的排污单位(城镇污水处理厂除外)执行括号中限值。详情参见标准中表2第二类污染物最高允许排放浓度限值。《流域水污染物综合排放标准第3部分:小清河流域》DB37_3416....

1、当您付费下载文档后,您只拥有了使用权限,并不意味着购买了版权,文档只能用于自身使用,不得用于其他商业用途(如 [转卖]进行直接盈利或[编辑后售卖]进行间接盈利)。
2、本站所有内容均由合作方或网友上传,本站不对文档的完整性、权威性及其观点立场正确性做任何保证或承诺!文档内容仅供研究参考,付费前请自行鉴别。
3、如文档内容存在违规,或者侵犯商业秘密、侵犯著作权等,请点击“违规举报”。

碎片内容

2020年环保政策盘点

爱的疯狂+ 关注
实名认证
内容提供者

该用户很懒,什么也没介绍

确认删除?
VIP
微信客服
  • 扫码咨询
会员Q群
  • 会员专属群点击这里加入QQ群
客服邮箱
回到顶部