电脑桌面
添加小米粒文库到电脑桌面
安装后可以在桌面快捷访问

高压旋喷桩施工方案VIP免费

高压旋喷桩施工方案_第1页
1/9
高压旋喷桩施工方案_第2页
2/9
高压旋喷桩施工方案_第3页
3/9
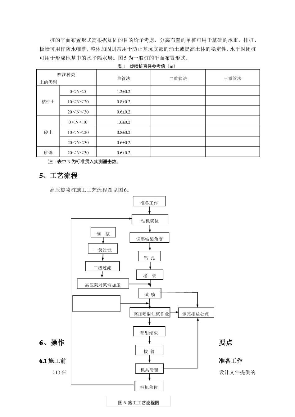
1、工程概况天津滨沣雅苑一期工程包括1-3、5-10、12-16、20-23号楼、地库一至四、地库六及配建1,工程地点位于天津市津南区八里台镇国家农业科技园区内,北至津港辅道,东至其他建设用地,南至阁榭路,西至八里台东路。本次项目用地位于地块西南部分。总建筑面积44310.66m2,其中最大单体建筑面积为4466.88m2;本工程结构类型为框架、剪力墙结构;层数为-1、2、3、4、6层;最大建筑高度20.2米,最大跨度9.5米,最大基坑深度4.9米。土方开挖22.08万方。高压旋喷桩施工技术是70年代日本首先提出,它是在静压灌浆的基础上,引进水力采煤技术而发展起来的,是利用射流作用切割掺搅地层,改变原地层的结构和组成,同时灌入水泥浆或复合浆形成凝结体,借以达到加固地基和防渗的目的,本工程采用最新型PH-5D型高压旋喷桩机。5、编制根据及工艺特点《建筑地基处理技术规范》《建筑地基基础工程施工质量验收规范》设计专项图纸;见附图(1)施工机具设备简单,施工简便。(2)具有较好的耐久性,且料源广阔,价格低廉。(3)噪声小,无污染。3、适用范围(1)受土层、土的粒度、土的密度、硬化剂粘性、硬化剂硬化时间影响小,可广泛应用于淤泥、淤泥质土、粘性土、粉质粘土、(亚粘土)、粉土(亚砂土)、砂土、黄土及人工填土中的素填土甚至碎石土等多种土层。(2)可作为既有建筑和新建建筑的地基加固之用,也可作为基础防渗之用;可作为施工中的临时措施(如深基坑侧壁挡土或挡水、防水帷幕等),也可作为永久建筑物的地基加固、防渗处理。(3)当用于处理泥炭土或地下水具有侵蚀性、地下水流速过大和已涌水的地基工程时,宜通过试验确定其适用性。4、工艺原理及设计要求4.1加固原理高压喷射注浆法是利用钻机把带有喷嘴的注浆管钻进土层的预定位置后,以高压设备使浆液或水、的高压射流从喷嘴中喷射出来,冲切、扰动、破坏土体,同时钻杆以一定速度逐渐提升,将浆液与土粒强制搅拌混合,浆液凝固后,在土中形成一个圆柱状固结体(即旋喷桩),以达到加固地基或止水防渗的目的。喷射注浆法的加固半径和许多因素有关,其中包括喷射压力P、提升速度S、被加固土的抗剪强度τ、喷咀直径d和浆液稠度B。加固范围与喷射压力P、喷咀直径d成正比,与提升速度S、土的抗剪强度τ和浆液稠度B成反比。加固体强度与单位加固体中的水泥掺入量和土质有关。4.2成桩机理高压喷射注浆机理包括以下四种(1)高压喷射破坏土体作用。喷射以脉冲形式冲击破使土体出现空穴,土扩张。(2)混合搅拌杆在旋转提升过程移动位置,与浆液搅拌混合形成新的结构。。(3)充填、渗透固结作用。高压水泥浆迅速充填冲开的沟槽和土粒的空隙,析水固结,还可渗入砂层一定厚度而形成固结体。(4)压密作用。高压喷射流在切割破碎土层过程中,在破碎部位边缘还有剩余压力,并对土层可产生一定压密作用,使旋喷桩体边缘部分的抗压强度高于中心部分。旋喷桩固结体情况图4所示。硬化剂主体部分渗透部分压缩部分搅拌混合部分钻机高压泥浆泵注浆管喷头旋喷固结体水泥仓浆桶搅拌机水箱的成桩作用:流切割流动压坏土体,体裂隙作用。钻中,在射图1单管旋喷注浆示意图流后部形成空隙,在喷射压力下,迫使土粒向着与喷咀移动方向相反的方向(即阻力小的方向)4.3工艺设计要求4.3.1:加固体直径的确定旋喷桩直径与现场土质、土体强度和喷射压力、流量、提升速度和浆液稠度等诸多因素有关,应通过现场试验确定。当无试验资料时可参考表1选用。4.3.2布置形式图4旋喷桩体固结情况图桩的平面布置形式需根据加固的目的给予考虑,分离布置的单桩可用于基础的承重,排桩、板墙可用作防水帷幕,整体加固则常用于防止基坑底部的涌土或提高土体的稳定性,水平封闭桩可用于形成地基中的水平隔水层。图5为一般桩的平面布置形式。表1旋喷桩直径参考值(m)喷注种类土的类别0<N<5粘性土10<N<2020<N<300<N<10砂土10<N<2020<N<30砂砾20<N<30单管法1.2±0.20.8±0.20.6±0.21.0±0.20.8±0.20.6±0.20.6±0.2二重管法三重管法注:表中N为标准贯入实测锤击数。5、工艺流程高压旋喷桩施工工艺流程图见图6。6、操作准备工作钻机就位制浆调整钻架角度...

1、当您付费下载文档后,您只拥有了使用权限,并不意味着购买了版权,文档只能用于自身使用,不得用于其他商业用途(如 [转卖]进行直接盈利或[编辑后售卖]进行间接盈利)。
2、本站所有内容均由合作方或网友上传,本站不对文档的完整性、权威性及其观点立场正确性做任何保证或承诺!文档内容仅供研究参考,付费前请自行鉴别。
3、如文档内容存在违规,或者侵犯商业秘密、侵犯著作权等,请点击“违规举报”。

碎片内容

高压旋喷桩施工方案

确认删除?
VIP
微信客服
  • 扫码咨询
会员Q群
  • 会员专属群点击这里加入QQ群
客服邮箱
回到顶部