电脑桌面
添加小米粒文库到电脑桌面
安装后可以在桌面快捷访问

桥梁施工进度计划.VIP免费

桥梁施工进度计划._第1页
1/7
桥梁施工进度计划._第2页
2/7
桥梁施工进度计划._第3页
3/7
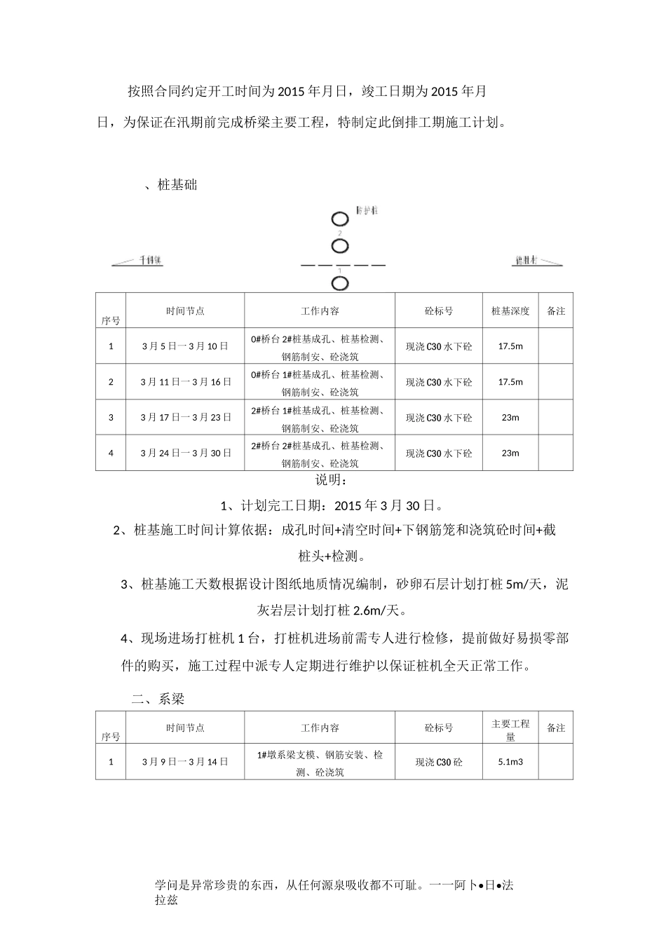
学问是异常珍贵的东西,从任何源泉吸收都不可耻。一一阿卜•日•法拉兹总施工计划说明2016年月日2015年月日学问是异常珍贵的东西,从任何源泉吸收都不可耻。一一阿卜•日•法拉兹2015年月日学问是异常珍贵的东西,从任何源泉吸收都不可耻。一一阿卜•日•法拉兹按照合同约定开工时间为2015年月日,竣工日期为2015年月日,为保证在汛期前完成桥梁主要工程,特制定此倒排工期施工计划。、桩基础序号时间节点工作内容砼标号桩基深度备注13月5日一3月10日0#桥台2#桩基成孔、桩基检测、钢筋制安、砼浇筑现浇C30水下砼17.5m23月11日一3月16日0#桥台1#桩基成孔、桩基检测、钢筋制安、砼浇筑现浇C30水下砼17.5m33月17日一3月23日2#桥台1#桩基成孔、桩基检测、钢筋制安、砼浇筑现浇C30水下砼23m43月24日一3月30日2#桥台2#桩基成孔、桩基检测、钢筋制安、砼浇筑现浇C30水下砼23m说明:1、计划完工日期:2015年3月30日。2、桩基施工时间计算依据:成孔时间+清空时间+下钢筋笼和浇筑砼时间+截桩头+检测。3、桩基施工天数根据设计图纸地质情况编制,砂卵石层计划打桩5m/天,泥灰岩层计划打桩2.6m/天。4、现场进场打桩机1台,打桩机进场前需专人进行检修,提前做好易损零部件的购买,施工过程中派专人定期进行维护以保证桩机全天正常工作。二、系梁序号时间节点工作内容砼标号主要工程量备注13月9日一3月14日1#墩系梁支模、钢筋安装、检测、砼浇筑现浇C30砼5.1m3学问是异常珍贵的东西,从任何源泉吸收都不可耻。一一阿卜•日•法拉兹说明:3月9日系梁土方开挖---3月12日制作系梁钢筋3月13日支模---3月14日浇筑系梁混凝土。三、墩柱序号时间节点工作内容砼标号主要工程量备注13月17日一3月18日1#墩1#桩支模、钢筋安装、检测、砼浇筑现浇C30砼12.0m323月20日一3月21日1#墩2#桩支模、钢筋安装、检测、砼浇筑现浇C30砼12.0m3说明:3月17日1#墩1#桩钢筋制安---3月18日1#墩1#桩支模、砼浇筑---3月20日1#墩2#桩钢筋制安---3月21日1#墩2#桩支模、砼浇筑。四、盖梁序号时间节点工作内容砼标号主要工程量备注13月24日一4月1日1#墩盖梁支模、钢筋安装、检测、砼浇筑现浇C30砼20.0m3说明:3月24日1#墩盖梁支模板---3月27日1#墩盖梁钢筋制安3月29日1#墩盖梁支边模---4月1日1#墩盖梁砼浇筑。五、桥台序号时间节点工作内容砼标号主要工程量备注13月250—4月1日0#桥台支模、钢筋安装、检测、砼浇筑C40砼23.1m324月4日一4月6日0#桥台搭板支模、钢筋安装、检测、砼浇筑现浇C30砼11.3m334月8日一4月13日2#桥台支模、钢筋安装、检测、砼浇筑C40砼23.1m344月160—4月18日2#桥台搭板支模、钢筋安装、检测、砼浇筑现浇C30砼11.3m3说明:3月25日0#桥台土方开挖---3月27日0#桥台钢筋制安---3月29日0#桥台支模4月1日0#桥台砼浇筑。4月8日2#桥台土方开挖---4月10日2#桥台钢筋制安---4月12日2#桥台支模4月13日2#桥台砼浇筑。学问是异常珍贵的东西,从任何源泉吸收都不可耻。一一阿卜•日•法拉兹六、支座及垫石序号时间节点工作内容砼标号主要工程量备注14月19日一4月21日1#桥墩、0#、2#桥台支座垫石钢筋制安、砼浇筑C40小石子砼0.6m3说明:4月19日0#桥台、1#桥墩、2#桥台支座及垫石钢筋制安---4月21日0#桥台、1#墩、2#桥台支座及垫石砼浇筑。八、空心板预制及安装序号时间节点工作内容砼标号主要工程量备注13月11日一3月30日空心板预制预制C50砼119.3m324月280—4月29日空心板安装预制C50砼119.3m3说明:空心板预制厂家为四川省广汉市路桥工程有限公司大件预制构件厂。九、桥面铺装及栏杆序号时间节点工作内容砼标号主要工程量备注14月30日一5月1日人行道钢筋、桥面钢筋制安HRB400钢筋7619kg25月2日一5月4日人行道、桥面砼浇筑现浇C50防水砼36.7m335月5日人行道栏杆现浇C30砼12.8m3十、附属工程序号时间节点工作内容内容主要工程量备注15月6日一5月12日引道施工、边坡防护工程引道长度198.99米25月120—5月13日标志标牌、桥台两头河堤恢复35月140—5月15日恢复河道、平整场地说明:5月6日引道路基开挖5月7日引道级配碎石垫层施工---5月9日引道水稳基层施工---5月12日引道水泥混凝土面层施工。学问是异常珍贵的东西,从任何源...

1、当您付费下载文档后,您只拥有了使用权限,并不意味着购买了版权,文档只能用于自身使用,不得用于其他商业用途(如 [转卖]进行直接盈利或[编辑后售卖]进行间接盈利)。
2、本站所有内容均由合作方或网友上传,本站不对文档的完整性、权威性及其观点立场正确性做任何保证或承诺!文档内容仅供研究参考,付费前请自行鉴别。
3、如文档内容存在违规,或者侵犯商业秘密、侵犯著作权等,请点击“违规举报”。

碎片内容

桥梁施工进度计划.

您可能关注的文档

确认删除?
VIP
微信客服
  • 扫码咨询
会员Q群
  • 会员专属群点击这里加入QQ群
客服邮箱
回到顶部