电脑桌面
添加小米粒文库到电脑桌面
安装后可以在桌面快捷访问

高炉工艺参数VIP免费

高炉工艺参数_第1页
1/24
高炉工艺参数_第2页
2/24
高炉工艺参数_第3页
3/24
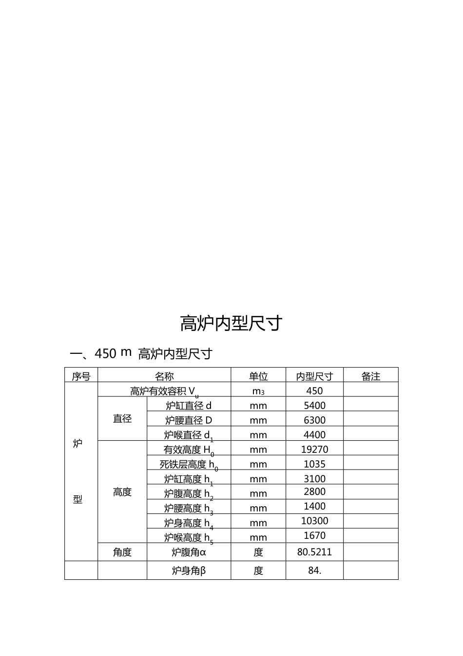
高炉工艺参数炼铁厂高炉内型尺寸一、450m高炉内型尺寸序号名称高炉有效容积Vu炉缸直径d直径炉腰直径D炉喉直径d1有效高度H0死铁层高度h0炉缸高度h1高度炉腹高度h2炉腰高度h3炉身高度h4炉喉高度h5角度炉腹角α炉身角β单位m3mmmmmmmmmmmmmmmmmmmm度度内型尺寸45054006300440019270103531002800140010300167080.521184.备注炉型二、1280m³高炉内型尺寸序号名称高炉有效容积Vu炉缸直径d直径炉腰直径D炉喉直径d1有效高度H0死铁层高度h0炉缸高度h1高度炉腹高度h2炉腰高度h3炉身高度h4炉喉高度h5角度炉腹角α炉身角β高径比Hu/D比值炉缸截面积AVu/A单位m3mmmmmmmmmmmmmmmmmmmm度度倍m2内型尺寸84672008100606021900140037002900160011900180081.179683.76552.7040.7220.78备注炉型三、1800m³高炉内型尺寸序号1234567891011121314名称有效容积Vu炉缸直径d炉腰直径D炉喉直径d1死铁层深度h0炉缸高度h1炉腹高度h2炉腰高度h3炉身高度h4炉喉高度h5有效高度Hu炉腹角炉身角Hu/D单位m3mmmmmmmmmmmmmmmmmmmm数值1800100001140070002143430032002000160002000275007739’39”8210’15”2.411516铁口数风口数个226个工长常用调剂参数因素矿石含铁烧结矿FeO熟料率烧结矿<5mm焦炭灰份焦炭硫份焦炭强度石灰石碎铁渣量生铁含Si变动量+1%+1%+10%+10%+1%+0.1%+1%+100kg+100kg+100kg+1%影响焦比影响产量+3.0%2.0%+1.0%1.0%+3.0%3.0%+5%+2.0%+1.5%6.0%3.0%2.5%+3-4%1-2%+30kg4-5%+5-7%40kg+20kg+40-50kg3.0%7-10%煤气中CO2风温:600-700℃700-900℃900℃以上+1%+100+100+10022kg6.0%5.0%4.0%+3.5%+4.0%+5.0%+4.0%原燃料质量要求一、焦炭质量要求项目灰分硫CRSCRI转鼓指数:M40单位%%%%%数值≤13≤0.6≥60≤26≥82M10粒度范围其中:>75mm<25mm%mm%%≤7.525-75≤10≤5二、烧结矿化学成份:项目全铁铁份波动FeO低温还原粉化率RDI(-3mm)转鼓指数ISO(>10mm)Al2O3SiO2MgO碱度CaO/SiO2粒度范围其中:>50mm<5mm单位%%%%%%%%倍mm%%数值≥57≤±0.5≤8-9≤38≥75≤2≤5≥1.651.8~2.05~50≤5≤5球团矿质量要求项目全铁铁份波动常温耐压强度还原后抗压强度还原率900℃单位%%N/个N/个%数值≥63±0.5≥2000≥450≥65转鼓指数膨胀率粒度范围其中:6-18<6mm%%mm%≥89≤15≥95≤5块矿质量要求项目矿种全铁铁份波动粒度范围其中:>30mm<5mm热爆裂性单位%%mm%%%数值赤铁矿≥62≤±0.55-30≤10≤5<1喷吹煤粉质量要求项目无烟煤烟煤灰10≤11分挥发份<9.0<18硫分固定碳≤0.35≤0.6≥80.0≥70.0(%)(%)(%)(%)胶质层最大厚度(%)mm水分≤8≤10<10哈氏可磨指数HGI>60HGI>80注:1、无烟煤粒度要求:0-25mm的大于90%;2、烟煤粒度要求:0-35mm的大于90%;3、不得将类别不同的混煤及已经氧化变质的煤采购进厂;4、煤中不应含有铁质、木质和矸石等杂物。看水工艺参数一、450m³高炉1、450m³要求进水温度水压≤25℃夏季<30℃≥4.5kg/cm2高压水≥7.5kg出水温度≤50℃2、各部位冷却器水温差规定:部位炉身冷却壁炉喉钢砖炉腰、炉腹炉缸冷却壁炉底冷却壁炉腰冷却板进水温度炉底炉缸下层炉腰炉身中部炉缸正常值炉缸警戒值·h水温差要求7-8℃2-4℃8-10℃1-3℃1-3℃4-5℃小于25℃<3000Kcal/m2·h<4000Kcal/m2·h<25000Kcal/m2·h<24000Kcal/m2·h<8000Kcal/m2·h炉基炉腰与炉身下部炉身上部<7000Kcal/m2·h炉缸报警值8000-12000Kcal/m2·h部位风口大套风口中套风口小套炉身下部冷却板炉身上部冷却板出水温度水温差要求1-3℃1-4℃5-6℃4-6℃5-6℃小于60℃<4000Kcal/m2·h<40000Kcal/m2·h二、1280m³高炉各部位热流强度控制标准炉缸上层<7000Kcal/m2·h12000-15000Kcal/m2炉缸事故值>15000Kcal/m2·h三、1280m³高炉风口装置控制参数项目风口小套风口中套风口大套流量m3/h30-386-86-8温差℃4-81—41—3备注四、1280m³高炉和1800m³高炉冷却系统参数规定名称软水流量1800m3高炉≥4200m3/h1280m3高炉≥2400m3/h供水温度系统温差水压水冷管流量罐压膨胀罐水位热风炉流量中压水中套流量水压流量高压水温差水压常压水流量供水温度压力供水温度压力供水温度流量齿轮箱...

1、当您付费下载文档后,您只拥有了使用权限,并不意味着购买了版权,文档只能用于自身使用,不得用于其他商业用途(如 [转卖]进行直接盈利或[编辑后售卖]进行间接盈利)。
2、本站所有内容均由合作方或网友上传,本站不对文档的完整性、权威性及其观点立场正确性做任何保证或承诺!文档内容仅供研究参考,付费前请自行鉴别。
3、如文档内容存在违规,或者侵犯商业秘密、侵犯著作权等,请点击“违规举报”。

碎片内容

高炉工艺参数

您可能关注的文档

确认删除?
VIP
微信客服
  • 扫码咨询
会员Q群
  • 会员专属群点击这里加入QQ群
客服邮箱
回到顶部