电脑桌面
添加小米粒文库到电脑桌面
安装后可以在桌面快捷访问

顶板后浇带混凝土构造柱支撑的施工方案新VIP免费

顶板后浇带混凝土构造柱支撑的施工方案新_第1页
1/8
顶板后浇带混凝土构造柱支撑的施工方案新_第2页
2/8
顶板后浇带混凝土构造柱支撑的施工方案新_第3页
3/8
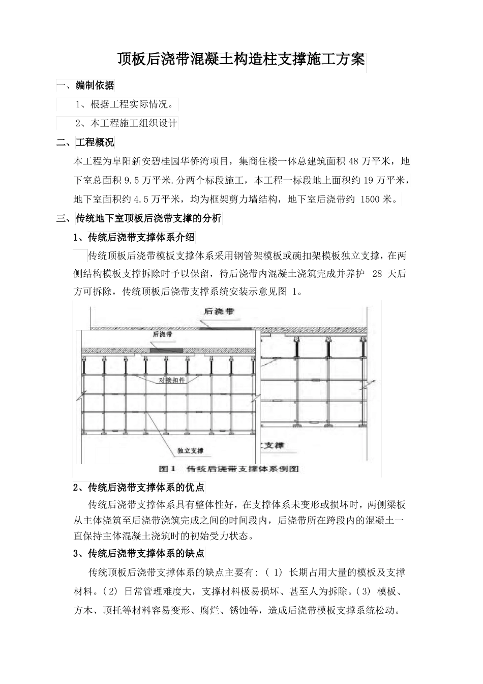
顶板后浇带混凝土构造柱支撑施工方案一、编制依据1、根据工程实际情况。2、本工程施工组织设计二、工程概况本工程为阜阳新安碧桂园华侨湾项目,集商住楼一体总建筑面积48万平米,地下室总面积9.5万平米.分两个标段施工,本工程一标段地上面积约19万平米,地下室面积约4.5万平米,均为框架剪力墙结构,地下室后浇带约1500米。三、传统地下室顶板后浇带支撑的分析1、传统后浇带支撑体系介绍传统顶板后浇带模板支撑体系采用钢管架模板或碗扣架模板独立支撑,在两侧结构模板支撑拆除时予以保留,待后浇带内混凝土浇筑完成并养护28天后方可拆除,传统顶板后浇带支撑系统安装示意见图1。2、传统后浇带支撑体系的优点传统后浇带支撑体系具有整体性好,在支撑体系未变形或损坏时,两侧梁板从主体浇筑至后浇带浇筑完成之间的时间段内,后浇带所在跨段内的混凝土一直保持主体混凝土浇筑时的初始受力状态。3、传统后浇带支撑体系的缺点传统顶板后浇带支撑体系的缺点主要有:(1)长期占用大量的模板及支撑材料。(2)日常管理难度大,支撑材料极易损坏、甚至人为拆除。(3)模板、方木、顶托等材料容易变形、腐烂、锈蚀等,造成后浇带模板支撑系统松动。以本工程地下室顶板沉降后浇带来说,自地下室顶板混凝土浇筑完成至主体施工完成,顶板沉降后浇带传统模板支撑体系留置的时间长达232天(34层×6天/层)+28天(后浇带施工养护施工时间)=232天)。在如此长的时间内,在自然条件及现场不确定的施工因素的影响下,模板支撑体系中的胶合板模板、背楞方木等均会产生不同程度的腐烂、变形,钢管、顶托等钢材也会产生锈蚀、变形、滑丝等现象,同时后浇带支撑体系不拆除,后浇带内容易堆积杂物,不便于清理。这些因素造成的变形积累必然改变后浇带两侧梁板的受力状态,甚至造成后浇带两侧梁板产生裂缝,影响结构的安全及使用。另一方面,后浇带封闭时,是否拆除模板支撑体系,直接影响到后浇带清理是否彻底及后浇带部位混凝土的浇筑质量,甚至造成后浇带部位渗漏严重,而后浇带部位的模板支撑拆除或更换又无法确保后浇带的质量安全。4、后浇带支撑体系的选用由于本工程沉降后浇带留置时间长,且后浇带累积长度大,采用传统模板支撑体系占用的钢管等材料数量大,且模板支撑体系留置时间过长,无法保证后浇带两侧梁板的受力,因此本工程不建议采用传统后浇带支撑体系。四、顶板后浇带混凝土构造柱支撑体系1、后浇带支撑体系的优化原理及过程鉴于传统后浇带模板支撑体系的缺点,对传统后浇带模板支撑体系进行分析优化,即在后浇带两端梁板悬臂末端设置构造柱支撑代替传统的支撑体系。在普通梁板模板安装及混凝土浇筑时,同时进行构造柱支撑的施工,在梁板及构造柱支撑达到设计强度后,全部拆除模板支撑,此时后浇带两侧梁板由预设的混凝土构造柱进行支撑。在传统模板支撑体系中,后浇带两侧的梁板以模板支撑架体为受力体系,优化后的方案则是以混凝土构造柱为其支撑体系。2、后浇带混凝土构造柱支撑体系的优化及注意事项顶板后浇带两侧悬臂梁板末端设混凝土柱的支撑体系不仅避免了传统钢管架模板支撑体系的材料变形,模板材料损耗更换对悬臂梁板受力的影响,而且提高了支撑架材料的周转效率,有较高的经济效益。同时,不仅便于地下室施工通道的留设,还方便进行后浇带两侧施工缝的凿毛清理及后浇带二次支模时钢筋的调整。在施工中构造柱支撑应避免被水平冲击荷载撞坏,且应保证后浇带所在跨上的楼板不应有过大堆载。3、后浇带两侧梁端设混凝土构造柱支撑体系施工3.1后浇带两侧梁端设混凝土构造柱支撑设置方案本工程地下室柱网间距为8.0m×8.0m,结构层高4.7m,经过承载力及稳定性验算,决定在与后浇带垂直相交的顶板主梁及次梁端部均设一根200mm×200mm的混凝土构造柱独立支撑,顶板净跨度大于或等于8米时在其跨中部设置构造柱,后浇带转角处板悬挑净长度大于3米时设置构造柱,具体见图2及图3.3.2后浇带两侧梁端设混凝土构造柱承载力计算N1=(4.75*0.4*0.25+4.75*0.7*0.4+4*0.5*0.3+4.75*4*0.2)m3*25KN/m3(梁板自重)÷2+4.75m×4m×2m3(均布活荷载)=115.56KN(2)构造柱参数为:混凝土等级C30,fc=14.3N/㎜2,截面...

1、当您付费下载文档后,您只拥有了使用权限,并不意味着购买了版权,文档只能用于自身使用,不得用于其他商业用途(如 [转卖]进行直接盈利或[编辑后售卖]进行间接盈利)。
2、本站所有内容均由合作方或网友上传,本站不对文档的完整性、权威性及其观点立场正确性做任何保证或承诺!文档内容仅供研究参考,付费前请自行鉴别。
3、如文档内容存在违规,或者侵犯商业秘密、侵犯著作权等,请点击“违规举报”。

碎片内容

顶板后浇带混凝土构造柱支撑的施工方案新

您可能关注的文档

确认删除?
VIP
微信客服
  • 扫码咨询
会员Q群
  • 会员专属群点击这里加入QQ群
客服邮箱
回到顶部