电脑桌面
添加小米粒文库到电脑桌面
安装后可以在桌面快捷访问

房建质量验收及评定范围VIP免费

房建质量验收及评定范围_第1页
1/124
房建质量验收及评定范围_第2页
2/124
房建质量验收及评定范围_第3页
3/124
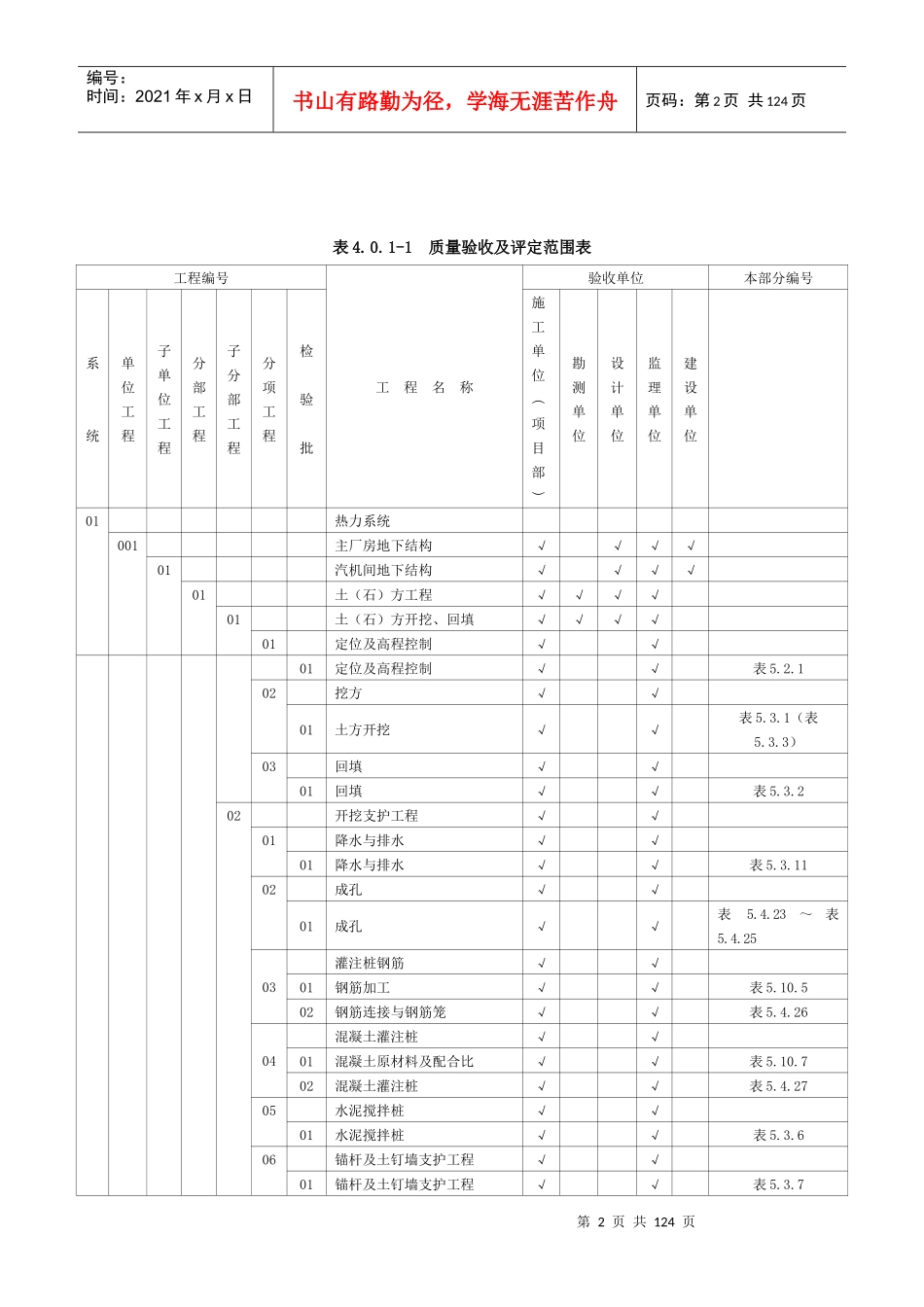
第1页共124页编号:时间:2021年x月x日书山有路勤为径,学海无涯苦作舟页码:第1页共124页4质量验收及评定范围4.0.1质量验收及评定范围主要包含四部分内容:工程编号;质量检验项目的划分;验收单位;各分项工程检验批质量验收标准的套用。表4.0.1-1及表4.0.1-2为火力发电厂土建工程质量验收及评定范围的基本模式。4.0.2火力发电厂土建工程质量验收应划分为单位(子单位)工程、分部(子分部)工程、分项工程和检验批。火力发电厂土建工程质量评定仅对单位工程进行。4.0.3单位工程项目划分的原则:基本按具有独立生产(使用)功能或独立施工条件的建筑物或构筑物进行划分。建筑规模较大的单位工程,可根据工程建设使用或交付安装的需要,将其具有独立使用功能或独立施工条件的部分分为一个子单位工程。4.0.4分部工程项目划分的原则:基本按建筑物或构筑物工程的部位划分,同时兼顾专业性质;当分部工程较大或较复杂时,可按材料种类、施工特点、施工程序、专业系统及类别等划分为若干子分部工程。附属工程或非生产建筑单位工程参照表4.0.1-2的原则划分。4.0.5分项工程划分的原则:建筑物或构筑物工程基本按主要工种或材料、施工工艺、设备类别等工程划分;建筑设备安装工程一般按用途、种类及设备组别等划分;分项工程可由一个或若干检验批组成。4.0.6检验批的划分原则:按同一的生产条件或工艺、工序阶段或按规定的方式汇总,由一定数量样本组成的检验体,可根据施工及质量控制和专业验收需要按楼层、施工区段、变形缝等进行划分。4.0.7木结构和智能建筑工程及水消防工程外的特殊消防工程,在工程实际使用时,应根据国家有关标准规定,按本部分质量验收及评定范围划分的原则增列。4.0.8各工程均应按照表4.0.1-1及表4.0.1-2的基本模式,结合工程具体情况,制定工程项目的质量验收及评定范围。质量验收及评定范围表可由承建工程的施工单位编制,监理单位审查,建设单位确认。第2页共124页第1页共124页编号:时间:2021年x月x日书山有路勤为径,学海无涯苦作舟页码:第2页共124页表4.0.1-1质量验收及评定范围表工程编号工程名称验收单位本部分编号系统单位工程子单位工程分部工程子分部工程分项工程检验批施工单位︵项目部︶勘测单位设计单位监理单位建设单位01热力系统001主厂房地下结构√√√√01汽机间地下结构√√√√01土(石)方工程√√√√01土(石)方开挖、回填√√√√01定位及高程控制√√01定位及高程控制√√表5.2.102挖方√√01土方开挖√√表5.3.1(表5.3.3)03回填√√01回填√√表5.3.202开挖支护工程√√01降水与排水√√01降水与排水√√表5.3.1102成孔√√01成孔√√表5.4.23~表5.4.2503灌注桩钢筋√√01钢筋加工√√表5.10.502钢筋连接与钢筋笼√√表5.4.2604混凝土灌注桩√√01混凝土原材料及配合比√√表5.10.702混凝土灌注桩√√表5.4.2705水泥搅拌桩√√01水泥搅拌桩√√表5.3.606锚杆及土钉墙支护工程√√01锚杆及土钉墙支护工程√√表5.3.7第3页共124页第2页共124页编号:时间:2021年x月x日书山有路勤为径,学海无涯苦作舟页码:第3页共124页工程编号工程名称验收单位本部分编号系统单位工程子单位工程分部工程子分部工程分项工程检验批施工单位︵项目部︶勘测单位设计单位监理单位建设单位02地基处理工程√√√√√01先张法预应力管桩√√√√01先张法预应力管桩√√01先张法预应力管桩√√表5.4.1601001010202混凝土预制方桩√√√√02模板√√01模板安装√√表5.4.1702模板拆除√√表5.10.403钢筋√√01钢筋加工√√表5.10.502钢筋骨架√√表5.4.1804混凝土√√01混凝土原材料及配合比√√表5.10.702混凝土施工√√表5.10.803混凝土预制桩外观及尺寸偏差√√表5.4.1905打桩√√01打桩√√表5.4.2003钢桩√√√√01钢桩(成品钢桩质量检验)√√01钢桩(成品钢桩质量检验)√√表5.4.2102钢桩(钢桩施工质量检验)√√01钢桩(钢桩施工质量检验)√√表5.4.2204混凝土灌注桩√√√√01成孔√√01灌注桩成孔√√表5.4.23~表5.4.2502混凝土灌注桩钢筋√√01钢筋加工√√表5.10.502钢筋笼√√表5.4.2603灌注桩√√01混凝土原材料及配合比√√表5.10.7...

1、当您付费下载文档后,您只拥有了使用权限,并不意味着购买了版权,文档只能用于自身使用,不得用于其他商业用途(如 [转卖]进行直接盈利或[编辑后售卖]进行间接盈利)。
2、本站所有内容均由合作方或网友上传,本站不对文档的完整性、权威性及其观点立场正确性做任何保证或承诺!文档内容仅供研究参考,付费前请自行鉴别。
3、如文档内容存在违规,或者侵犯商业秘密、侵犯著作权等,请点击“违规举报”。

碎片内容

房建质量验收及评定范围

精品中小学文档+ 关注
实名认证
内容提供者

精品资料,值得下载

相关文档

确认删除?
VIP
微信客服
  • 扫码咨询
会员Q群
  • 会员专属群点击这里加入QQ群
客服邮箱
回到顶部