电脑桌面
添加小米粒文库到电脑桌面
安装后可以在桌面快捷访问

回弹试验记录表(数据)VIP免费

回弹试验记录表(数据)_第1页
1/6
回弹试验记录表(数据)_第2页
2/6
回弹试验记录表(数据)_第3页
3/6
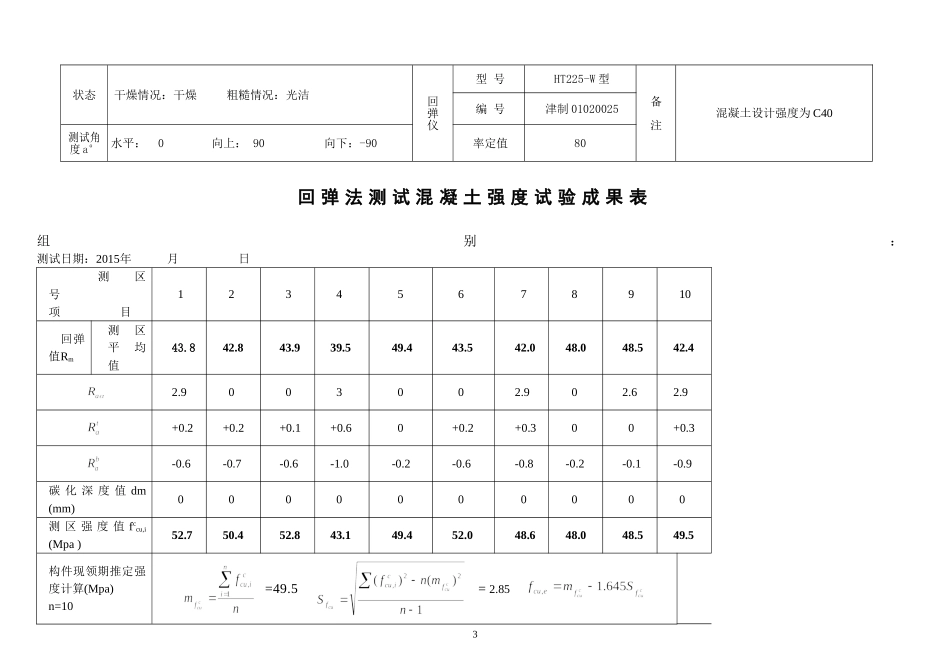
回弹试验1试验的目的及意义(1)了解回弹仪的基本构造、基本性能、工作原理和使用方法(2)掌握回弹法检测混凝土强度的基本步骤和方法(3)培养结构试验的动手能力和科学研究的分析能力2试验的适用范围适用于工程结构普通混凝土抗压强度的检测,不适用于表层与内部质量有明显差异或内部存在缺陷的混凝土结构或构件的检测。3试验的仪器设备数显式回弹仪4执行技术标准《回弹法检测混凝土抗压强度技术规程》(JGJ/T23-2011)5试验的操作步骤每位同学各自选取一个测区,每测区面积约20×20cm2,每测区弹击16个点。构件测区的选择应符合下列要求:(1)对长度不小于3m的构件,其测区数不少于10个,对长度小于3m且高度低于0.6的构件,其测区数量可适当减少,但不应少于5个。本次试验选择了一块大型混凝土梁板作为试验体,大组成员每人测一个测区,共13个;(2)相邻两测区的间距应控制在2m以内,测区离构件边缘的距离不宜大于0.5m;(3)测区应选在使回弹仪处于水平方向,检测混凝土浇筑侧面。当不能满足这一要求时,方可选在使回弹仪处于非水平方向,检测混凝土浇筑侧面、表面或底面;(4)测区宜选在构件的两个对称可测面上,也可选在一个可测面上,且应均匀分布。在构件的受力部位及薄弱部位必须布置测区,并应避开预埋件;(5)检测面应为原状混凝土面,并应清洁、平整,不应有、疏松层、浮浆、油垢以及蜂窝、麻面,必面时可用砂轮清除疏松层和杂物,且不应有残留的粉末或碎屑;1(6)对于弹击时会产生颤动的薄壁、小型构件应设置支撑固定。结构或构件的测区应标有清晰的编号,必要时应在记录纸上描述。6试验数据回弹法测试混凝土强度试验记录表组别:第六大组测试日期:2015年10月27日编号12345678910111213141516Rm碳化深度Li(mm)测面测试人构件测区4547454244444444434344454442374343.80顶面谭勇飞4443414843414143444342434243434342.80侧面梁康4645454745454744454040424541404243.90侧面王超4334404238414034403544403837395039.50顶面饶佳俊4852555351515152514748484544444749.40侧面陶悦4344434439434446464442464343434443.50侧面叶帅杰3744414547435047533938423937423742.00顶面李立峰4647474854535049484645464649505048.00侧面温守亮4848504251465248485039464754495448.50顶面温守亮4142434347373943434344474042394542.40顶面李中海2状态干燥情况:干燥粗糙情况:光洁回弹仪型号HT225-W型备注混凝土设计强度为C40编号津制01020025测试角度a°水平:0向上:90向下:-90率定值80回弹法测试混凝土强度试验成果表组别:测试日期:2015年月日测区号项目12345678910回弹值Rm测区平均值43.842.843.939.549.443.542.048.048.542.42.9003002.902.62.9+0.2+0.2+0.1+0.60+0.2+0.300+0.3-0.6-0.7-0.6-1.0-0.2-0.6-0.8-0.2-0.1-0.9碳化深度值dm(mm)0000000000测区强度值fccu,i(Mpa)52.750.452.843.149.452.048.648.048.549.5构件现领期推定强度计算(Mpa)n=10=49.5=2.853强度评定值fcu.e(Mpa)44.890%强度最小值fcu.min(MPa)43.1使用测区强度换算表名称全国统一曲线JGJ/T23-2011备注7试验数据处理(1)结构或构件混凝土强度的确定,从每个测位的16个回弹值中,分别剔除最大值、最小值,将余下的14个回弹值计算平均值,以R表示。构件强度平均值计算:=49.5MPa式中:——构件混凝土强度平均值(Mpa),精确到0.1Mpa。——试样第i测区混凝土强度值(Mpa),精确到0.1Mpa。最终计算砂浆强度值为10.0Mpa。(2)强度标准差计算:=2.85Mpa式中:——结构或构件混凝土强度的标准差(Mpa),精确到0.01Mpa。(3)强度推定方法:本次试验为批量检测(大于10个),所以按下列公式计算构件混凝土强度推定值4=44.8Mpa备注:构件混凝土强度推定值是指相应于强度换算值总体分布中保证率不低于95%的强度值。(4)平均碳化深度每个测位的平均碳化深度,应取该测量值的算术平均值,以d表示,精确至0.5mm。8试验成果分析及工程应用(1)试验成果分析回归方程式强度平均相对误差:=11.0%<15.0%符合规范要求。(2)回归方程强度相对标准差:5=1.8%<18.0%符合规范要求。9结果与建议(1)用回弹法检测混凝土强度,是比较高效简便的方法。(2)为了是结果更加准确,建议多做几组试验,以便获得更多的数据。(3)在操作时要严格按照规程,以减少误差。6

1、当您付费下载文档后,您只拥有了使用权限,并不意味着购买了版权,文档只能用于自身使用,不得用于其他商业用途(如 [转卖]进行直接盈利或[编辑后售卖]进行间接盈利)。
2、本站所有内容均由合作方或网友上传,本站不对文档的完整性、权威性及其观点立场正确性做任何保证或承诺!文档内容仅供研究参考,付费前请自行鉴别。
3、如文档内容存在违规,或者侵犯商业秘密、侵犯著作权等,请点击“违规举报”。

碎片内容

回弹试验记录表(数据)

您可能关注的文档

确认删除?
VIP
微信客服
  • 扫码咨询
会员Q群
  • 会员专属群点击这里加入QQ群
客服邮箱
回到顶部