电脑桌面
添加小米粒文库到电脑桌面
安装后可以在桌面快捷访问

6楼基础工程检验批验收记录表VIP免费

6楼基础工程检验批验收记录表_第1页
1/89
6楼基础工程检验批验收记录表_第2页
2/89
6楼基础工程检验批验收记录表_第3页
3/89
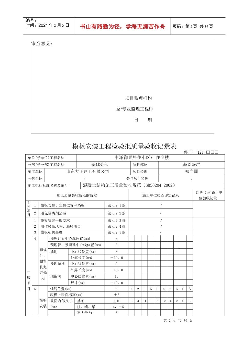
第1页共89页编号:时间:2021年x月x日书山有路勤为径,学海无涯苦作舟页码:第1页共89页A4基础垫层模板安装报验申请表工程名称:丰泽御景居住小区6#住宅楼编号:致:滨州市工程建设监理公司(监理单位)我单位已完成了基础垫层模板安装工作,现报上该工程报验申请表,请予以审查和验收。附件:模板安装工程检验批质量验收记录表承包单位(章)项目经理日期第2页共89页第1页共89页编号:时间:2021年x月x日书山有路勤为径,学海无涯苦作舟页码:第2页共89页审查意见:项目监理机构总/专业监理工程师日期模板安装工程检验批质量验收记录表鲁JJ—121-□□□单位(子单位)工程名称丰泽御景居住小区6#住宅楼分部(子分部)工程名称基础分部验收部位基础垫层施工单位山东方正建工有限公司项目经理郑立周分包单位/分包项目经理/施工执行标准名称及编号混凝土结构施工质量验收规范(GB50204-2002)施工质量验收规范的规定施工单位检查评定记录监理(建设)单位验收记录主控项目1模板支撑、立柱位置和垫板第4.2.1条√2避免隔离剂沾污第4.2.2条/一般项目1模板安装一般要求第4.2.3条√2用作模板地坪、胎膜质量第4.2.4条√3模板起拱高度第4.2.5条/4预埋件、预留孔允许偏差预埋钢板中心线位置(mm)3预埋管、预留孔中心线位置(mm)3插筋中心线位置(mm)5外露长度(mm)+10,0预埋螺栓中心线位置(mm)2外露长度(mm)+10,0预留洞中心线位置(mm)10尺寸(mm)+10,05模板安装轴线位置(mm)54235042503底模上表面标高(mm)±5截面内部尺寸(mm)基础±10-23-113-24203柱、墙、梁+4,-5不大于5m6第3页共89页第2页共89页编号:时间:2021年x月x日书山有路勤为径,学海无涯苦作舟页码:第3页共89页允许偏差层高垂直度(mm)大于5m8相邻两板表面高低差(mm)2表面平整度(mm)5施工单位检查评定结果专业工长(施工员)施工班组长主控项目、一般项目全部合格,符合施工质量验收规范要求。项目专业质量检查员:年月日监理(建设)单位验收结论专业监理工程师:(建设单位项目专业技术负责人):年月日山东省建设工程质量监督总站监制混凝土浇灌申请书鲁JJ-010-□□□工程名称丰泽御景居住小区6#住宅楼申请浇灌日期年月日申请浇灌部位基础垫层申请方量(m3)M3技术要求混凝土结构工程施工验收规范GB50204-2002强度等级C20搅拌方式(搅拌站名称)岩浩商混申请人依据:施工图纸(施工图号结施01、)、设计变更/洽商(编号)和有关规范、规程施工准备检查专业工长(质检员)签字备注1.隐检情况:已□未完成隐检2.预检情况:已□未完成预检3.水电预埋情况:已□未完成并未检查4.施工组织情况:已□未完备5.机械设备准备情况:已□未准备6.保温及有关准备:已□未完备第4页共89页第3页共89页编号:时间:2021年x月x日书山有路勤为径,学海无涯苦作舟页码:第4页共89页施工单位意见:同意浇注□整改后自行浇注□不同意,整改后重新申请项目(专业)技术负责人:核准日期:施工单位名称:山东方正建工有限公司监理单位(建设单位)审批意见:审批结论:同意浇注□整改后自行浇注□不同意,整改后重新申请项目监理工程师(建设单位项目技术负责人):监理单位名称(建设单位名称):滨州市工程建设监理公司审批日期:山东省建设工程质量监督总站监制A4基础垫层混凝土施工报验申请表工程名称:丰泽御景居住小区6#住宅楼编号:第5页共89页第4页共89页编号:时间:2021年x月x日书山有路勤为径,学海无涯苦作舟页码:第5页共89页致:滨州市工程建设监理公司(监理单位)我单位已完成了基础垫层混凝土施工工作,现报上该工程报验申请表,请予以审查和验收。附件:混凝土施工检验批质量验收记录表承包单位(章)项目经理日期审查意见:项目监理机构总/专业监理工程师日期混凝土施工检验批质量验收记录表鲁JJ-133-□□□单位(子单位)工程名丰泽御景居住小区6#住宅楼第6页共89页第5页共89页编号:时间:2021年x月x日书山有路勤为径,学海无涯苦作舟页码:第6页共89页称分部(子分部)工程名称基础分部验收部位基础垫层施工单位山东方正建工有限公司项目经理郑立周分包单位/分包项目经理/施工执行标准名称及编号混凝土结构工程施工质量验收规范规定(G...

1、当您付费下载文档后,您只拥有了使用权限,并不意味着购买了版权,文档只能用于自身使用,不得用于其他商业用途(如 [转卖]进行直接盈利或[编辑后售卖]进行间接盈利)。
2、本站所有内容均由合作方或网友上传,本站不对文档的完整性、权威性及其观点立场正确性做任何保证或承诺!文档内容仅供研究参考,付费前请自行鉴别。
3、如文档内容存在违规,或者侵犯商业秘密、侵犯著作权等,请点击“违规举报”。

碎片内容

6楼基础工程检验批验收记录表

您可能关注的文档

确认删除?
VIP
微信客服
  • 扫码咨询
会员Q群
  • 会员专属群点击这里加入QQ群
客服邮箱
回到顶部