电脑桌面
添加小米粒文库到电脑桌面
安装后可以在桌面快捷访问

建筑安装施工监理专用表VIP免费

建筑安装施工监理专用表_第1页
1/34
建筑安装施工监理专用表_第2页
2/34
建筑安装施工监理专用表_第3页
3/34
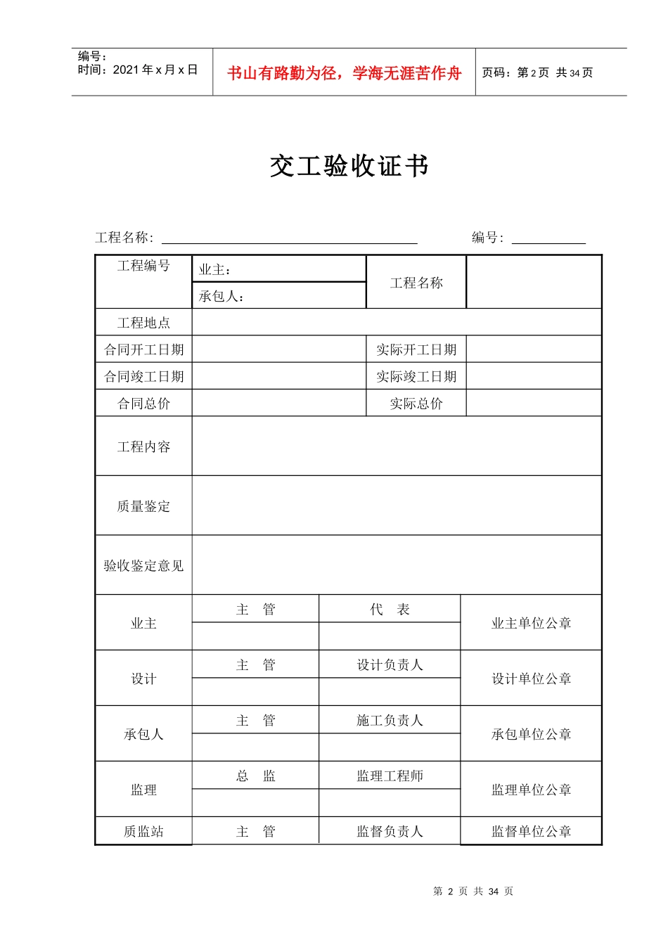
第1页共34页编号:时间:2021年x月x日书山有路勤为径,学海无涯苦作舟页码:第1页共34页中间验收证书工程名称:编号:工程编号业主:工程名称承包人:工程总价交工项目开工日期交工工程价值竣工日期验收日期工程内容质量鉴定验收鉴定意见业主主管代表业主单位公章设计主管设计负责人设计单位公章承包人主管施工负责人承包单位公章监理总监监理工程师监理单位公章质监站主管监督负责人监督单位公章第2页共34页第1页共34页编号:时间:2021年x月x日书山有路勤为径,学海无涯苦作舟页码:第2页共34页交工验收证书工程名称:编号:工程编号业主:工程名称承包人:工程地点合同开工日期实际开工日期合同竣工日期实际竣工日期合同总价实际总价工程内容质量鉴定验收鉴定意见业主主管代表业主单位公章设计主管设计负责人设计单位公章承包人主管施工负责人承包单位公章监理总监监理工程师监理单位公章质监站主管监督负责人监督单位公章第3页共34页第2页共34页编号:时间:2021年x月x日书山有路勤为径,学海无涯苦作舟页码:第3页共34页工程保修终止证书工程名称:编号:工程编号业主:工程名称承包人:工程地点合同交工日期实际交工日期合同保修终止日期实际保修终止日期合同保修价款实际保修价款保修期工程内容质量缺陷修复鉴定保修终止验收鉴定意见承包人主管施工负责人承包单位公章监理总监监理工程师监理单位公章第4页共34页第3页共34页编号:时间:2021年x月x日书山有路勤为径,学海无涯苦作舟页码:第4页共34页业主主管代表业主单位公章施工图会审(审核)记录表工程名称:编号:项目合同编号单位工程名称会审(审核)项目记录序号设计文件(图纸)名称文(图)号会审(审核)意见第5页共34页第4页共34页编号:时间:2021年x月x日书山有路勤为径,学海无涯苦作舟页码:第5页共34页签字栏:日期注:本表一式四份,施工单位接到设计施工图后应及时会审,在规定时间内将会审意见及审核说明随本表一式三份报工程监理部,填表单位留存一份备查。材料/构配件/设备报验单工程名称:编号:监理机构:清单所列工程材料/构配件/设备经检验,符合设计及有关规范要求,请批准使用。名称规格单位数量生产厂家复试单/检验单附件:1、出厂合格证1份2、复试/检验报告份3、准用证份4、商检证份5、份承包人:技术负责人:日期:监理工程师审查意见:第6页共34页第5页共34页编号:时间:2021年x月x日书山有路勤为径,学海无涯苦作舟页码:第6页共34页1、同意2、补充材料3、不同意监理工程师:日期:本表由承包人填报,一式三份,经监理审批后,业主、监理、承包人各一份。施工测量放线报验单工程名称:编号:监理机构:根据工程进度及测量规范的要求,我们已完成的施工放线、请予验收。附件:1、D型挡土墙结构示意图。2、D型挡土墙基础泥面标高记录表。承包人:负责人:日期:工程或部位名称放样内容备注D型档土墙第7页共34页第6页共34页编号:时间:2021年x月x日书山有路勤为径,学海无涯苦作舟页码:第7页共34页监理工程师核验意见:1、查验合格□2、纠正差错后合格□3、纠正差错后再报□监理工程师:日期:建港指挥部领导核验意见:1、验合格□2、纠正差错后合格□3、纠正差错后再报□建港指挥部领导:日期:本表由承包人填报,一式三份,经监理审批后,业主、监理、承包人各一份。单位工程划分计划报审表工程名称:编号:监理机构:现报上本工程单位工程划分计划,请予审查和批准。附件:本工程单位工程划分表承包人:技术负责人:日期:第8页共34页第7页共34页编号:时间:2021年x月x日书山有路勤为径,学海无涯苦作舟页码:第8页共34页监理机构审查意见:总监理工程师:日期:业主审查意见:业主代表:日期:质监站审查意见:监督负责人:日期:本表由承包人填报,一式四份,经监理、业主、质监站审批后,质监站、业主、监理、承包人各一份。施工组织设计(方案)报审表工程名称:编号:第9页共34页第8页共34页编号:时间:2021年x月x日书山有路勤为径,学海无涯苦作舟页码:第9页共34页监理机构:现报上,已经我单位上级技术部门审查批准,请予审查和批准。附件:承包人:技术负责人:日期:监理机构审查意见:监理工...

1、当您付费下载文档后,您只拥有了使用权限,并不意味着购买了版权,文档只能用于自身使用,不得用于其他商业用途(如 [转卖]进行直接盈利或[编辑后售卖]进行间接盈利)。
2、本站所有内容均由合作方或网友上传,本站不对文档的完整性、权威性及其观点立场正确性做任何保证或承诺!文档内容仅供研究参考,付费前请自行鉴别。
3、如文档内容存在违规,或者侵犯商业秘密、侵犯著作权等,请点击“违规举报”。

碎片内容

建筑安装施工监理专用表

您可能关注的文档

精品中小学文档+ 关注
实名认证
内容提供者

精品资料,值得下载

相关文档

确认删除?
VIP
微信客服
  • 扫码咨询
会员Q群
  • 会员专属群点击这里加入QQ群
客服邮箱
回到顶部