电脑桌面
添加小米粒文库到电脑桌面
安装后可以在桌面快捷访问

物料管理调查表(1)VIP专享VIP免费

物料管理调查表(1)_第1页
1/2
物料管理调查表(1)_第2页
2/2
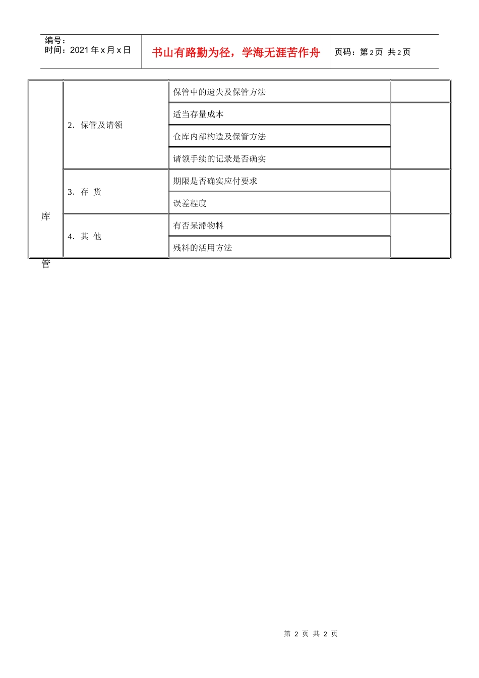
第1页共2页编号:时间:2021年x月x日书山有路勤为径,学海无涯苦作舟页码:第1页共2页物料管理调查表区分调查项目主要检讨事项记事采购管理1.物料计划书计划的橛式及手续是否适当是否与生产计划书相配合2.物料管制材料零件的标准化及常备化存货的管制是否适当3.采购的标准市场本位、时期本位、品质本位供应商的选择标准4.采购价格现行采购价格是否适当是否进行市场调查5.付款方式现行交易方式及价格品质的合适性供应商及付款方式检讨外购管理1.外托工厂的选定设定固定的选择标准能力及技术调查2.指导检查进货时的严格检查不良率的品质问题技术指导3.工程管理工厂及交货期各工场目前的负荷量连结与追踪的合适性4.付款方式单价、付款方式、交货期、品质等仓1.进货检查进货手续检查基准不良品的处理第2页共2页第1页共2页编号:时间:2021年x月x日书山有路勤为径,学海无涯苦作舟页码:第2页共2页库管2.保管及请领保管中的遗失及保管方法适当存量成本仓库内部构造及保管方法请领手续的记录是否确实3.存货期限是否确实应付要求误差程度4.其他有否呆滞物料残料的活用方法

1、当您付费下载文档后,您只拥有了使用权限,并不意味着购买了版权,文档只能用于自身使用,不得用于其他商业用途(如 [转卖]进行直接盈利或[编辑后售卖]进行间接盈利)。
2、本站所有内容均由合作方或网友上传,本站不对文档的完整性、权威性及其观点立场正确性做任何保证或承诺!文档内容仅供研究参考,付费前请自行鉴别。
3、如文档内容存在违规,或者侵犯商业秘密、侵犯著作权等,请点击“违规举报”。

碎片内容

物料管理调查表(1)

确认删除?
VIP
微信客服
  • 扫码咨询
会员Q群
  • 会员专属群点击这里加入QQ群
客服邮箱
回到顶部