电脑桌面
添加小米粒文库到电脑桌面
安装后可以在桌面快捷访问

科室标准化检查及考核办法个VIP免费

科室标准化检查及考核办法个_第1页
1/19
科室标准化检查及考核办法个_第2页
2/19
科室标准化检查及考核办法个_第3页
3/19
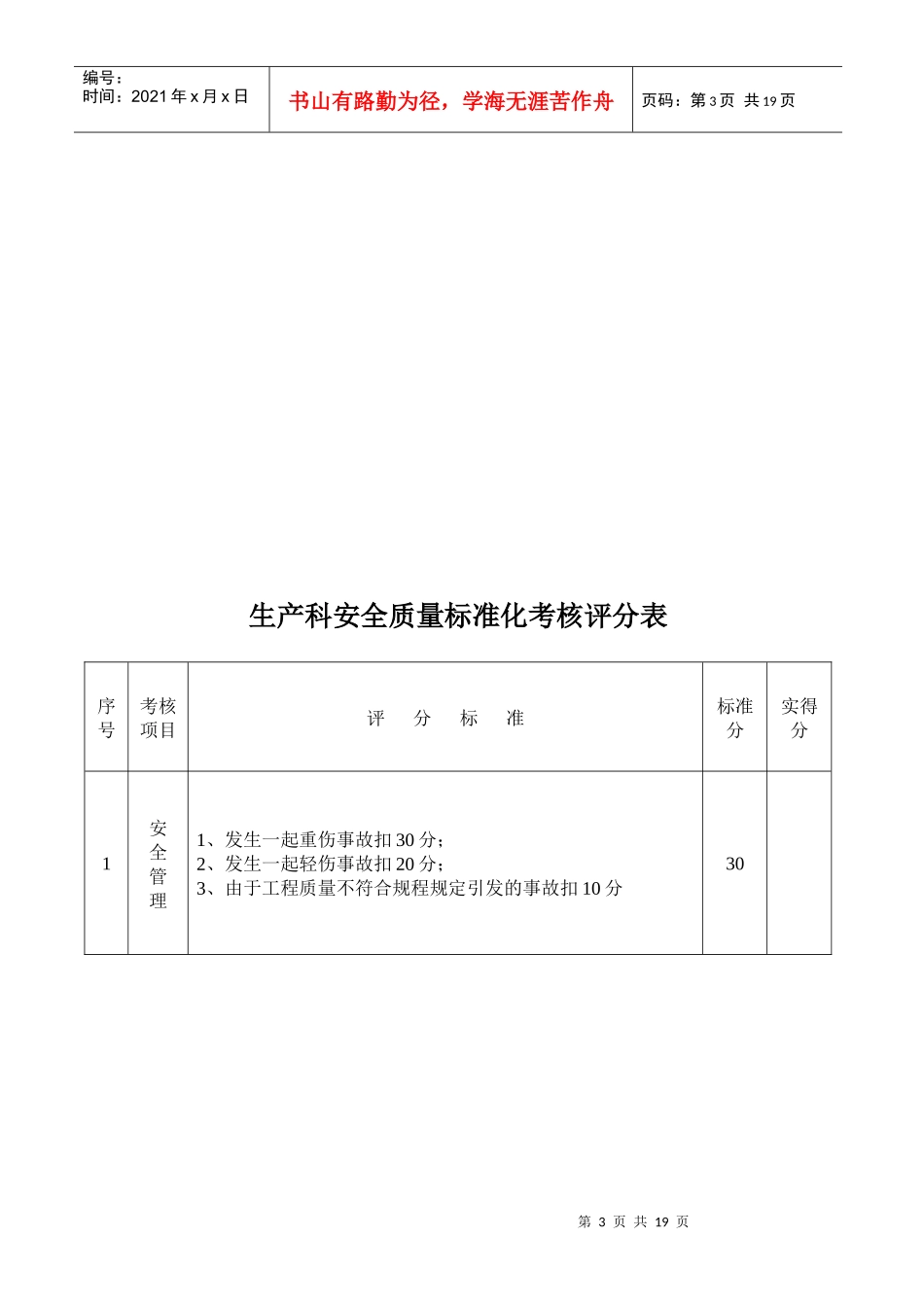
第1页共19页编号:时间:2021年x月x日书山有路勤为径,学海无涯苦作舟页码:第1页共19页科室标准化检查及考核办法安全质量标准化是煤炭行业多年来在工作实践上不断创新、逐步完善的一条行之有效的质量管理体系和方法,为提升我矿安全管理水平,促进我矿安全生产的稳定发展,建立自我约束,持续改进的安全长效机制,结合煤矿安全质量标准化标准和我矿实际情况,现对科室安全质量标准化管理工作的检查及考核作以下规定:一、检查内容1、标准化办公室应根据当月有无重、轻伤事故,以及专业密切相关的责任事故,依据考核评分表进行严格考核。2、认真贯彻执行分管专业技术的上级指导精神及标准规定,做到上面有更新,下面有改进,紧随各种指导精神和新技术标准的步伐。3、加强基础业务管理,对全矿技术业务负专业技术管理责任,对本专业的各项技术业务制定出详细的技术标准。4、积极推广先进管理、设备、工艺,并认真付诸于实际工作,逐步实现管理和设备现代化。5、超前计划,及时编审各专业的作业规程、操作规程和施工技术措施,做到作业、操作以及施工都有据可依。6、科内要分工明确,配合协调,形成浓厚的团队合作氛围。7、标准化基础管理始终能够如一,并进一步完善和巩固,使基础性工作能够稳步推进,并且始终保持。第2页共19页第1页共19页编号:时间:2021年x月x日书山有路勤为径,学海无涯苦作舟页码:第2页共19页二、明确职责1、各科室要理清自己在标准化工作中的职责,明确责任,认真安排好本专业的工作。2、各科室要在年初、月初制定出详细的年计划、月计划,制定本科的工作任务,并按计划认真执行。3、各科室要严格按照质量标准化标准,完善并保持好本专业范围内各项工作。4、科室的各种图纸、报表以及对各连队的考核要及时准确填写上报。三、考核办法1、根据各科室专业性、基础性工作完成情况进行逐项评分考核。2、对各科室存在的各种问题及时反馈,并要求其尽快进行整改,要举一反三,同样的问题不得在以后的工作中重复出现。3、标准化考核按当月各科室总工资的20%进行百分制考核。4、月底标准化办公室将考核结果报生产核算组,核算组负责考核结果。第3页共19页第2页共19页编号:时间:2021年x月x日书山有路勤为径,学海无涯苦作舟页码:第3页共19页生产科安全质量标准化考核评分表序号考核项目评分标准标准分实得分1安全管理1、发生一起重伤事故扣30分;2、发生一起轻伤事故扣20分;3、由于工程质量不符合规程规定引发的事故扣10分30第4页共19页第3页共19页编号:时间:2021年x月x日书山有路勤为径,学海无涯苦作舟页码:第4页共19页2基础管理1、各种材料、记录、台账收集整理齐全并归档保存,不符合规定扣1—5分;采掘类:1)采区工作面资料;2)产量报表;3)采煤工作面过渡支架资料;4)采煤工作面质量标准化验收;5)采煤工作面顶板离层仪监测记录;6)矿压观测记录;7)班评估汇总表;8)工业卫生验收记录;9)顶板动态监测记录;10)乳化液配比记录及乳化液箱过滤部位清理记录;11)规程复查记录;12)支架使用情况记录;13)单体住使用情况记录;20序号考核项目评分标准标准分实得分第5页共19页第4页共19页编号:时间:2021年x月x日书山有路勤为径,学海无涯苦作舟页码:第5页共19页2基础管理14)支护器材台账;15)采煤工作面操作规程资料;16)工程质量等级评估;17)作业规程考试、贯彻记录及复查记录;18)掘进工作面班验收、月验收记录;19)工程质量验收考核及等级评定表;20)井下爆破作业规程;21)掘进进尺报表;22)顶板管理制度;23)掘进面牌板管理台账;24)锚杆、锚索、锚网联合支护工程质量评定表;25)采掘计划说明书。地测防治水类:1)11种图纸;2)贯通测量记录;3)巷道开口贯通、停头、复工、停采及工程进度管理制度;4)地质报告;5)采区地质说明书、回采工作面地质说明书、掘进工作面地质说明书;6)委托书;7)地质预报(年、季、月)装订成册;20序号考核项目评分标准标准分实得分第6页共19页第5页共19页编号:时间:2021年x月x日书山有路勤为径,学海无涯苦作舟页码:第6页共19页2基础管理8)水情水害(年、季、月)预报;9)水害通知单;10)防治水规划和年度计划;11)...

1、当您付费下载文档后,您只拥有了使用权限,并不意味着购买了版权,文档只能用于自身使用,不得用于其他商业用途(如 [转卖]进行直接盈利或[编辑后售卖]进行间接盈利)。
2、本站所有内容均由合作方或网友上传,本站不对文档的完整性、权威性及其观点立场正确性做任何保证或承诺!文档内容仅供研究参考,付费前请自行鉴别。
3、如文档内容存在违规,或者侵犯商业秘密、侵犯著作权等,请点击“违规举报”。

碎片内容

科室标准化检查及考核办法个

您可能关注的文档

确认删除?
VIP
微信客服
  • 扫码咨询
会员Q群
  • 会员专属群点击这里加入QQ群
客服邮箱
回到顶部