电脑桌面
添加小米粒文库到电脑桌面
安装后可以在桌面快捷访问

排放污染物申报登记统计表填报涉及代码表VIP免费

排放污染物申报登记统计表填报涉及代码表_第1页
1/98
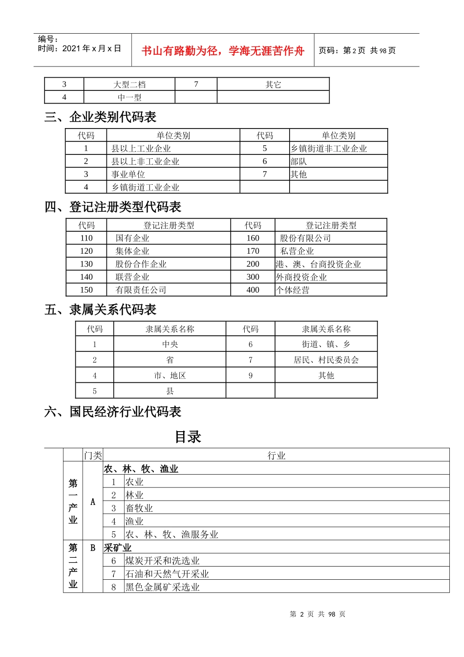
排放污染物申报登记统计表填报涉及代码表_第2页
2/98
排放污染物申报登记统计表填报涉及代码表_第3页
3/98
第1页共98页编号:时间:2021年x月x日书山有路勤为径,学海无涯苦作舟页码:第1页共98页排放污染物申报登记统计表填报涉及代码一、行政区划代码(截止2005年12月31日)610000陕西省610100西安市610101市辖区610102新城区610103碑林区610104莲湖区610111灞桥区610112未央区610113雁塔区610114阎良区610115临潼区610116长安区610122蓝田县610124周至县610125户县610126高陵县二、企业规模代码代码企业规模名称代码企业规模名称1特大型5中二型2大型一档6小型第2页共98页第1页共98页编号:时间:2021年x月x日书山有路勤为径,学海无涯苦作舟页码:第2页共98页3大型二档7其它4中一型三、企业类别代码表代码单位类别代码单位类别1县以上工业企业5乡镇街道非工业企业2县以上非工业企业6部队3事业单位7其他4乡镇街道工业企业四、登记注册类型代码表代码登记注册类型代码登记注册类型110国有企业160股份有限公司120集体企业170私营企业130股份合作企业200港、澳、台商投资企业140联营企业300外商投资企业150有限责任公司400个体经营五、隶属关系代码表代码隶属关系名称代码隶属关系名称1中央6街道、镇、乡2省7居民、村民委员会4市、地区9其他5县六、国民经济行业代码表目录门类行业第一产业A农、林、牧、渔业1农业2林业3畜牧业4渔业5农、林、牧、渔服务业第二产业B采矿业6煤炭开采和洗选业7石油和天然气开采业8黑色金属矿采选业第3页共98页第2页共98页编号:时间:2021年x月x日书山有路勤为径,学海无涯苦作舟页码:第3页共98页9有色金属矿采选业10非金属矿采选业11其他采矿业C制造业13农副食品加工业14食品制造业15饮料制造业16烟草制品业17纺织业18纺织服装、鞋、帽制造业19皮革、毛皮、羽毛(绒)及其制品业20木材加工及木、竹、藤、棕、草制品业21家具制造业22造纸及纸制品业23印刷业和记录媒介的复制24文教体育用品制造业25石油加工、炼焦及核燃料加工业26化学原料及化学制品制造业27医药制造业28化学纤维制造业29橡胶制品业30塑料制品业31非金属矿物制品业32黑色金属冶炼及压延加工业33有色金属冶炼及压延加工业34金属制品业35通用设备制造业36专用设备制造业37交通运输设备制造业39电气机械及器材制造业40通信设备、计算机及其他电子设备制造业41仪器仪表及文化、办公用机械制造业42工艺品及其他制造业43废弃资源和废旧材料回收加工业D电力、燃气及水的生产和供应业44电力、热力的生产和供应业45燃气生产和供应业46水的生产和供应业E建筑业第4页共98页第3页共98页编号:时间:2021年x月x日书山有路勤为径,学海无涯苦作舟页码:第4页共98页47房屋和土木工程建筑业48建筑安装业49建筑装饰业50其他建筑业第三产业F交通运输、仓储和邮政业51铁路运输业52道路运输业53城市公共交通业54水上运输业55航空运输业56管道运输业57装卸搬运和其他运输服务业58仓储业59邮政业G信息传输、计算机服务和软件业60电信和其他信息传输服务业61计算机服务业62软件业H批发和零售业63批发业65零售业I住宿和餐饮业66住宿业67餐饮业J金融业68银行业69证券业70保险业71其他金融活动K房地产业72房地产业L租赁和商务服务业73租赁业74商务服务业M科学研究、技术服务和地质勘查业75研究与试验发展76专业技术服务业77科技交流和推广服务业78地质勘查业第5页共98页第4页共98页编号:时间:2021年x月x日书山有路勤为径,学海无涯苦作舟页码:第5页共98页N水利、环境和公共设施管理业79水利管理业80环境管理业81公共设施管理业O居民服务和其他服务业82居民服务业83其他服务业P教育84教育Q卫生、社会保障和社会福利业85卫生86社会保障业87社会福利业R文化、体育和娱乐业88新闻出版业89广播、电视、电影和音像业90文化艺术业91体育92娱乐业S公共管理和社会组织93中国共产党机关94国家机构95人民政协和民主党派96群众团体、社会团体和宗教组织97基层群众自治组织T国际组织98国际组织代码类别名称说明门类大类中类小类A农、林、牧、渔业本门类包括01-05大类1农业指对各种农作物的种植活动11谷物及其他作物的种植111谷物的种植指以收获籽实为主,供人类食用的农作物的种植,如稻谷、小麦、玉米等农作物的种植112薯类的种植113...

1、当您付费下载文档后,您只拥有了使用权限,并不意味着购买了版权,文档只能用于自身使用,不得用于其他商业用途(如 [转卖]进行直接盈利或[编辑后售卖]进行间接盈利)。
2、本站所有内容均由合作方或网友上传,本站不对文档的完整性、权威性及其观点立场正确性做任何保证或承诺!文档内容仅供研究参考,付费前请自行鉴别。
3、如文档内容存在违规,或者侵犯商业秘密、侵犯著作权等,请点击“违规举报”。

碎片内容

排放污染物申报登记统计表填报涉及代码表

确认删除?
VIP
微信客服
  • 扫码咨询
会员Q群
  • 会员专属群点击这里加入QQ群
客服邮箱
回到顶部