电脑桌面
添加小米粒文库到电脑桌面
安装后可以在桌面快捷访问

设备管理程序表格VIP免费

设备管理程序表格_第1页
1/39
设备管理程序表格_第2页
2/39
设备管理程序表格_第3页
3/39
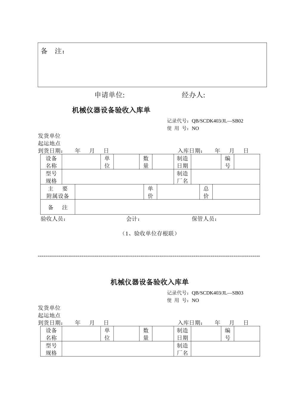
设备物资购置申请表记录代号:QB/SCDK403/JL—SB1使用号:NO年月日设备名称单位数量型号规格单价(元)金额(元)主要配置:技术部门意见:计财部门意见:队意见:备注:申请单位:经办人:机械仪器设备验收入库单记录代号:QB/SCDK403/JL—SB02使用号:NO发货单位起运地点到货日期:年月日入库日期:年月日设备名称单位数量制造日期编号型号规格制造厂名主要附属设备单价总价备注验收人员:会计:保管人员:(1、验收单位存根联)---------------------------------------------------------------------------------------------------------------------机械仪器设备验收入库单记录代号:QB/SCDK403/JL—SB03使用号:NO发货单位起运地点到货日期:年月日入库日期:年月日设备名称单位数量制造日期编号型号规格制造厂名主要附属设备单价总价备注验收人员:会计:保管人员:(1、会计入帐凭证联)机械仪器设备报废鉴定表记录代号:QB/SCDK403/JL—SB04使用号:NO填报单位:填报日期:年月日设备名称生产厂名型号规格出厂编号购置日期规定使用年限设备原值设备净值报废的技术经济依据可以利用的零、部、附件技术鉴定意见签名队审批意见备注设备科:制表人:机械设备事故报告表记录代号:QB/SCDK403/JL—SB05使用号:NO报送单位:(盖章)年月日机械名称型号自编号使用单位发生时间事故发生地点事故责任人性别年龄事故经过及主要原因损失情况基层处理意见队处理意见备注损失情况应包括人员任亡及机械直接经济损失在内设备主管:填表人:设备修理任务单记录代号:QB/SCDK403/JL—SB06使用号:NO送修单位:设备名称型号规格出厂编号制造厂修理类别上次修理类别本次运行里程(时间)要求出厂日期缺件情况:使用中存在的主要问题:对修理要求:计财部门意见:承修部门意见:设备管理部门负责人:经办人:物资申请(采购)计划记录代号QB/SCDK403/JL—SB12使用号NO物资类别:年月日序号物资名称规格单位数量单价(元)金额(元)备注单位主管:物资:制表:物资验收入库单记录代号QB/SCDK403/JL—SB13使用号材料来源编号年月日品名规格单位数量计划价格实际单价应收实收单价总价备注计调稽核保管采购———————————————————————————————物资验收入库单记录代号QB/SCDK403/JL—SB13使用号材料来源编号年月日品名规格单位数量计划价格实际单价应收实收单价总价备注计调稽核保管采购物资合格供方名单记录代号:QB/SCDK403/JL—SB14使用号:NO填表单位(盖章):序号单位名称物资(设备)名称规格地址电话联系人备注1四川省地矿物资总公司钻探设备及材料2北京凯鑫源勘探设备公司钻机北京市3世达物资有限公司金属材料及建筑材料4科汇计算机经营部电脑及配件5石家庄建筑机械厂柴油机及配件石家庄6上海力擎地质有限公司测斜仪及配件上海市7合肥振宇工程机械有限公司挖机等合肥市8四川同创工程机械有限公司装载机等成都市批准:审核:编制:左富东顾客提供产品验证、使用情况报告单记录代号:QB/SCDK403/JL—SB15使用号:NO供货单位产品名称规格型号产品数量到货日期验证情况及意见:验证部门:验证人:日期:验证情况及意见:验证部门:验证人:日期:对存在问题的处理意见:负责人:日期:监视和测量装置明细台账记录代号:QB/SCDK403/JL—SB08使用号:NO序号设备名称型号规格制造厂制造厂编号技术指标制造日期测量范围分辨率填表人:填表日期:年月日审核人:审核日期:年月日监视和测量装置周期检定计划记录代号:QB/SCDK403/JL—SB09使用号:NO序号设备名称规格型号或编号检定周期检定单位最近检定日期送检负责人填表人:填表日期:年月日审核人:审核日期:年月日监视和测量装置周检通知书记录代号:QB/SCDK403/JL—SB10使用号:NO序号仪器设备名称规格型号数量送检日期填表人:填表日期:年月日审核人:审核日期:年月日监视和测量装置降级、报废申报表记录代号:QB/SCDK403/JL—SB11使用号:NO申报单位申报原因申报人:年月日调查情况调查人:年月日处理意见批准人:年月日机电、仪器设备明细台帐记录代号:QB/SCDK403/JL—SB07使用号:NO日期:年月第页序号设备...

1、当您付费下载文档后,您只拥有了使用权限,并不意味着购买了版权,文档只能用于自身使用,不得用于其他商业用途(如 [转卖]进行直接盈利或[编辑后售卖]进行间接盈利)。
2、本站所有内容均由合作方或网友上传,本站不对文档的完整性、权威性及其观点立场正确性做任何保证或承诺!文档内容仅供研究参考,付费前请自行鉴别。
3、如文档内容存在违规,或者侵犯商业秘密、侵犯著作权等,请点击“违规举报”。

碎片内容

设备管理程序表格

您可能关注的文档

精品中小学资料+ 关注
实名认证
内容提供者

精品文档

相关文档

确认删除?
VIP
微信客服
  • 扫码咨询
会员Q群
  • 会员专属群点击这里加入QQ群
客服邮箱
回到顶部