电脑桌面
添加小米粒文库到电脑桌面
安装后可以在桌面快捷访问

节能工程施工记录及检验表VIP免费

节能工程施工记录及检验表_第1页
1/46
节能工程施工记录及检验表_第2页
2/46
节能工程施工记录及检验表_第3页
3/46
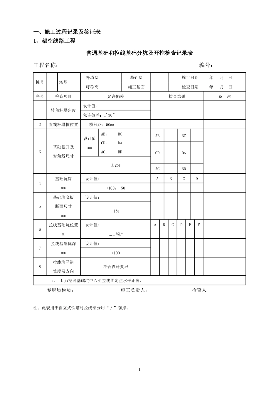
一、施工过程记录及签证表1、架空线路工程普通基础和拉线基础分坑及开挖检查记录表工程名称:编号:桩号塔号杆塔型基础型施工日期年月日呼称高施工基面检查日期年月日序号检查项目允许偏差检查结果备注1转角杆塔角度设计值:允许偏差:1'30″2直线杆塔桩位置横线路:50mm3基础根开及对角线尺寸设计值mmAB:BC:CD:DA:AC:BD:ABBCCDDA±2%ACBD4基础坑深mm设计值:ABCD+100,-505基础坑底板断面尺寸mm设计值:-1%6拉线基础坑位置m设计值:ABCDEF±1%La7拉线基础坑深mm设计值:+1008拉线坑马道坡度及方向符合设计要求aL为拉线基础坑中心至拉线固定点水平距离。专职质检员:施工负责人:检查人注:此表用于自立式铁塔时拉线部分用“/”划掉。1现浇铁塔基础检验记录★工程名称:编号:杆塔号杆塔型施工基面施工日期年月日基础型检查日期年月日序号检查(检验)项目性质质量标准(允许偏差)检查结果1地脚螺栓与钢筋规格、数量关键符合设计要求2混凝土强度关键设计值:试块强度:MPa试验报告编号:不小于设计值3底板断面尺寸mm关键设计值:ABCD-1%4基础埋深mm重要设计值:+100,-505立柱断面尺寸mm重要设计值:-1%6钢筋保护层厚度mm重要-57混凝土表面质量重要符合GB50233—2005第5.2.13条规定8整基基础中心位移mm重要顺线路:30横线路:309整基基础扭转重要一般塔:10′高塔:5′10回填土重要符合GB50233—2005第4.O.7~4.O.9条规定11同组地脚螺栓中心与立柱中心偏移mm一般1012基础顶面间高差mm一般513基础根开及对角线尺寸一般设计值AB:BC:CD:DA:AC:BD:AB:BC:CD:DA:2mm螺栓式±2‰AC:BD:备注监理人员:专职质检员:施工负责人:检查人混凝土电杆基础检查记录工程名称:编号:杆号杆型施工基面施工日期年月日基础型检查日期年月日序号检查(检验)项目性质质量标准(允许偏差)检查结果1预制件规格、数量关键符合设计和GB50233—2005第2.0.19条规定2预制件强度关键符合设计要求设计值:试块强度:MPa试验报告编号:3铁件、金具规格、数量关键符合设计要求4底盘埋深mm关键设计值:+100.-505卡盘埋深mm关键设计值上盘:上下下盘:±506拉盘埋深mm关键设计值:ABCDEF+1007拉线盘中心位移mm—般★沿拉线方向,其左、右:1%L。★沿拉线方向,其前、后:1°8底盘高差关键电杆组立后符合GB50233—2005第6.1.8条规定9基础中心位移mm关键顺线路50横线路5010回填土关键符合GB50233—2005第4.0.7~4.0.9条规定11根开偏差mm一般设计值:335kV及以下≤±30mm12迈步mm—般35kV及以下≤30mm13拉线棒外观无弯曲、无锈蚀、回头方向一致、整齐注:底盘高差以立杆后横担安装孔高差为准。aL为拉线盘中心至拉线挂点水平距离。bD为两底盘根开值。★检测结果中填写最大值;1、2两项指“三盘”专职质检员:施工负责人:检查人灌注桩基础检验记录★工程名称:编号:杆号杆型施工基面施工日期年月日基础型检查日期年月日序号检查(检验)项目性质质量标准(允许偏差)检查结果ABCD1地脚螺栓及钢筋规格、数量关键符合设计要求2混凝土强度关键不小于设计值设计值:试块强度MPa试验报告编号:3桩深mm关键不小于设计值设计值:4清孔关键符合设计要求5充盈系数a关键单桩设计:计算体积:m3实际灌注量一般土软土不小于1不小于1充盈系数6桩径m重要设计值:符合灌注桩设计和施工规程JGJ4—1980第3.2.3条规定7连梁(承台)标高重要不小于设计值4m设计值:8桩顶清淤重要符合二次浇注要求9混凝土表面质量重要符合GB50233—2005第5.2.13条规定10桩钢筋保护层厚度mm重要水下-20非水下-1011连梁(承台)断面尺寸mm重要设计值:ABBCCDDA-1%12连梁钢筋保护层厚度mm重要-513整基基础中心位移mm重要顺线路30横线路3014整基基础扭转重要一般塔10高塔515同组地脚螺栓中心与立柱中心偏移mm一般10ABCD16基础顶面间高差mm一般517基础根开及对角线尺寸mm一般设计值AB:BC:CD:DA:AB:BC:CD.DA:螺栓式±2‰AC:BD:a充盈系数是指实际灌注量与按设计桩身直径计算体积之比。监理人员:专职质检员:施工负责人:检查人自立式铁塔组立检验记录★工程名称:编号:桩号塔号塔型呼称高施工日期年月日塔全高检查日期年月日序号检查(检验)项...

1、当您付费下载文档后,您只拥有了使用权限,并不意味着购买了版权,文档只能用于自身使用,不得用于其他商业用途(如 [转卖]进行直接盈利或[编辑后售卖]进行间接盈利)。
2、本站所有内容均由合作方或网友上传,本站不对文档的完整性、权威性及其观点立场正确性做任何保证或承诺!文档内容仅供研究参考,付费前请自行鉴别。
3、如文档内容存在违规,或者侵犯商业秘密、侵犯著作权等,请点击“违规举报”。

碎片内容

节能工程施工记录及检验表

确认删除?
VIP
微信客服
  • 扫码咨询
会员Q群
  • 会员专属群点击这里加入QQ群
客服邮箱
回到顶部