电脑桌面
添加小米粒文库到电脑桌面
安装后可以在桌面快捷访问

消防安全重点单位审批表VIP免费

消防安全重点单位审批表_第1页
1/10
消防安全重点单位审批表_第2页
2/10
消防安全重点单位审批表_第3页
3/10
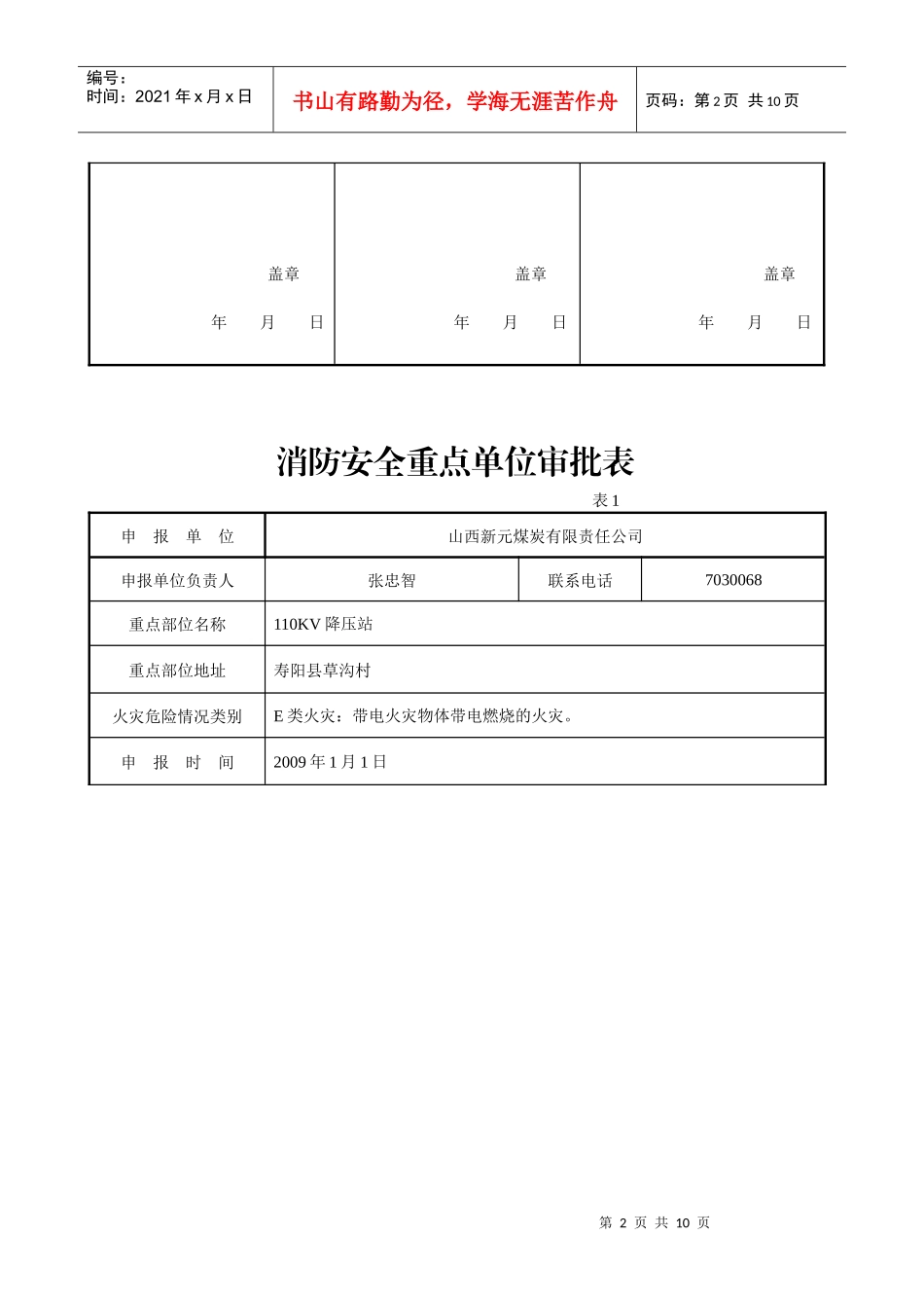
第1页共10页编号:时间:2021年x月x日书山有路勤为径,学海无涯苦作舟页码:第1页共10页消防安全重点单位审批表表1申报单位山西新元煤炭有限责任公司申报单位负责人张忠智联系电话7030068重点部位名称35KV降压站重点部位地址寿阳县冀家垴火灾危险情况类别E类火灾:带电火灾物体带电燃烧的火灾。申报时间2009年1月1日申报理由根据《机关、团体、企业事业单位消防安全管理规定》的(公安部61号令)第十三条第七款的规定,我单位35kv降压站各部位,基本情况经核实符合十三条七款的规定应确定为消防安全重点单位,妥否。请指示申报单位(章)2009年1月1日基层防火办意见公司防火办意见公安消防部门意见第2页共10页第1页共10页编号:时间:2021年x月x日书山有路勤为径,学海无涯苦作舟页码:第2页共10页盖章年月日盖章年月日盖章年月日消防安全重点单位审批表表1申报单位山西新元煤炭有限责任公司申报单位负责人张忠智联系电话7030068重点部位名称110KV降压站重点部位地址寿阳县草沟村火灾危险情况类别E类火灾:带电火灾物体带电燃烧的火灾。申报时间2009年1月1日第3页共10页第2页共10页编号:时间:2021年x月x日书山有路勤为径,学海无涯苦作舟页码:第3页共10页申报理由根据《机关、团体、企业事业单位消防安全管理规定》的(公安部61号令)第十三条第七款的规定,我单位110kv降压站部位,基本情况经核实符合十三条七款的规定应确定为消防安全重点单位,妥否。请指示申报单位(章)2009年1月1日基层防火办意见公司防火办意见公安消防部门意见盖章年月日盖章年月日盖章年月日消防安全重点单位审批表表1申报单位山西新元煤炭有限责任公司申报单位负责人张忠智联系电话7030068重点部位名称胶轮车队第4页共10页第3页共10页编号:时间:2021年x月x日书山有路勤为径,学海无涯苦作舟页码:第4页共10页重点部位地址寿阳县草沟村火灾危险情况类别B类(液体或可熔化的固体物质火灾。)申报时间2009年1月1日申报理由根据《机关、团体、企业事业单位消防安全管理规定》的(公安部61号令)第十三条第八款的规定,我单位胶轮车队部位,基本情况经核实符合十三条八款的规定应确定为消防安全重点单位,妥否。请指示申报单位(章)2009年1月1日基层防火办意见集团公司防火办意见公安消防部门意见盖章年月日盖章年月日盖章年月日消防安全重点单位审批表表1申报单位山西新元煤炭有限责任公司第5页共10页第4页共10页编号:时间:2021年x月x日书山有路勤为径,学海无涯苦作舟页码:第5页共10页申报单位负责人张忠智联系电话7030068重点部位名称瓦斯泵站重点部位地址寿阳县冀家垴火灾危险情况类别C类火灾:气体火灾。申报时间2009年1月1日申报理由根据《机关、团体、企业事业单位消防安全管理规定》的(公安部61号令)第十三条第八款的规定,我单位瓦斯泵站部位,基本情况经核实符合十三条八款的规定应确定为消防安全重点单位,妥否。请指示申报单位(章)2009年1月1日基层防火办意见公司防火办意见公安消防部门意见盖章年月日盖章年月日盖章年月日消防安全重点单位审批表第6页共10页第5页共10页编号:时间:2021年x月x日书山有路勤为径,学海无涯苦作舟页码:第6页共10页表1申报单位山西新元煤炭有限责任公司申报单位负责人张忠智联系电话7030068重点部位名称主扇机房重点部位地址寿阳县冀家垴火灾危险情况类别E类火灾:带电火灾物体带电燃烧的火灾。申报时间2009年1月1日申报理由根据《机关、团体、企业事业单位消防安全管理规定》的(公安部61号令)第十三条第十一款的规定,我单位主扇机房部位,基本情况经核实符合十三条十一款的规定应确定为消防安全重点单位,妥否。请指示申报单位(章)2009年1月1日基层防火办意见公司防火办意见公安消防部门意见第7页共10页第6页共10页编号:时间:2021年x月x日书山有路勤为径,学海无涯苦作舟页码:第7页共10页盖章年月日盖章年月日盖章年月日消防安全重点单位审批表表1申报单位山西新元煤炭有限责任公司申报单位负责人张忠智联系电话7030068重点部位名称综采检修车间重点部位地址寿阳县草沟村火灾危险情况类别D类火灾:金属火灾。申报时间2009年1月1日第8页共10...

1、当您付费下载文档后,您只拥有了使用权限,并不意味着购买了版权,文档只能用于自身使用,不得用于其他商业用途(如 [转卖]进行直接盈利或[编辑后售卖]进行间接盈利)。
2、本站所有内容均由合作方或网友上传,本站不对文档的完整性、权威性及其观点立场正确性做任何保证或承诺!文档内容仅供研究参考,付费前请自行鉴别。
3、如文档内容存在违规,或者侵犯商业秘密、侵犯著作权等,请点击“违规举报”。

碎片内容

消防安全重点单位审批表

您可能关注的文档

确认删除?
VIP
微信客服
  • 扫码咨询
会员Q群
  • 会员专属群点击这里加入QQ群
客服邮箱
回到顶部