电脑桌面
添加小米粒文库到电脑桌面
安装后可以在桌面快捷访问

特种设备使用单位现场安全监督检查项目表VIP免费

特种设备使用单位现场安全监督检查项目表_第1页
1/14
特种设备使用单位现场安全监督检查项目表_第2页
2/14
特种设备使用单位现场安全监督检查项目表_第3页
3/14
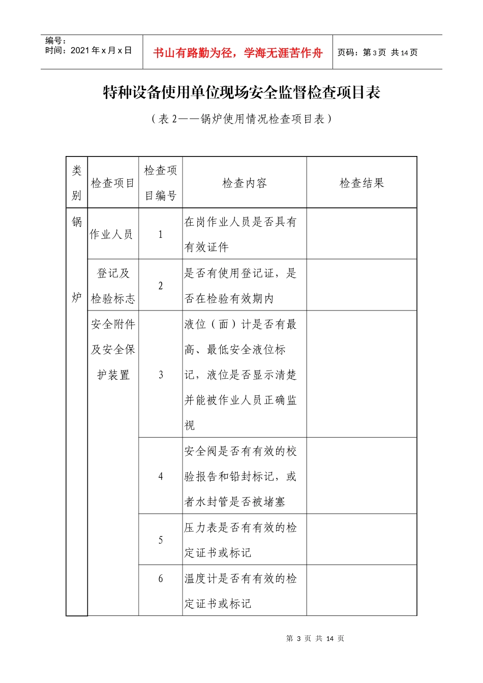
第1页共14页编号:时间:2021年x月x日书山有路勤为径,学海无涯苦作舟页码:第1页共14页附件2:特种设备使用单位现场安全监督检查项目表(表1——使用单位安全管理情况检查项目表)类别检查项目检查项目编号检查内容检查结果单位安全管理机构及制度1是否建立安全管理机构或专兼职管理人员2是否按规定建立安全管理制度和岗位安全责任制度3是否建立事故应急措施、救援预案并有演练记录设备档案4是否建立设备档案,是否齐全,保管是否良好5所抽查设备的定期检验报告是否在有效期内,检验报告中所提出的问题是否整改6所抽查的设备是否按规定进行日常维护保养并有记录第2页共14页第1页共14页编号:时间:2021年x月x日书山有路勤为径,学海无涯苦作舟页码:第2页共14页人员档案7抽查安全管理人员和作业人员证件是否在有效期内8是否有特种设备作业人员培训记录第3页共14页第2页共14页编号:时间:2021年x月x日书山有路勤为径,学海无涯苦作舟页码:第3页共14页特种设备使用单位现场安全监督检查项目表(表2——锅炉使用情况检查项目表)类别检查项目检查项目编号检查内容检查结果锅炉作业人员1在岗作业人员是否具有有效证件登记及检验标志2是否有使用登记证,是否在检验有效期内安全附件及安全保护装置3液位(面)计是否有最高、最低安全液位标记,液位是否显示清楚并能被作业人员正确监视4安全阀是否有有效的校验报告和铅封标记,或者水封管是否被堵塞5压力表是否有有效的检定证书或标记6温度计是否有有效的检定证书或标记第4页共14页第3页共14页编号:时间:2021年x月x日书山有路勤为径,学海无涯苦作舟页码:第4页共14页7仪器仪表显示参数是否与液位计、压力表、温度计一致8是否按规定装有相关保护装置和报警装置运行参数9水位、压力、温度是否在允许范围内10是否及时填写运行记录,记录是否与实际相符本体、阀门、管道状况11是否发现漏气、漏水现象12是否有肉眼可见的损坏(含炉墙)水(介)质处理13是否按规定配备水处理设备或进行锅内水处理14是否有水(介)质化验记录其它15是否存在常压锅炉承压使用或者使用土锅炉等情况第5页共14页第4页共14页编号:时间:2021年x月x日书山有路勤为径,学海无涯苦作舟页码:第5页共14页第6页共14页第5页共14页编号:时间:2021年x月x日书山有路勤为径,学海无涯苦作舟页码:第6页共14页特种设备使用单位现场安全监督检查项目表(表3——压力容器使用情况检查项目表)类别检查项目检查项目编号检查内容检查结果压力容器作业人员1在岗作业人员(含带压密封作业人员)是否按规定具有有效证件登记及检验标志2是否有使用登记证,或检验合格标志是否在检验有效期内安全附件和保护装置3液位计是否有最高、最低安全液位标记,液位是否显示清楚并被能作业人员正确监视4安全阀是否有有效的校验报告和铅封标记5压力表是否有有效的检定证书或标记6温度计是否有有效的检定证书或标记第7页共14页第6页共14页编号:时间:2021年x月x日书山有路勤为径,学海无涯苦作舟页码:第7页共14页7铁路、汽车罐车等是否装设紧急切断装置8快开门式压力容器是否有快开门连锁保护装置9仪器仪表显示参数是否与液位计、压力表、温度计一致运行参数10液位、压力、温度是否在允许范围内11是否及时填写运行记录,记录是否与实际符合本体、阀门状况12是否存在介质泄漏现象13设备的本体是否有肉眼可见的变形第8页共14页第7页共14页编号:时间:2021年x月x日书山有路勤为径,学海无涯苦作舟页码:第8页共14页特种设备使用单位现场安全监督检查项目表(表4——电梯使用情况检查项目表)类别检查项目检查项目编号检查内容检查结果电梯作业人员1现场作业人员是否具有有效证件合格标志及警示标记2是否有安全检验合格标志,并按规定固定在电梯的显著位置,是否在检验有效期内3安全注意事项和警示标志是否置于易于为乘客注意的显著位置安全装置4电梯内设置的报警装置是否可靠,联系是否畅通5呼层、楼层等显示信号系统功能是否有效,指示是否正确6防夹装置是否可靠第9页共14页第8页共14页编号:时间:2021年x月x日书山有路勤为径,学海无涯苦作舟页码:第9页共14页7自动扶梯和自动人行道入口处...

1、当您付费下载文档后,您只拥有了使用权限,并不意味着购买了版权,文档只能用于自身使用,不得用于其他商业用途(如 [转卖]进行直接盈利或[编辑后售卖]进行间接盈利)。
2、本站所有内容均由合作方或网友上传,本站不对文档的完整性、权威性及其观点立场正确性做任何保证或承诺!文档内容仅供研究参考,付费前请自行鉴别。
3、如文档内容存在违规,或者侵犯商业秘密、侵犯著作权等,请点击“违规举报”。

碎片内容

特种设备使用单位现场安全监督检查项目表

您可能关注的文档

确认删除?
VIP
微信客服
  • 扫码咨询
会员Q群
  • 会员专属群点击这里加入QQ群
客服邮箱
回到顶部