电脑桌面
添加小米粒文库到电脑桌面
安装后可以在桌面快捷访问

建设工程竣工验收备案表(全套资料实例)VIP免费

建设工程竣工验收备案表(全套资料实例)_第1页
1/104
建设工程竣工验收备案表(全套资料实例)_第2页
2/104
建设工程竣工验收备案表(全套资料实例)_第3页
3/104
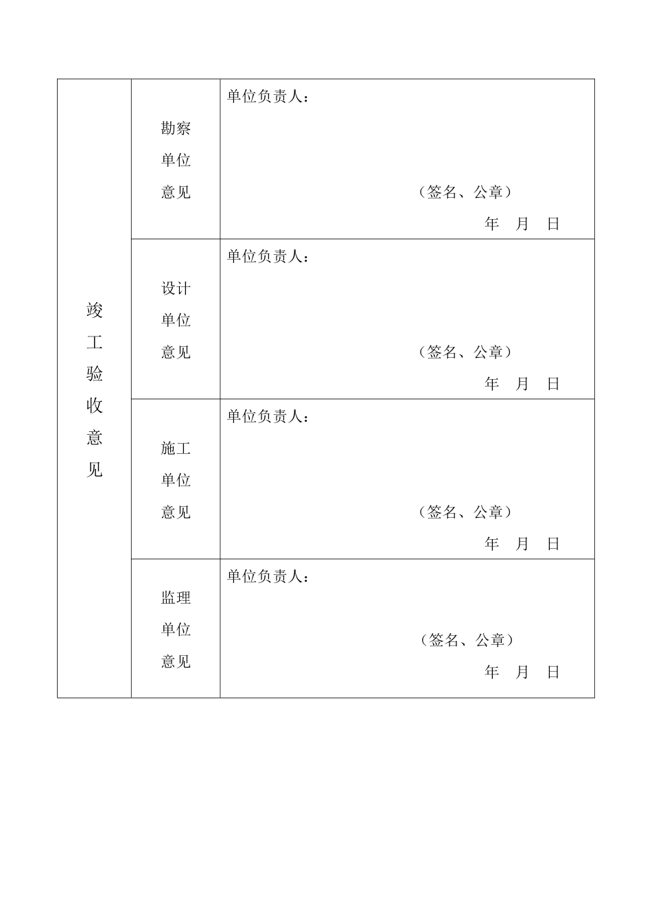
监督登记号:备案号:建设工程竣工验收备案表工程名称:福乐康城建设单位:湖南省建设厅制年月日福乐康城住宅小区4#栋.工程湘质监统编备2002—1共4页第1页竣工验收备案表建设单位名称备案日期工程名称工程地点建筑面积(M2)结构类型工程用途开工日期竣工验收日期施工许可证号施工图审查意见勘察单位名称资质等级设计单位名称资质等级施工单位名称资质等级监理单位名称资质等级工程质量监督机构名称本表一式三份,建设单位、备案机关、房屋产权行政主管部门各一份。共4页第2页竣工验收意见勘察单位意见单位负责人:(签名、公章)年月日设计单位意见单位负责人:(签名、公章)年月日施工单位意见单位负责人:(签名、公章)年月日监理单位意见单位负责人:(签名、公章)年月日建设单位意见单位负责人:(签名、公章)年月日共4页第3页工程竣工验收备案文件目录1、工程竣工验收报告;2、工程施工许可证;3、施工图设计文件审查意见;4、单位工程质量综合验收文件(含施工单位出具的工程施工质量验收申请报告、监理单位出具的工程质量评价报告等);5、市政基础设施的有关质量检测和功能性试验资料;6、规划、公安消防、环保等部门出具的认可文件或者准许使用文件;7、施工单位签署的工程质量保修书;8、商品住宅的《住宅质量保证书》和《住宅使用说明书》;9、法规、规章规定必须提供的其他文件。备案意见………………………………工程的竣工验收备案文件已于……年……..月………日收讫文件……………。(公章)年月日备案机关负责人备案经办人注:表中………内填写齐全或基本齐全,不齐全或其他原因不能备案共4页第4页备案机关处理意见:(公章)年月日注:处理意见主要指建设单位是否违反国家建设部第78号令《房屋建筑工程和市政基础设施工程竣工验收备案管理暂行办法》的有关规定,如有违反行为,则按该办法第八条至第十二条规定处罚。福乐康城住宅小区4#栋湘质监统编备2002—2竣工验收报告长沙县建设局备案办(备案机关):我单位建设的96301部队星沙师职住宅楼单位(子单位)工程,由湖南省建筑材料研究设计院勘测分院勘察,长沙县建筑设计院设计,湖南高岭建设集团施工,湖南方圆工程监理咨询有限公司监理。根据施工图设计文件,该工程为框架结构,最高十二层,总建筑面积11655.7平方米,总造价900万元。该工程于二OO三年五月十五日开工,二OO三年十二月二十六日由建设单位牵头,勘察、设计、施工、监理等单位和其他有关方面的专家组成验收组(委员会),建设单位田惠忠同志担任验收组组长(主任),其验收情况报告如下:一、执行基本建设程序情况:序号程序内容执行程序情况1有无可行性研究报告及立项审批文件、规划许可证等有2地质勘察报告、施工设计图纸(含变更)是否齐全,有无施工图设计文件审查意见有3有无施工、监理中标通知书及其合同和施工许可证等有4在工程施工中,参建各方是否尽职责完成合同约定的内容要求有5其他:共3页第1页二、该单位工程质量的总体评价:验收组(委员会)在验收会上听取了建设、勘察、设计、施工、监理等单位分别汇报工程合同履约情况和在工程建设各个环节执行法律、法规和工程建设强制性标准的情况,审阅了这些参建单位提供的工程档案资料,查验了工程的实体质量,对该单位(子单位)工程建筑施工及设备安装的质量和各管理环节等方面作出的总体评价如下:1、该工程从立项至竣工验收,符合/基本符合中华人民共和国《建设工程质量管理条例》规定的基本建设程序;2、依据勘察、设计、施工、监理单位所承提的任务与其单位的资质、现场执业人员的资格相符合/基本符合,质量保证体系、责任制度完善/较完善、落实/较落实,以及在工程施工过程中执行强制性标准、工作质量、服务态度等情况综合评价:勘察单位的质量行为端正/较端正/不端正,工程管理水平高/较高/低;设计单位的质量行为端正/较端正/不端正,工程管理水平高/较高/低;施工单位的质量行为端正/较端正/不端正,工程管理水平高/较高/低;监理单位的质量行为端正/较端正/不正,工程管理水平高/较高/低。3、验收组通过核查监理单位出具的质量评价报告后,对该单位(子单位)工程的质量控...

1、当您付费下载文档后,您只拥有了使用权限,并不意味着购买了版权,文档只能用于自身使用,不得用于其他商业用途(如 [转卖]进行直接盈利或[编辑后售卖]进行间接盈利)。
2、本站所有内容均由合作方或网友上传,本站不对文档的完整性、权威性及其观点立场正确性做任何保证或承诺!文档内容仅供研究参考,付费前请自行鉴别。
3、如文档内容存在违规,或者侵犯商业秘密、侵犯著作权等,请点击“违规举报”。

碎片内容

建设工程竣工验收备案表(全套资料实例)

您可能关注的文档

确认删除?
VIP
微信客服
  • 扫码咨询
会员Q群
  • 会员专属群点击这里加入QQ群
客服邮箱
回到顶部