电脑桌面
添加小米粒文库到电脑桌面
安装后可以在桌面快捷访问

检验批及验收申请表VIP免费

检验批及验收申请表_第1页
1/107
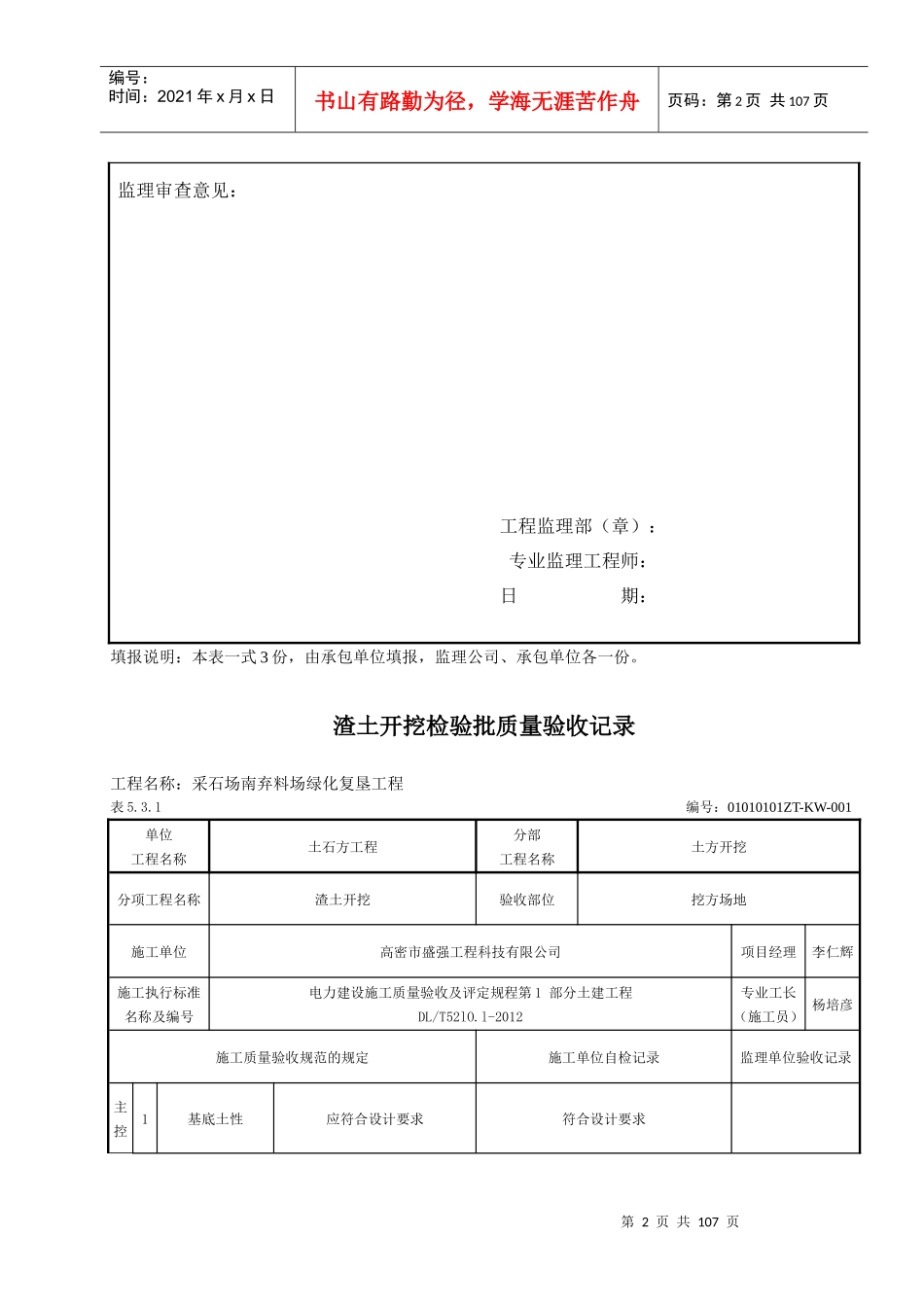
检验批及验收申请表_第2页
2/107
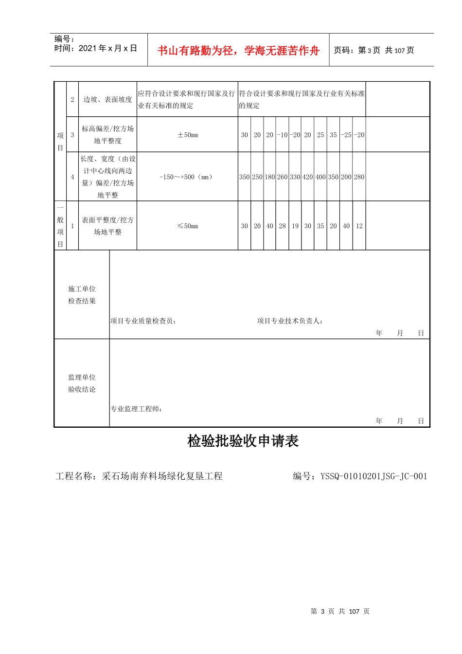
检验批及验收申请表_第3页
3/107
第1页共107页编号:时间:2021年x月x日书山有路勤为径,学海无涯苦作舟页码:第1页共107页检验批验收申请表工程名称:采石场南弃料场绿化复垦工程编号:YSSQ-01010101ZT-KW-001致:北京华夏山川生态环境科技有限公司海阳核电项目部:我方已完成弃料场渣土开挖分项工程,经三级自检合格,具备验收条件,现报上该工程报验申请表,请予以审查验收。附件:渣土开挖检验批质量验收记录承包单位(章):项目经理:日期:第2页共107页第1页共107页编号:时间:2021年x月x日书山有路勤为径,学海无涯苦作舟页码:第2页共107页监理审查意见:工程监理部(章):专业监理工程师:日期:填报说明:本表一式3份,由承包单位填报,监理公司、承包单位各一份。渣土开挖检验批质量验收记录工程名称:采石场南弃料场绿化复垦工程表5.3.1编号:01010101ZT-KW-001单位工程名称土石方工程分部工程名称土方开挖分项工程名称渣土开挖验收部位挖方场地施工单位高密市盛强工程科技有限公司项目经理李仁辉施工执行标准名称及编号电力建设施工质量验收及评定规程第1部分土建工程DL/T52lO.l-2012专业工长(施工员)杨培彦施工质量验收规范的规定施工单位自检记录监理单位验收记录主控1基底土性应符合设计要求符合设计要求第3页共107页第2页共107页编号:时间:2021年x月x日书山有路勤为径,学海无涯苦作舟页码:第3页共107页项目2边坡、表面坡度应符合设计要求和现行国家及行业有关标准的规定符合设计要求和现行国家及行业有关标准的规定3标高偏差/挖方场地平整度±50mm302020-10-20202535-25-204长度、宽度(由设计中心线向两边量)偏差/挖方场地平整-150~+500(mm)350250180260330420400350200280一般项目1表面平整度/挖方场地平整≤50mm30204028193035204012施工单位检查结果项目专业质量检查员:项目专业技术负责人:年月日监理单位验收结论专业监理工程师:年月日检验批验收申请表工程名称:采石场南弃料场绿化复垦工程编号:YSSQ-01010201JSG-JC-001第4页共107页第3页共107页编号:时间:2021年x月x日书山有路勤为径,学海无涯苦作舟页码:第4页共107页致:北京华夏山川生态环境科技有限公司海阳核电项目部:我方已完成截水沟基槽开挖分项工程,经三级自检合格,具备验收条件,现报上该工程报验申请表,请予以审查验收。附件:基槽开挖检验批质量验收记录承包单位(章):项目经理:日期:监理审查意见:工程监理部(章):专业监理工程师:日期:填报说明:本表一式3份,由承包单位填报,监理公司、承包单位各一份。第5页共107页第4页共107页编号:时间:2021年x月x日书山有路勤为径,学海无涯苦作舟页码:第5页共107页基槽开挖检验批质量验收记录工程名称:采石场南弃料场绿化复垦工程表5.3.1编号:01010201JSG-JC-001单位工程名称土石方工程分部工程名称土方开挖分项工程名称基槽开挖验收部位截水沟基槽施工单位高密市盛强工程科技有限公司项目经理李仁辉施工执行标准名称及编号电力建设施工质量验收及评定规程第1部分土建工程DL/T52lO.l-2012专业工长(施工员)杨培彦施工质量验收规范的规定施工单位自检记录监理单位验收记录主控项目1基底土性应符合设计要求符合设计要求2边坡、表面坡度应符合设计要求和现行国家及行业有关标准的规定符合设计要求和现行国家及行业有关标准的规定3标高偏差-50~0(mm)-30-20-20-25-30-35-28--22-19-174长度、宽度(由设计中心线向两边量)偏差-50~+200(mm)190180160160100120908090100一般项目1表面平整度≤20mm1088712861157施工单位检查结果项目专业质量检查员:项目专业技术负责人:年月日第6页共107页第5页共107页编号:时间:2021年x月x日书山有路勤为径,学海无涯苦作舟页码:第6页共107页监理单位验收结论专业监理工程师:年月日检验批验收申请表工程名称:采石场南弃料场绿化复垦工程编号:YSSQ-01010201PSG-JC-001致:北京华夏山川生态环境科技有限公司海阳核电项目部:我方已完成排水沟基槽开挖分项工程,经三级自检合格,具备验收条件,现报上该工程报验申请表,请予以审查验收。附件:基槽开挖检验批质量验收记录承包单位(章):项目经理:日期:第...

1、当您付费下载文档后,您只拥有了使用权限,并不意味着购买了版权,文档只能用于自身使用,不得用于其他商业用途(如 [转卖]进行直接盈利或[编辑后售卖]进行间接盈利)。
2、本站所有内容均由合作方或网友上传,本站不对文档的完整性、权威性及其观点立场正确性做任何保证或承诺!文档内容仅供研究参考,付费前请自行鉴别。
3、如文档内容存在违规,或者侵犯商业秘密、侵犯著作权等,请点击“违规举报”。

碎片内容

检验批及验收申请表

您可能关注的文档

确认删除?
VIP
微信客服
  • 扫码咨询
会员Q群
  • 会员专属群点击这里加入QQ群
客服邮箱
回到顶部