电脑桌面
添加小米粒文库到电脑桌面
安装后可以在桌面快捷访问

伊犁州劳动防护用品安全性能及使用检查表VIP免费

伊犁州劳动防护用品安全性能及使用检查表_第1页
1/6
伊犁州劳动防护用品安全性能及使用检查表_第2页
2/6
伊犁州劳动防护用品安全性能及使用检查表_第3页
3/6
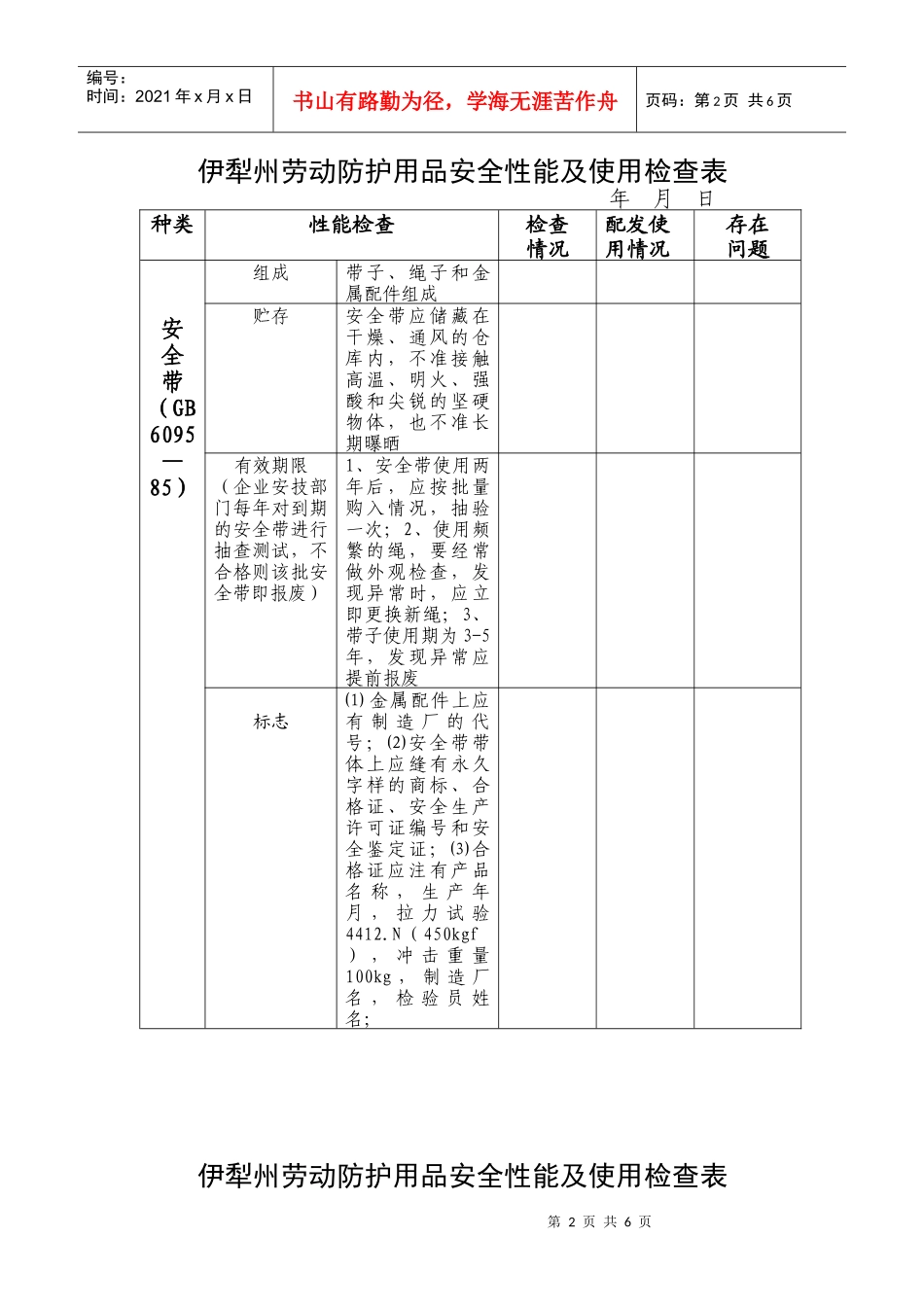
第1页共6页编号:时间:2021年x月x日书山有路勤为径,学海无涯苦作舟页码:第1页共6页伊犁州劳动防护用品安全性能及使用检查表年月日种类性能检查检查情况配发使用情况存在问题安全帽(GB2811—89)组成由帽壳、帽衬、下颏带、后箍组成贮存安全帽不应贮存在酸、碱、高温、日晒、潮湿的处所,更不可和硬物存放在一起有效期限(企业安技部门每年对到期的安全帽进行抽查测试,不合格则该批安全帽即报废)1、从生产之日起,植物枝条编织帽不超过两年;2、塑料帽、纸胶帽不超过两年半;3、玻璃钢(维纶钢)橡胶帽不超过三年标志1、制造厂名称、商标、型号;2、制造年、月;3、生产合格证;4、安全生产许可证编号配备标准1、建筑施工企业除工地料工、警卫外,其他工种每人必须配备一顶安全帽;2、换发一般不应超过48个月。但根据安全帽有效期限和企业安技部门抽查检测情况,如出现不合格,可提前换发抽样检测样品数量Y类12顶第2页共6页第1页共6页编号:时间:2021年x月x日书山有路勤为径,学海无涯苦作舟页码:第2页共6页伊犁州劳动防护用品安全性能及使用检查表年月日种类性能检查检查情况配发使用情况存在问题安全带(GB6095—85)组成带子、绳子和金属配件组成贮存安全带应储藏在干燥、通风的仓库内,不准接触高温、明火、强酸和尖锐的坚硬物体,也不准长期曝晒有效期限(企业安技部门每年对到期的安全带进行抽查测试,不合格则该批安全带即报废)1、安全带使用两年后,应按批量购入情况,抽验一次;2、使用频繁的绳,要经常做外观检查,发现异常时,应立即更换新绳;3、带子使用期为3-5年,发现异常应提前报废标志⑴金属配件上应有制造厂的代号;⑵安全带带体上应缝有永久字样的商标、合格证、安全生产许可证编号和安全鉴定证;⑶合格证应注有产品名称,生产年月,拉力试验4412.N(450kgf),冲击重量100kg,制造厂名,检验员姓名;伊犁州劳动防护用品安全性能及使用检查表第3页共6页第2页共6页编号:时间:2021年x月x日书山有路勤为径,学海无涯苦作舟页码:第3页共6页年月日种类性能检查检查情况配发使用情况存在问题安全带(GB6095—85)标志④每条安全带装在一个塑料袋内,带上印有:产品名称,生产年月,静负荷4412.7N(450kgf),冲击重量100kg,制造厂名称及使用保管注意事项配备标准建筑施工企业从事围杆、悬挂、攀登等高处作业的人员应每人配备一条安全带。换发可根据安全带使用期限和使用频繁情况而定抽样检测样品数量每种型号3条、金属件3个、绳试样3条伊犁州劳动防护用品安全性能及使用检查表年月日第4页共6页第3页共6页编号:时间:2021年x月x日书山有路勤为径,学海无涯苦作舟页码:第4页共6页种类性能检查检查情况配发使用情况存在问题安全网(GB5725—1997)分类包括平网、立网和密目式安全立网,分别由字母P、L、ML代表组成由网体、边绳、系绳等构件组成;密目式安全立网网目密度不低于800目/100cm2,一般由网体、开眼环扣、边绳和附加系绳组成贮存安全网应由专人保管发放,暂时不用的应存放在通风、避光、隔热、无化学品污染的仓库或专用场所有效期限(企业安技部门每年对到期的安全网进行抽查测试,不合格则该批安全网即报废)从生产之日起,超过2年者,应按2‰抽样,不足1000张时抽样2张进行冲击试验标志(立网、平网)①产品名称及分类标记;②网目边长;③制造厂名、厂址;④商标;⑤制造日期(或编号)或生产批号;⑥有效期限;⑦安全生产许可证编号。每张密目网应牢固地缝上包括以上内容的永久性标牌伊犁州劳动防护用品安全性能及使用检查表年月日种类性能检查检查配发使存在第5页共6页第4页共6页编号:时间:2021年x月x日书山有路勤为径,学海无涯苦作舟页码:第5页共6页情况用情况问题安全网(GB5725—1997)安装要求①安全网上的每根系绳都应与支架系结,四周边绳(边缘)应与支架贴紧,系结应符合打结方便,连接牢固又容易解开,工作中受力后不会散脱的原则;有筋绳的安全网安装时还应把筋绳连接在支架上。②平网网面不宜绷得过紧,当网面与作业面高度差大于5m时,其伸出长度应大于4m,当网面与作业面高度差小于5m时,其伸出长度应大于3m,平网与下方物...

1、当您付费下载文档后,您只拥有了使用权限,并不意味着购买了版权,文档只能用于自身使用,不得用于其他商业用途(如 [转卖]进行直接盈利或[编辑后售卖]进行间接盈利)。
2、本站所有内容均由合作方或网友上传,本站不对文档的完整性、权威性及其观点立场正确性做任何保证或承诺!文档内容仅供研究参考,付费前请自行鉴别。
3、如文档内容存在违规,或者侵犯商业秘密、侵犯著作权等,请点击“违规举报”。

碎片内容

伊犁州劳动防护用品安全性能及使用检查表

确认删除?
VIP
微信客服
  • 扫码咨询
会员Q群
  • 会员专属群点击这里加入QQ群
客服邮箱
回到顶部