电脑桌面
添加小米粒文库到电脑桌面
安装后可以在桌面快捷访问

文控作业指导书(标准化)VIP免费

文控作业指导书(标准化)_第1页
1/8
文控作业指导书(标准化)_第2页
2/8
文控作业指导书(标准化)_第3页
3/8
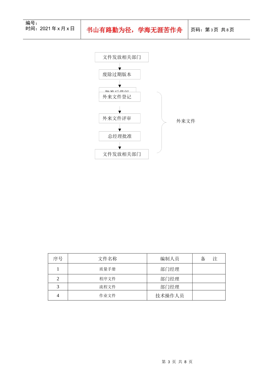
第1页共8页编号:时间:2021年x月x日书山有路勤为径,学海无涯苦作舟页码:第1页共8页文控作业指导书(标准化)2010年5月7日批准:审定:审核:编写:第2页共8页第1页共8页编号:时间:2021年x月x日书山有路勤为径,学海无涯苦作舟页码:第2页共8页1.目的确保质量系统有关文件得到有效控制,进而确保本公司制度、标准、规范等文件保持最新、最适用。2.适用范围本标准适用于金记食品有限公司质量管理活动有关文件制订、审核、批准、发放、使用、保存、变更、修改、废止之处理进行文控作业。3.引用标准下列标准所包含的条文,通过在本指导书中引用而构成本标准的条文。本指导书出版时,所示的版本均为有效。所有标准都会被修订,使用本指导书的各方应探讨使用下列标准最新版本的可能性。3.1《受控文件清单》3.2《受控文件使用/修改/取消申请表》3.3《受控文件发放/回收记录表》3.4《外来文件一览表》3.5《作废文件一览表》3.6《借阅登记表》4.工作程序:4.1标准化作业流程总图内部文件部门经理按标准编写部门受控文件部门经理审核文件文件中涉及的部门参与评审文件检查,归档,保存受控文件复印盖章总经理批准第3页共8页第2页共8页编号:时间:2021年x月x日书山有路勤为径,学海无涯苦作舟页码:第3页共8页外来文件序号文件名称编制人员备注1质量手册部门经理2程序文件部门经理3流程文件部门经理4作业文件技术操作人员总经理批准文件发放相关部门废除过期版本批准后借阅外来文件评审外来文件登记文件发放相关部门第4页共8页第3页共8页编号:时间:2021年x月x日书山有路勤为径,学海无涯苦作舟页码:第4页共8页4.2作业步骤:作业步骤作业程序质量标准关健控制点文件编制质量手册由管理者代表组织编写(目录、方针、目标、组织结构、职责和权限描述、与体系条款的描述、程序文件的引用、职责分配表、程序文件清单等)文件的格式、语言的逻辑与公司文件统一按规范、标准编写《质理手册》程序文件由部门主管编制(依据手册中的定义,详细描述标准中指出的程序文件和组织自己决定的程序文件,根据过程来编写是最基本的方法)流程文件由部门经理编制作业文件由了解过程操作的技术人员或中层领导者编写(是程序文件中某个环节的细化,主要针对关键的过程或没有形成文件就易引起出错的过程)质量记录、表格编号由了解过程的人员编写最合理。(空表单是在阶文件,一旦填写就成为记录,一份好的表单通常需要相关人员的评审,会随时间的推移而变化)评审(审核)各类文件经编写部门/人员编制完成后,由文件的审核人对文件进行评审,当涉及多个部门或内容复杂时可组织相关部门人员采用会议或传递会签方式共同评审字体格式统一,与其文件相容外来文件先登记后组织相关部门人员评审标准、规范批准编成册的受控文件交总经理批准存档编成册的受控文件需要归档,由文控中心按档案管理规定,进行分类、编目、归档各部门独立保管的文件和资料应在文控中心备案以确保文件的可追溯性准确,清晰发放受控文件盖有“受控”标识的印章,并注明分发号。文件经各部门编制完成、批准发布后由各职能部门按批准的发放范围发放,文件领用人应在文件“发文单”上签名,领用相应分发号的文件。同时各部门将本部门发放的文件清单及发放范围报文控中心备案准确,及时第5页共8页第4页共8页编号:时间:2021年x月x日书山有路勤为径,学海无涯苦作舟页码:第5页共8页文控中心统一编制“受控文件清单”,并根据文件发放的情况及时更新回收作废文件回收时,由文控中心提出,文控中心按原收/发文登记名录逐一收回,并作记录。作废文件销毁经文件管理部门负责人批准后予以销毁。作备份用的作废受控文件,由文件管理人员加盖“作废”印章后方可留用。合订本中部分文件作废而且无法隔离时,应在作废文件的封面或首页加盖“作废”标识印章。作业现场不准保存“作废”的文件。及时借阅文件借阅人需填写“借阅登记簿”,批准后,方可借阅,并在规定期限内归还及时5.职责:5.1文控作业是质量管理体系文件归口管理部门,负责上级机关下发的各类文件和公司下发的各类计划和管理性文件的控制,负责质量管理体系文件的发放5.2文控人员负责组织...

1、当您付费下载文档后,您只拥有了使用权限,并不意味着购买了版权,文档只能用于自身使用,不得用于其他商业用途(如 [转卖]进行直接盈利或[编辑后售卖]进行间接盈利)。
2、本站所有内容均由合作方或网友上传,本站不对文档的完整性、权威性及其观点立场正确性做任何保证或承诺!文档内容仅供研究参考,付费前请自行鉴别。
3、如文档内容存在违规,或者侵犯商业秘密、侵犯著作权等,请点击“违规举报”。

碎片内容

文控作业指导书(标准化)

您可能关注的文档

精品中小学资料+ 关注
实名认证
内容提供者

精品文档

确认删除?
VIP
微信客服
  • 扫码咨询
会员Q群
  • 会员专属群点击这里加入QQ群
客服邮箱
回到顶部