电脑桌面
添加小米粒文库到电脑桌面
安装后可以在桌面快捷访问

基础钢筋机械连接安全交底VIP免费

基础钢筋机械连接安全交底_第1页
1/8
基础钢筋机械连接安全交底_第2页
2/8
基础钢筋机械连接安全交底_第3页
3/8
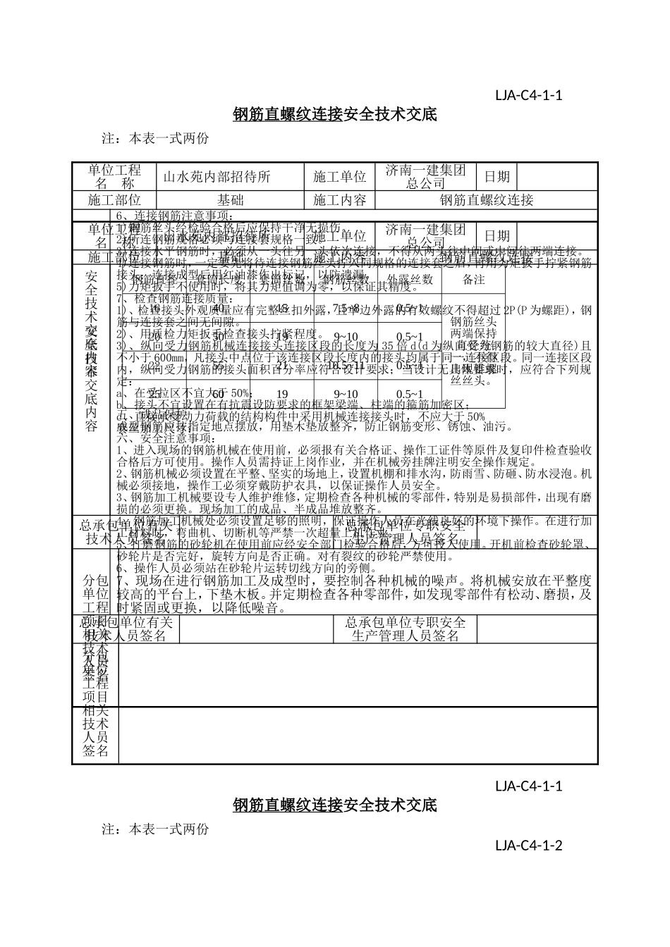
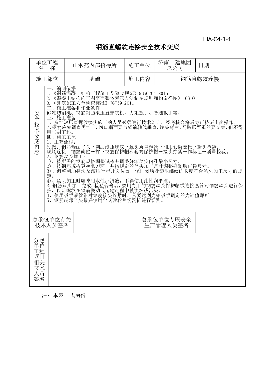
LJA-C4-1-1钢筋直螺纹连接安全技术交底注:本表一式两份单位工程名称山水苑内部招待所施工单位济南一建集团总公司日期施工部位基础施工内容钢筋直螺纹连接安全技术交底内容一、编制依据1.《钢筋混凝土结构工程施工及验收规范》GB50204-20152.《混凝土结构施工图平面整体表示方法制图规则和构造祥图》16G1013.《建筑施工安全检查标准》JGJ59-2011二、施工准备和作业条件砂轮切割机、钢筋剥肋滚压直螺纹机、力矩扳手、普通扳手等。三、施工准备1、参加滚压直螺纹接头施工的人员必须进行技术培训,经考核合格后方可持证上岗操作。2、钢筋应先调直再加工,切口端面要与钢筋轴线垂直,端头弯曲、马蹄形严重的要切去,但不得用气割下料。四、施工工艺1、工艺流程:预接:钢筋端面平头→剥肋滚压螺纹→丝头质量检验→利用套简连接→接头检验;现场连接:钢筋就位→拧下钢筋保护帽和套筒保护帽→接头拧紧→作标记→质量检验。2、钢筋丝头加工:1)、按所需的钢筋规格调整试棒并调整好滚丝头内孔最小尺寸。2)、按钢筋规格更换涨刀环,并按规定的丝头加工尺寸调整好剥肋直径尺寸。3)、调整剥肋挡块及滚压行程开关位置,保证剥肋及滚压螺纹的长度符合丝头加工尺寸的规定。4)、丝头加工时应使用水性润滑液,不得使用油性润滑液。3、钢筋丝头加工完成、检验合格后,要用专用的钢筋丝头保护帽或连接套筒对钢筋丝头进行保护,以防螺纹在钢筋搬动或运输过程中被损坏或污染。4、使用扳手或管钳对钢筋接头拧紧时,只要达到力矩扳手调定的力矩值即可。5、钢筋端部平头最好使用台式砂轮片切割机进行切割。总承包单位有关技术人员签名总承包单位专职安全生产管理人员签名分包单位工程项目相关技术人员签名LJA-C4-1-1钢筋直螺纹连接安全技术交底注:本表一式两份LJA-C4-1-1钢筋直螺纹连接安全技术交底注:本表一式两份LJA-C4-1-2单位工程名称山水苑内部招待所施工单位济南一建集团总公司日期施工部位基础施工内容钢筋直螺纹连接安全技术交底内容6、连接钢筋注意事项:1)钢筋丝头经检验合格后应保持干净无损伤。2)所连钢筋规格必须与连接套规格一致。3)连接水平钢筋时,必须从一头往另一头依次连接,不得从两头往中间或中间往两端连接。4)连接钢筋时,一定要先将待连接钢筋丝头拧入同规格的连接套之后,再用力矩扳手拧紧钢筋接头;连接成型后用红油漆作出标记,以防遗漏。5)力矩扳手不使用时,将其力矩值调为零,以保证其精度。7、检查钢筋连接质量:1)、检查接头外观质量应有完整丝扣外露,且单边外露的有效螺纹不得超过2P(P为螺距),钢筋与连接套之间无间隙。2)、用质检力矩扳手检查接头拧紧程度。3)、纵向受力钢筋机械连接接头连接区段的长度为35倍d(d为纵向受力钢筋的较大直径)且不小于600mm,凡接头中点位于该连接区段长度内的接头均属于同一连接区段。同一连接区段内,纵向受力钢筋的接头面积百分率应符合设计要求;当设计无具体要求时,应符合下列规定:a、在受拉区不宜大于50%;b、接头不宜设置在有抗震设防要求的框架梁端、柱端的箍筋加密区;c、直接承受动力荷载的结构构件中采用机械连接接头时,不应大于50%套丝加工尺寸:总承包单位有关技术人员签名总承包单位专职安全生产管理人员签名分包单位工程项目相关技术人员签名单位工程名称山水苑内部招待所施工单位济南一建集团总公司日期施工部位基础施工内容钢筋直螺纹连接安全技术交底内容钢筋直径套筒长度套筒丝数钢筋丝数外露丝数备注1640157.5~80.5~1钢筋丝头两端保持直径统一,不得出现锥螺丝丝头。2050199~100.5~122552110.5~110.5~12560199~100.5~1五、成品保护成型钢筋应按指定地点摆放,用垫木垫放整齐,防止钢筋变形、锈蚀、油污。六、安全注意事项:1、进入现场的钢筋机械在使用前,必须报有关合格证、操作工证件等原件及复印件检查验收合格后方可使用。操作人员需持证上岗作业,并在机械旁挂牌注明安全操作规定。2、钢筋机械必须设置在平整、坚实的场地上,设置机棚和排水沟,防雨雪、防砸、防水浸泡。机械必须接地,操作工必须穿戴防护衣具,以保证操作人员安全。3、钢筋加工机械要设专人维护维修,定期检查各种机械的零部件,特别是...

1、当您付费下载文档后,您只拥有了使用权限,并不意味着购买了版权,文档只能用于自身使用,不得用于其他商业用途(如 [转卖]进行直接盈利或[编辑后售卖]进行间接盈利)。
2、本站所有内容均由合作方或网友上传,本站不对文档的完整性、权威性及其观点立场正确性做任何保证或承诺!文档内容仅供研究参考,付费前请自行鉴别。
3、如文档内容存在违规,或者侵犯商业秘密、侵犯著作权等,请点击“违规举报”。

碎片内容

基础钢筋机械连接安全交底

您可能关注的文档

确认删除?
VIP
微信客服
  • 扫码咨询
会员Q群
  • 会员专属群点击这里加入QQ群
客服邮箱
回到顶部