电脑桌面
添加小米粒文库到电脑桌面
安装后可以在桌面快捷访问

河南省示范性高中罗山高中2016届高考化学原子结构与元素周期律复习专练含解析VIP免费

河南省示范性高中罗山高中2016届高考化学原子结构与元素周期律复习专练含解析_第1页
1/10
河南省示范性高中罗山高中2016届高考化学原子结构与元素周期律复习专练含解析_第2页
2/10
河南省示范性高中罗山高中2016届高考化学原子结构与元素周期律复习专练含解析_第3页
3/10
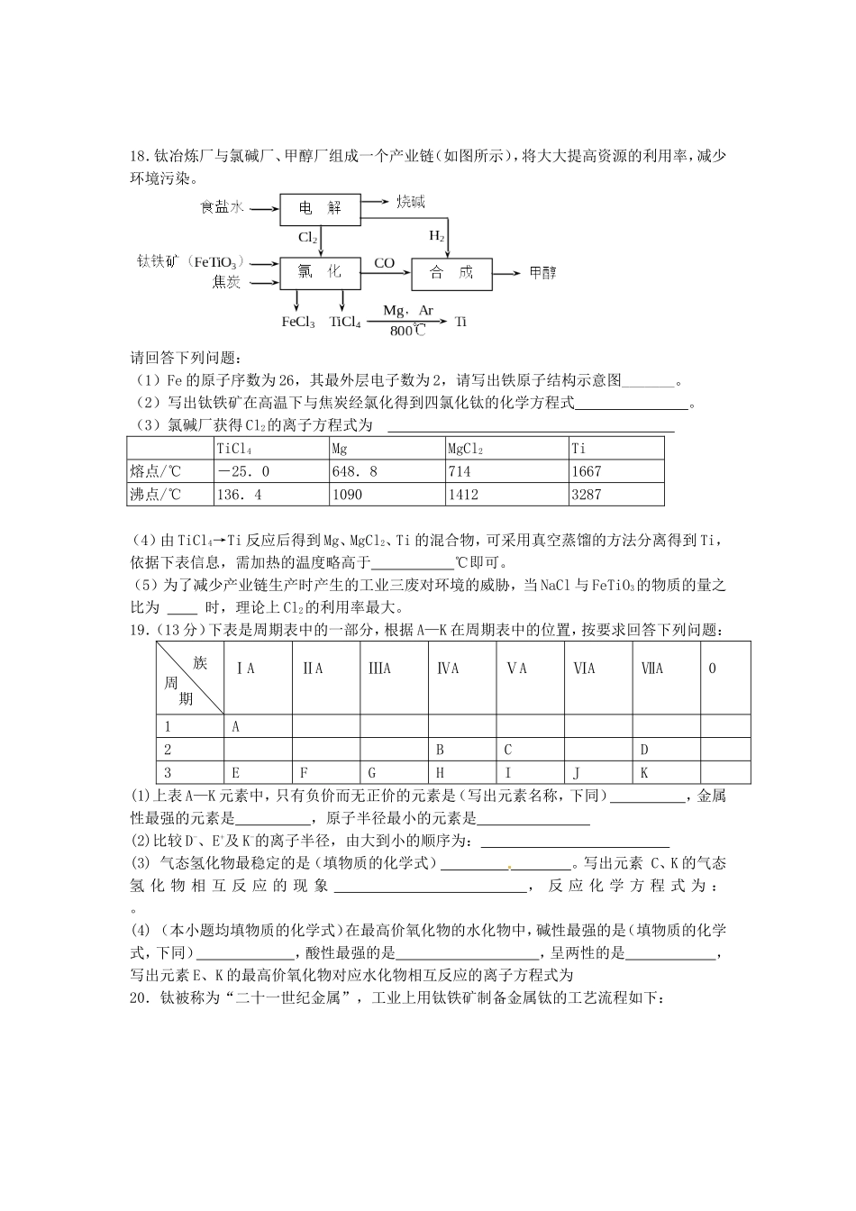
原子结构与元素周期律1.下列叙述中错误的是()A.原子半径:Cl>S>OB.还原性:Na>Mg>AlC.稳定性:HF>HCl>HBrD.酸性:HClO4>H2SO4>H3PO42.下列关于元素周期表的说法正确的是()A.元素周期表共有七个周期B.元素周期表共有18个族C.所含元素种数最多的族是VIII族D.第三周期元素的原子核外都有三个电子层3.下面的电子运动状态存在的是()A.n=1,l=1m=0B.n=2,l=0m=±1C.n=3,l=3m=±3D.n=4,l=3m=±24.已知元素X、Y的核电荷数分别是a和b,它们的离子Xm+和Yn-的核外电子排布相同,则下列关系式正确的是()A、a=b+m+nB、a=b-m+nC、a=b+m-nD、a=b-m-n5.在短周期元素中,若某元素原子的最外层原子数与其电子层数相等,则符合条件的元素种数为()A.1种B.2种C.3种D.4种6.美国科学家将铅和氪两种元素的原子核对撞,获得了一种质子数为118,质量数为293的新元素,则下列说法正确的是()A.该元素原子的摩尔质量为118g/molB.该元素属于金属元素C.该元素原子核内的中子数和核外电子数之差为57D.该元素原子的质量为2937.X、Y、Z均为短周期元素,它们的原子核外最外层电子数分别为1、6、6。Z位于Y的上一周期,则这三种元素形成的某种化合物的化学式可能为A.X2YZ4B.X2YZ3C.X3YZ4D.XY2Z38.下列化学用语书写正确的是:A.氯原子的结构示意图:B.作为相对原子质量测定标准的碳核素为146CC.氯化镁的电子式:D.HClO的结构式为H-Cl-O9.已知X、Y和Z为第三周期元素,其原子的第一至第四电离能如下表:电离能/kJ·mol—1I1I2I3I4X5781817274511578Y7381451773310540Z496456269129543则X、Y、Z的电负性从大到小的顺序为()A.Z>Y>XB.X>Z>YC.X>Y>ZD.Y>Z>X10.下列说法正确的是()A.含4molHCl的浓盐酸与足量MnO2充分反应,转移2NA个电子B.500℃、30MPa下,将0.2molN2和0.6molH2置于密闭的容器中充分反应生成NH3(g),放热7.72kJ,其热化学方程式为:N2(g)+3H2(g)2NH3(g)△H=-38.6kJ·mol-1C.对于可逆反应N2(g)+3H2(g)催化剂高温高压2NH3(g)△H﹤0,升高温度,可使反应速率增大,反应逆向移动D.元素原子的最外层电子数的多少与其非金属性的强弱无必然联系11.有aXn+和bYm-两种元素的简单离子,若它们的电子层结构相同,则下列关系正确的是()A.b-a=n+mB.a-b=n-mC.核电荷数Y<XD.质子数Y>X12.下列叙述不正确的是()A.原子半径:HH2S>PH3>AsH3C.N、O、F元素的非金属性依次减弱D.P、S、Cl元素最高价氧化物对应的水化物酸性依次增强13.短周期元素A、B、C、D的原子序数依次递增,它们的核电荷数之和为32,原子最外层电子数之和为10。A与C同主族,B与D同主族,A、C原子的最外层电子数之和等于B原子的次外层电子数。则下列叙述正确的是()A.D元素处于元素周期表中第三周期ⅥA族B.四种元素的原子半径:A<B<C<DC.B、D的最高价氧化物具有相似的物理性质和化学性质D.一定条件下,B单质能置换出D单质,C单质能置换出A单质14.下列事实能用元素周期律解释的是()A.沸点:H2O>H2Se>H2SB.酸性:H2SO4>H2CO3>HClOC.硬度:I2>Br2>Cl2D.碱性:KOH>NaOH>Al(OH)315.下列判断错误的是()A.沸点:NH3>AsH3>PH3B.熔点:Cs>Li>NaC.酸性:HClO4>H2SO4>H3PO4D.碱性:NaOH>Mg(OH)2>Al(OH)316.下列微粒中,未成对电子数最多的是()A.OB.PC.FeD.Fe3+17.有关核外电子运动规律的描述错误的是()A.核外电子质量很小,在原子核外作高速运动B.核外电子的运动规律与普通物体不同C.在电子云示意图中,通常用小黑点来表示电子D.在电子云示意图中,小黑点密表示电子在核外空间单位体积内电子出现的机会多催化剂500℃、30MPa18.钛冶炼厂与氯碱厂、甲醇厂组成一个产业链(如图所示),将大大提高资源的利用率,减少环境污染。请回答下列问题:(1)Fe的原子序数为26,其最外层电子数为2,请写出铁原子结构示意图_______。(2)写出钛铁矿在高温下与焦炭经氯化得到四氯化钛的化学方程式。(3)氯碱厂获得Cl2的离子方程式为TiCl4MgMgCl2Ti熔点/℃-25.0648.87141667沸点/℃136.4109014123287(4)由TiCl4→Ti反应后得到Mg、MgCl...

1、当您付费下载文档后,您只拥有了使用权限,并不意味着购买了版权,文档只能用于自身使用,不得用于其他商业用途(如 [转卖]进行直接盈利或[编辑后售卖]进行间接盈利)。
2、本站所有内容均由合作方或网友上传,本站不对文档的完整性、权威性及其观点立场正确性做任何保证或承诺!文档内容仅供研究参考,付费前请自行鉴别。
3、如文档内容存在违规,或者侵犯商业秘密、侵犯著作权等,请点击“违规举报”。

碎片内容

河南省示范性高中罗山高中2016届高考化学原子结构与元素周期律复习专练含解析

您可能关注的文档

精品中小学资料+ 关注
实名认证
内容提供者

精品文档

确认删除?
VIP
微信客服
  • 扫码咨询
会员Q群
  • 会员专属群点击这里加入QQ群
客服邮箱
回到顶部