电脑桌面
添加小米粒文库到电脑桌面
安装后可以在桌面快捷访问

国家级工法文本范例VIP免费

国家级工法文本范例_第1页
1/8
国家级工法文本范例_第2页
2/8
国家级工法文本范例_第3页
3/8
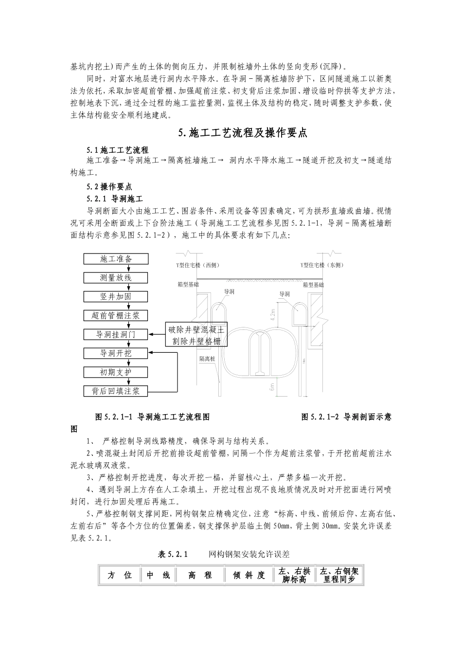
附件:国家级工法文本范例导洞施工防护隔离桩墙施工工法中铁隧道集团有限公司马锁柱王先堂1.前言在城市修建地铁,不可避免地要在地面建(构)筑物附近穿过,为了争取最好的线路运营方案,也需选择从地面建筑物附近穿过,这不仅需要保证隧道工程本体施工的安全,还须妥善地解决隧道工程对附近既有建筑物的影响问题。北京城铁13号线14标区间为下穿高层楼房的浅埋隧道,需防止隧道暗挖施工引起地层移动和地表下沉,防止地表及周边既有建筑物发生过量变形与破坏是一具有相当重大的技术难题。中铁隧道集团联合设计单位和大专院校开展了科技创新,取得了“导洞——隔离桩墙防护技术”这一国内领先、国际首创的新成果,于2002年通过北京市建设委员会鉴定,获得了2003年北京市科学技术二等奖。同时,形成了导洞施工防护隔离桩墙新颖的施工工法。由于在处理地层与结构、隧道施工与既有建筑物相互作用方面效果明显,技术先进,故有明显的社会效益和经济效益。2.工法特点2.1利用地下导洞施作钻孔隔离桩,并将隔离桩与导洞衬砌连接在一起,能有效地保护邻近既有建筑物,使地下工程的施工中对它的影响非常之小。2.2采用新的“地下基坑”围护结构分析模型和解析方式,用简单的代数运算即可预测地层沉降和水平位移值,与实测值相比在同一数量级上。2.3将数据处理和信息反馈技术应用于施工,利用监控量测指导施工,动态修正施工方法和支护参数,确保施工安全、快速。2.4将地表作业转入地下,使施工对城市地面、路面的占用和交通影响极小,能满足城市地下施工的高环保要求。3.适用范围临近建(构)筑物、地面条件限制、地层构造复杂、富水条件下的暗挖地下工程施工。4.工艺原理采用“地下基坑”围护结构分析模型和解析方式,在主体隧道两侧与贴近既有建筑结构基础的地下各设计施作一导洞,在导洞内施作钻孔灌注桩,桩顶与导洞格栅连接,将各根钻孔桩连接成为一道整体性较好的桩墙,而导洞之间的未被开挖掉的土体则成为两道桩墙间的横撑,从而成一个稳定可靠的“地下基坑”的围护结构,承受因开挖双连拱隧道(犹如基坑内挖土)而产生的土体的侧向压力,并限制桩墙外土体的竖向变形(沉降)。同时,对富水地层进行洞内水平降水。在导洞-隔离桩墙防护下,区间隧道施工以新奥法为依托,采取加密超前管棚、加强超前注浆、初支背后注浆加固、增设临时仰拱等支护方法,控制地表下沉,通过全过程的施工监控量测,监视土体及结构的稳定,随时调整支护参数,使主体结构能安全顺利地建成。5.施工工艺流程及操作要点5.1施工工艺流程施工准备→导洞施工→隔离桩墙施工→洞内水平降水施工→隧道开挖及初支→隧道结构施工。5.2操作要点5.2.1导洞施工导洞断面大小由施工工艺、围岩条件、采用设备等因素确定,可为拱形直墙或曲墙。视情况可采用全断面或上下台阶法施工(导洞施工工艺流程参见图5.2.1-1,导洞-隔离桩墙断面结构示意参见图5.2.1-2),施工中的具体要求有如下几点:图5.2.1-1导洞施工工艺流程图图5.2.1-2导洞剖面示意图1、严格控制导洞线路精度,确保导洞与结构关系。2、喷混凝土封闭后开挖前排设超前管棚,间隔一个作为超前注浆管,于开挖前超前注水泥水玻璃双液浆。3、严格控制开挖进度,每次开挖一榀,并留核心土,严禁多榀一次开挖。4、遇到导洞上方存在人工杂填土,开挖过程出现不良地质情况及时对开挖面进行网喷封闭,进行加固处理后再施工。5、严格控制钢支撑间距,网构钢架应精确定位,注意“标高、中线、前倾后仰、左高右低、左前右后”等各个方位的位置偏差,钢支撑保护层临土侧50mm,背土侧30mm。安装允许误差见表5.2.1。表5.2.1网构钢架安装允许误差方位中线高程倾斜度左、右拱脚标高左、右钢架里程同步Y型住宅楼(东侧)箱型基础箱型基础Y型住宅楼(西侧)导洞导洞隔离桩施工准备测量放线竖井加固超前管棚注浆导洞挂洞门导洞开挖初期支护背后回填注浆破除井壁混凝土割除井壁格栅允许误差2cm+2cm-0≤2°±2cm±2cm6、按设计施工双层满铺钢筋网,将纵向联接筋、钢筋网与网构钢架连接牢固。7、滞后掌子面5m回填注浆一次,浆液为纯水泥浆,在楼房段注意控制注浆压力,避免破坏楼房地下室。8、导洞施...

1、当您付费下载文档后,您只拥有了使用权限,并不意味着购买了版权,文档只能用于自身使用,不得用于其他商业用途(如 [转卖]进行直接盈利或[编辑后售卖]进行间接盈利)。
2、本站所有内容均由合作方或网友上传,本站不对文档的完整性、权威性及其观点立场正确性做任何保证或承诺!文档内容仅供研究参考,付费前请自行鉴别。
3、如文档内容存在违规,或者侵犯商业秘密、侵犯著作权等,请点击“违规举报”。

碎片内容

国家级工法文本范例

您可能关注的文档

确认删除?
VIP
微信客服
  • 扫码咨询
会员Q群
  • 会员专属群点击这里加入QQ群
客服邮箱
回到顶部