电脑桌面
添加小米粒文库到电脑桌面
安装后可以在桌面快捷访问

【优化方案】2013年高中物理 电子题库 第三章 3知能演练轻松闯关 教科版选修1-1VIP免费

【优化方案】2013年高中物理 电子题库 第三章 3知能演练轻松闯关 教科版选修1-1_第1页
1/4
【优化方案】2013年高中物理 电子题库 第三章 3知能演练轻松闯关 教科版选修1-1_第2页
2/4
【优化方案】2013年高中物理 电子题库 第三章 3知能演练轻松闯关 教科版选修1-1_第3页
3/4
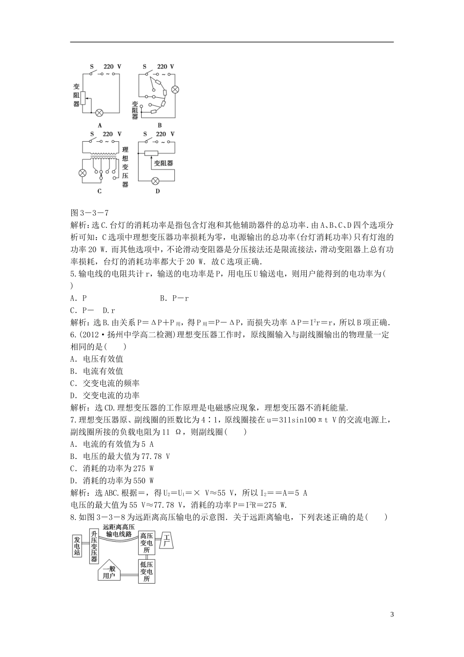
【优化方案】2013年高中物理电子题库第三章3知能演练轻松闯关教科版选修1-11.(2012·江苏学业水平模拟)对于电能输送的以下说法,正确的是()A.输送电能的基本要求是经济实惠B.减小输电导线上功率损失的唯一方法是采用高压输电C.减小输电导线上电压损失的唯一方法是增大导线的横截面积D.实际输电时,要综合考虑各种因素,如输送功率大小、距离远近、技术和经济要求等解析:选D.输送电能的基本要求是可靠、保质、经济.减小输电线上的功率损失可采用高压输电,也可采用减小输电线电阻,即增大导线横截面积的方法.实际输电时,应综合考虑各种因素.2.下列关于变压器的说法中正确的是()A.变压器是把电能通过磁场能再次转换成电能的装置B.变压器的原、副线圈组成闭合回路C.变压器的铁芯中产生交变电流D.变压器的副线圈中产生直流电答案:A3.远距离输送交流电都采用高压输电,我国正在研究用比330kV高得多的电压进行输电.采用高压输电的优点是()A.可增大输电电流B.可根据需要调节交流电的频率C.可减少输电线上的能量损失D.可加快输电的速度解析:选C.输电线上的功率损失ΔP=I2r,又P=UI,可得ΔP=r,C选项正确.4.下列关于减小远距离输电导线上热损耗的说法中,正确的是()A.因为热功率P=,所以应降低输送电压,增大输电导线电阻,才能减小输电导线上的热损耗B.因为热功率P=IU,所以应采用低电压、小电流输电,才能减小输电导线上的热损耗C.因为热功率P=I2R,所以可采用减小输电线电阻或减小输送电流的方法来减小输电导线上的热损耗D.以上说法均不正确解析:选C.不能盲目看公式,要注意其物理意义的表达,在求热损耗时用P损=I2R线或P热=U线I线,也可用P=,但U必须为输电线两端的电压.5.汽车等交通工具用电火花点燃汽油混合气,如图3-3-5所示.已知汽车蓄电池电压为12V,变压器匝数之比为1∶100,当开关S闭合后,火花塞上电压为多少?开关S从闭合到突然断开这一过程,可为火花塞提供瞬时高电压,产生电火花.蓄电池提供的是直流电,为什么变压器的副线圈也能得到高电压呢?1图3-3-5答案:开关S闭合后,变压器原线圈中是恒定电流,铁芯中的磁通量不变,副线圈中没有感应电动势,火花塞上电压为零.当开关从闭合到突然断开,铁芯中磁通量突然变小,副线圈会产生一个瞬时高电压(脉冲高电压可达104V左右),使火花塞产生电火花.一、选择题1.中央电视台《焦点访谈》多次报道某些边远落后农村电价过高,农民负担过重,其中客观原因是电网陈旧老化.近年来进行农村电网改造,为减少远距离输电的损耗而降低用电价格可采取的措施有()A.提高输送功率B.增大输送电流C.提高输电电压D.减小输电导线的横截面积解析:选C.减小输电损失就要减小电流,由P=IU可知,应提高输电电压.2.如图3-3-6所示,可以将电压升高提供给电灯的变压器是()图3-3-6解析:选C.因为n2>n1时,U2>U1,变压器使电压升高,这种变压器叫做升压变压器;又变压器只能改变交流电压,而不能直接改变直流电压.由题图可看出C选项正确.3.某电站用11kV交变电压输电,输送功率一定,输电线的电阻为R.现若用变压器将电压升高到220kV送电,下列哪个选项正确()A.因I=,所以输电线上的电流增为原来的20倍B.因I=,所以输电线上的电流减为原来的C.因P=,所以输电线上损失的功率增为原来的400倍D.若要使输电线上损失的功率不变,可将输电线的电阻减为原来的解析:选B.因为输送的功率一定,由I=可知,当输送的电压增为原来的20倍时,电流减为原来的,所以选项A错B对.选项C中,R是输电线的电阻,而U是输送的总电压,R与U不对应,所以P=是错误的.输电线上损失的功率一般用ΔP=I2R计算不容易出错.从选项B中已经知道电流减为原来的,若ΔP不变,则输电线的电阻可增为原来的400倍,所以D错.4.如图3-3-7所示为四种亮度可调的台灯的电路示意图,它们所用的白炽灯泡相同,且都是“220V40W”.当灯泡所消耗的功率都调至20W时,哪种台灯消耗的功率最小()2图3-3-7解析:选C.台灯的消耗功率是指包含灯泡和其他辅助器件的总功率.由A、B、C、D四个选项分析可知:C选项中理想变压器功率损耗为零,电源输...

1、当您付费下载文档后,您只拥有了使用权限,并不意味着购买了版权,文档只能用于自身使用,不得用于其他商业用途(如 [转卖]进行直接盈利或[编辑后售卖]进行间接盈利)。
2、本站所有内容均由合作方或网友上传,本站不对文档的完整性、权威性及其观点立场正确性做任何保证或承诺!文档内容仅供研究参考,付费前请自行鉴别。
3、如文档内容存在违规,或者侵犯商业秘密、侵犯著作权等,请点击“违规举报”。

碎片内容

【优化方案】2013年高中物理 电子题库 第三章 3知能演练轻松闯关 教科版选修1-1

您可能关注的文档

教育教学文库+ 关注
实名认证
内容提供者

本店有大量的教育教学资料,课件

确认删除?
VIP
微信客服
  • 扫码咨询
会员Q群
  • 会员专属群点击这里加入QQ群
客服邮箱
回到顶部