电脑桌面
添加小米粒文库到电脑桌面
安装后可以在桌面快捷访问

某工程给排水监理细则VIP免费

某工程给排水监理细则_第1页
1/5
某工程给排水监理细则_第2页
2/5
某工程给排水监理细则_第3页
3/5
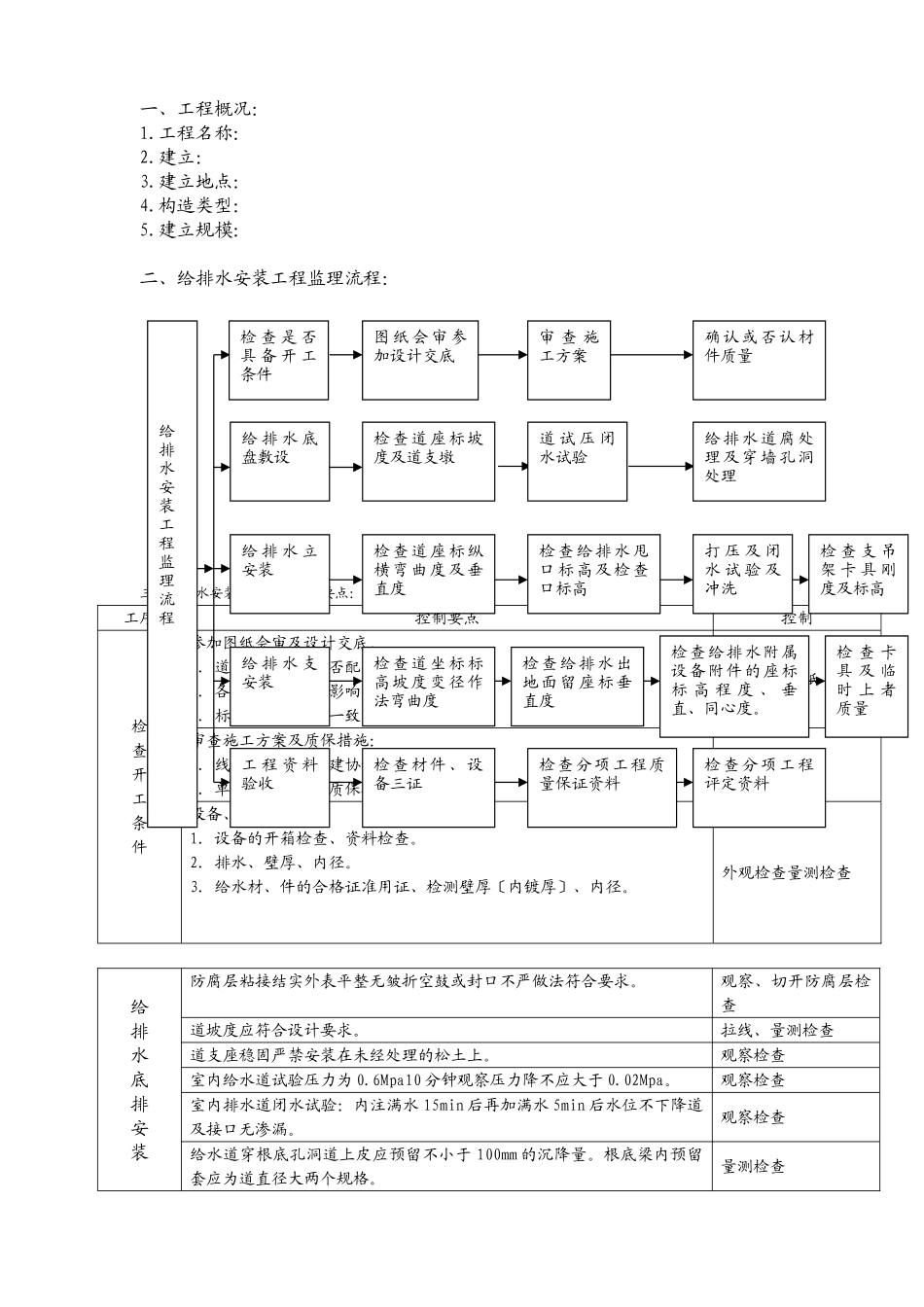
工程给排水监理细那么编制人:审批人:2021年8月1日一、工程概况:1.工程名称:2.建立:3.建立地点:4.构造类型:5.建立规模:二、给排水安装工程监理流程:三、给排水安装工程监理检查要点:工序控制要点控制检查开工条件参加图纸会审及设计交底。1.道与土建构造是否配套。2.各种线互相穿插影响。3.标高、座标是否一致。审查施工图纸审查施工方案及质保措施:1.线预留孔洞与土建协调。2.单项施工方案及质保措施。检查资料设备、材、件进场:1.设备的开箱检查、资料检查。2.排水、壁厚、内径。3.给水材、件的合格证准用证、检测壁厚〔内镀厚〕、内径。外观检查量测检查给排水底排安装防腐层粘接结实外表平整无皱折空鼓或封口不严做法符合要求。观察、切开防腐层检查道坡度应符合设计要求。拉线、量测检查道支座稳固严禁安装在未经处理的松土上。观察检查室内给水道试验压力为0.6Mpa10分钟观察压力降不应大于0.02Mpa。观察检查室内排水道闭水试验:内注满水15min后再加满水5min后水位不下降道及接口无渗漏。观察检查给水道穿根底孔洞道上皮应预留不小于100mm的沉降量。根底梁内预留套应为道直径大两个规格。量测检查检查是否具备开工条件给排水安装工程监理流程图纸会审参加设计交底审查施工方案确认或否认材件质量给排水底盘敷设检查道座标坡度及道支墩给排水立安装给排水支安装工程资料验收检查道座标纵横弯曲度及垂直度检查道坐标标高坡度变径作法弯曲度检查材件、设备三证道试压闭水试验检查给排水甩口标高及检查口标高打压及闭水试验及冲洗检查支吊架卡具刚度及标高检查给排水出地面留座标垂直度检查给排水附属设备附件的座标标高程度、垂直、同心度。检查卡具及临时上者质量检查分项工程质量保证资料检查分项工程评定资料给排水道腐处理及穿墙孔洞处理给排水立安装检查道座标及立垂直度、给水:允许偏向3mm/m全长〔5m以上〕不大于8mm。吊线和尺量检查检查排水甩口标高检查口标高和数量。尺量检查及外观检查给水立试压同2外观检查排水立闭水通球试验同2外观检查检查卡刚度及标高。外观检查给排水支安装检查道坡度及弯曲度:给排水程度坡度应符合设计及施工标准要求。程度纵横向弯曲度:排水〔PVC-U〕1.5mm/m全长25m以上不大于2.5mm钢1mm/m全长25m不大于25mm。用程度尺、直尺、拉线和尺量检查排水立每层设置伸缩节排水支在楼板之下接入时伸缩节设置于水流集合配件之下。排水支在楼板之上接入时伸缩节设置于水流集合配件之上。外观检查检查给排水道附件安装应符合设计及标准要求。观察检查及尺量检查检查卡及临时堵:卡具稳固美观及高度一致道甩口及时加堵。检查给排水道及附件安装:地漏外表应低于周围地面5mm地漏周围地面有坡度何地漏的坡度地漏盖开启灵敏并有防污染措施。观察检查平板检查尺量检查系统试验应符合设计及标准要求。外观检查系统闭水通球试验应符合设计及标准要求。外观检查给水系统清洗应符合设计及标准要求。水质检查三、全过程资料要求子分部工程资料或主要工作内容提供方监理回复资料及审核要点室内给水系统分项工程:给水道及配件安装室内消火栓系统安装给水设备安装道防腐绝热施工原材料要合格证、检测。塑料材、件要有出厂合格证、性能检测〔给水、采暖还应现场取样复试〕齐全津监理A6报验及回复材料〔〕汇总表。津资K-3津监理A6报验及回复室内给水排水及采暖分部工程材、件进场检(试)验记录津资K—S2—1津监理A6报验及回复设备开箱检验记录津资K-S2-2津监理A7报验及回复承压道系统/设备/阀门水压试验记录津资K—S3津监理A7报验及回复通水、冲洗试验记录津资K-S5-3津监理A7报验及回复室内给水、采暖工程隐蔽验收记录津资K-S4-1津监理A7报验及回复室内消火栓系统测试记录津资K-S6-2设备单机试运转记录津资K-S6-3津监理A7报验及回复室内给水道及配件安装工程质量检验表津资K—S7—1津监理A7报验及回复室内消火栓系统安装工程检验批质量验收记录津资K-S7-02津监理A7报验给水设备安装工程质量检验表津资K—S7—3津监理A7报验及回复道连接口质量检查记录津资K—S6—6;津监理A7报验及回复绝热防腐施工津监理A7报验及回复室内排水系统分项工程:排水道...

1、当您付费下载文档后,您只拥有了使用权限,并不意味着购买了版权,文档只能用于自身使用,不得用于其他商业用途(如 [转卖]进行直接盈利或[编辑后售卖]进行间接盈利)。
2、本站所有内容均由合作方或网友上传,本站不对文档的完整性、权威性及其观点立场正确性做任何保证或承诺!文档内容仅供研究参考,付费前请自行鉴别。
3、如文档内容存在违规,或者侵犯商业秘密、侵犯著作权等,请点击“违规举报”。

碎片内容

某工程给排水监理细则

您可能关注的文档

教育教学文库+ 关注
实名认证
内容提供者

本店有大量的教育教学资料,课件

确认删除?
VIP
微信客服
  • 扫码咨询
会员Q群
  • 会员专属群点击这里加入QQ群
客服邮箱
回到顶部