电脑桌面
添加小米粒文库到电脑桌面
安装后可以在桌面快捷访问

路基土石方(匝道)VIP免费

路基土石方(匝道)_第1页
1/6
路基土石方(匝道)_第2页
2/6
路基土石方(匝道)_第3页
3/6
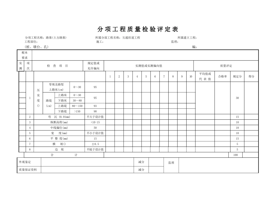
分项工程质量检验评定表分项工程名称:路基(土方路基)所属分部工程名称:互通匝道工程所属建立工程:工程部位:施工:监理:(桩、墩台、孔)编:根本要求实测工项次检查项目规定值或允许偏向实测值或实测偏向值质量评定12345678910平均值或代表值合格率规定分得分1压实度()零填及路堑上路床(cm)0~309530路堤(cm)上路床0~3095下路床30~80上路堤80~15093下路堤>150902弯沉(0.01mm)不大于设计值153纵断高程(mm)+10-15104中线偏位(mm)50105宽度(mm)不小于设计值106平整度(mm)15157横坡()±0.558边坡不陡于设计值5合计100外观鉴定减分监理质量保证资料减分工程质量等级评定得分:质量等级:检验负责人:检测:记录:复核:年月日分项工程质量检验评定表分项工程名称:路基(石方路基)所属分部工程名称:互通匝道工程所属建立工程:工程部位:施工:监理:(桩、墩台、孔)编:根本要求实测工项次检查项目规定值或允许偏向实测值或实测偏向值质量评定12345678910平均值或代表值合格率规定分得分1压实度()层厚和碾压遍数符合要求302纵断高程(mm)+10-20103中线偏位(mm)50104宽度(mm)不小于设计值105平整度(mm)20156横坡()±0.5107边坡坡度不陡于设计值15平顺度符合设计合计100外观鉴定减分监理质量保证资料减分工程质量等级评定得分:质量等级:检验负责人:检测:记录:复核:年月日分项工程质量检验评定表分项工程名称:路基(软土地基)所属分部工程名称:互通匝道工程所属建立工程:工程部位:施工:监理:(桩、墩台、孔)编:根本要求实测工程项次检查项目规定值或允许偏向实测值或实测偏向值质量评定12345678910平均值或代表值合格率规定分得分1砂垫层厚度不小于设计402砂垫层宽度不小于设计303反滤层设置符合设计30合计100外观鉴定减分监理质量保证资料减分工程质量等级评定得分:质量等级:检验负责人:检测:记录:复核:年月日分项工程质量检验评定表分项工程名称:路基(加筋工程土工合同材料)所属分部工程名称:互通匝道工程所属建立工程:工程部位:施工:监理:(桩、墩台、孔)编:根本要求实测工项次检查项目规定值或允许偏向实测值或实测偏向值质量评定12345678910平均值或代表值合格率规定分得分1下承层平整度拱度符合设计要求202搭接宽度(mm)+50-0253搭接缝错开间隔(mm)符合设计施工要求254锚固长度(mm)符合设计施工要求30合计100外观鉴定减分监理质量保证资料减分工程质量等级评定得分:质量等级:检验负责人:检测:记录:复核:年月日===========================================================================================================说明星欣设计图库资料店拥有最全的设计参考图库资料内容涉及景观园林、建筑、规划、室内装修、建筑构造、暖通空调、给排水、电气设计、施工组织设计等各个领域的设计素材和设计图纸等参考学习资料。是为广阔艺术设计工作者优质设计学习参考资料。本站所售的参考资料包括设计方案和施工图案例已达几十万套以上总量在数千G以上。图库联络:447255935:

1、当您付费下载文档后,您只拥有了使用权限,并不意味着购买了版权,文档只能用于自身使用,不得用于其他商业用途(如 [转卖]进行直接盈利或[编辑后售卖]进行间接盈利)。
2、本站所有内容均由合作方或网友上传,本站不对文档的完整性、权威性及其观点立场正确性做任何保证或承诺!文档内容仅供研究参考,付费前请自行鉴别。
3、如文档内容存在违规,或者侵犯商业秘密、侵犯著作权等,请点击“违规举报”。

碎片内容

路基土石方(匝道)

您可能关注的文档

确认删除?
VIP
微信客服
  • 扫码咨询
会员Q群
  • 会员专属群点击这里加入QQ群
客服邮箱
回到顶部