电脑桌面
添加小米粒文库到电脑桌面
安装后可以在桌面快捷访问

公路工程内业表格施工记录VIP免费

公路工程内业表格施工记录_第1页
1/40
公路工程内业表格施工记录_第2页
2/40
公路工程内业表格施工记录_第3页
3/40
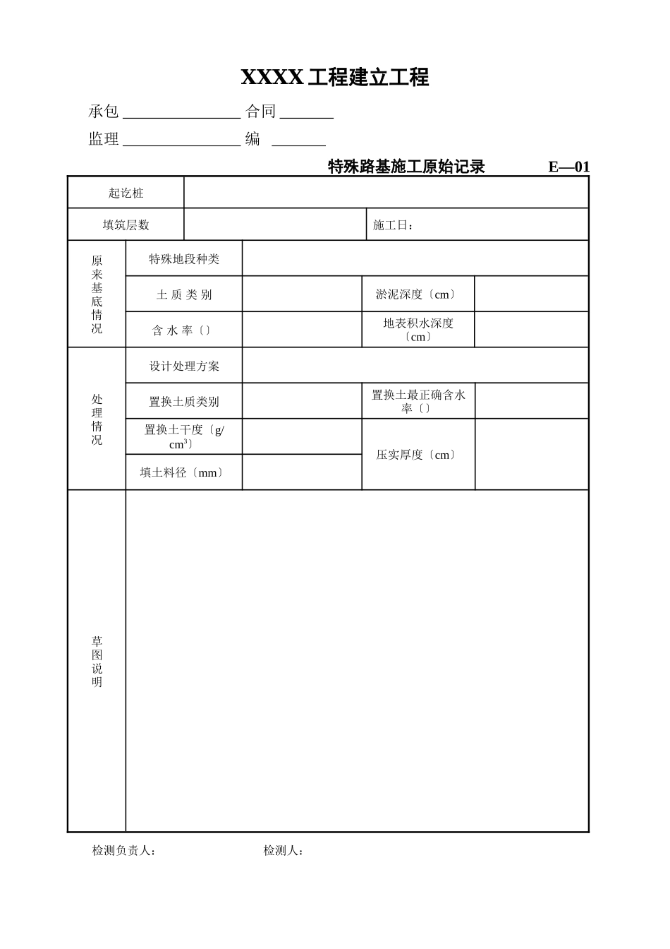
第五章施工记录用表〔E表〕(E01-E74)ⅩⅩⅩⅩ工程建立工程承包合同监理编特殊路基施工原始记录E—01起讫桩填筑层数施工日:原来基底情况特殊地段种类土质类别淤泥深度〔cm〕含水率〔〕地表积水深度〔cm〕处理情况设计处理方案置换土质类别置换土最正确含水率〔〕置换土干度〔g/cm3〕压实厚度〔cm〕填土料径〔mm〕草图说明检测负责人:检测人:ⅩⅩⅩⅩ工程建立工程承包合同监理编特殊路基施工现场检测记录表起讫桩:层次:施工日:E—02桩原地面标高〔m〕槽底标高〔m〕本层底面标高〔m〕本层顶面标高〔m〕施工厚度〔cm〕施工宽度〔m〕左中右左中右左中右左中右左中右左右设计实测设计实测检测负责人:检测人:ⅩⅩⅩⅩ工程建立工程承包合同监理编土工〔钢塑〕格栅施工原始记录施工日:E—03桩距路槽底面填高〔cm〕土工〔钢塑〕格栅数量〔m2〕铺筑长度〔m〕铺筑宽度〔m〕搭接宽度〔cm〕加固点数检测负责人:检测人:ⅩⅩⅩⅩ工程建立工程承包合同监理编路基掺灰处理施工原始记录施工日:E—04里程桩层次土方数量〔m3〕石灰含水率〔〕剂量〔〕数量〔kg〕掺灰前掺灰后检测负责人:检测人:ⅩⅩⅩⅩ工程建立工程承包合同监理编路基施工现场检测记录〔一〕起讫桩:层次:施工日:E—05桩路基设计标高〔m〕本层底面标高〔m〕本层顶面标高〔m〕厚度〔cm〕左中右左中右左中右左中右检测负责人:检测人:ⅩⅩⅩⅩ工程建立工程承包合同监理编路基施工现场检测记录〔二〕起讫桩:层次:施工日:E—05桩中线偏位〔mm〕宽度〔m〕横坡〔〕边坡〔1:〕平整度〔mm〕左右左右左右检测负责人:检测人:ⅩⅩⅩⅩ工程建立工程承包合同监理编塑料排水板施工原始记录施工日:E-06序板板长〔m〕坚直度()序板板长〔m〕坚直度()检测负责人:检测人:XXXX工程建立工程承包合同监理编软基〔回填块片石〕压施行工记录表E—07起讫桩碾压遍数施工日压路机型压路机吨位推土机型桩测点距中桩间隔〔m〕上层标高〔m〕辗压第遍后的实测标高〔m〕辗压第遍后的实测标高〔m〕控制沉降量〔mm〕实测沉降量〔mm〕控制压实厚度〔cm〕实测压实厚度〔cm〕左中右左中右左中右左中右自检:施工技术负责人:记录人:监理工程师:XXXX工程建立工程承包合同监理编水泥搅拌桩记录表E—08水泥搅拌机类型施工日设计水泥用量〔kg/m〕钻进速度〔m/min〕复搅拌钻进与提升〔m/min〕喷灰时的泵送才能〔kg/min〕设计水灰比及水泥浆理度桩〔列/排〕设计桩长〔m〕喷灰深度〔m〕停灰深度〔m〕复搅深度〔m〕实际桩长〔m〕电流量〔A〕正常/硬土实际水泥用量〔L〕〔kg〕平均水泥用量〔kg/m〕累计水泥用量〔kg/m〕备注〔施工时间〕施工技术负责人:记录人:监理工程师:ⅩⅩⅩⅩ工程建立工程承包合同监理编沉降路堤的回填施工记录E—09工程名称工程部位施工日桩检验日日回填层厚备注质量评定检测负责人:检测人:ⅩⅩⅩⅩ工程建立工程承包合同监理编施工沉降汇总表E—10工程名称工程部位施工日桩检验日日填土高右差值合计中心差值合计左差值合计检测负责人:检测人:ⅩⅩⅩⅩ工程建立工程承包合同监理编侧向位移汇总表E—11工程名称工程部位施工日桩检验日日填土高H右R偏向左L偏向右L偏向合计左L差值合计备注检测负责人:检测人:ⅩⅩⅩⅩ工程建立工程承包合同监理编路面〔〕层施工现场检测记录起讫桩:层次:施工日:E—12桩路面设计标高〔m〕本层底面标高〔m〕本层顶面标高〔m〕横坡〔〕厚度〔cm〕宽度〔m〕左中右左中右左中右左右设计:设计:左右左右检测负责人:检测人:ⅩⅩⅩⅩ工程建立工程承包合同监理编路面面层施工现场检测记录〔一〕起讫桩:层次:施工日:E—13桩路面设计标高〔m〕本层底面标高〔m〕本层顶面标高〔m〕横坡〔〕厚度〔cm〕宽度〔m〕左中右左中右左中右左右设计:设计:左右左右检测负责人:检测人:ⅩⅩⅩⅩ工程建立工程承包合同监理编水泥路面施工检测记录〔二〕起讫桩:施工日:E—14桩中线偏位〔mm〕抗滑构造深度〔mm〕相邻板高差〔mm〕纵横缝顺直度〔mm〕检测负责人:检测人:ⅩⅩⅩⅩ工程建立工程承包合同监理编沥青路面施工检测记录〔三〕起讫桩:施工日:E—15桩中线平面偏位〔mm〕抗滑〔mm〕渗水系数摩擦系数构造深...

1、当您付费下载文档后,您只拥有了使用权限,并不意味着购买了版权,文档只能用于自身使用,不得用于其他商业用途(如 [转卖]进行直接盈利或[编辑后售卖]进行间接盈利)。
2、本站所有内容均由合作方或网友上传,本站不对文档的完整性、权威性及其观点立场正确性做任何保证或承诺!文档内容仅供研究参考,付费前请自行鉴别。
3、如文档内容存在违规,或者侵犯商业秘密、侵犯著作权等,请点击“违规举报”。

碎片内容

公路工程内业表格施工记录

您可能关注的文档

确认删除?
VIP
微信客服
  • 扫码咨询
会员Q群
  • 会员专属群点击这里加入QQ群
客服邮箱
回到顶部