电脑桌面
添加小米粒文库到电脑桌面
安装后可以在桌面快捷访问

混凝土工程质量监理实施细则VIP免费

混凝土工程质量监理实施细则_第1页
1/15
混凝土工程质量监理实施细则_第2页
2/15
混凝土工程质量监理实施细则_第3页
3/15
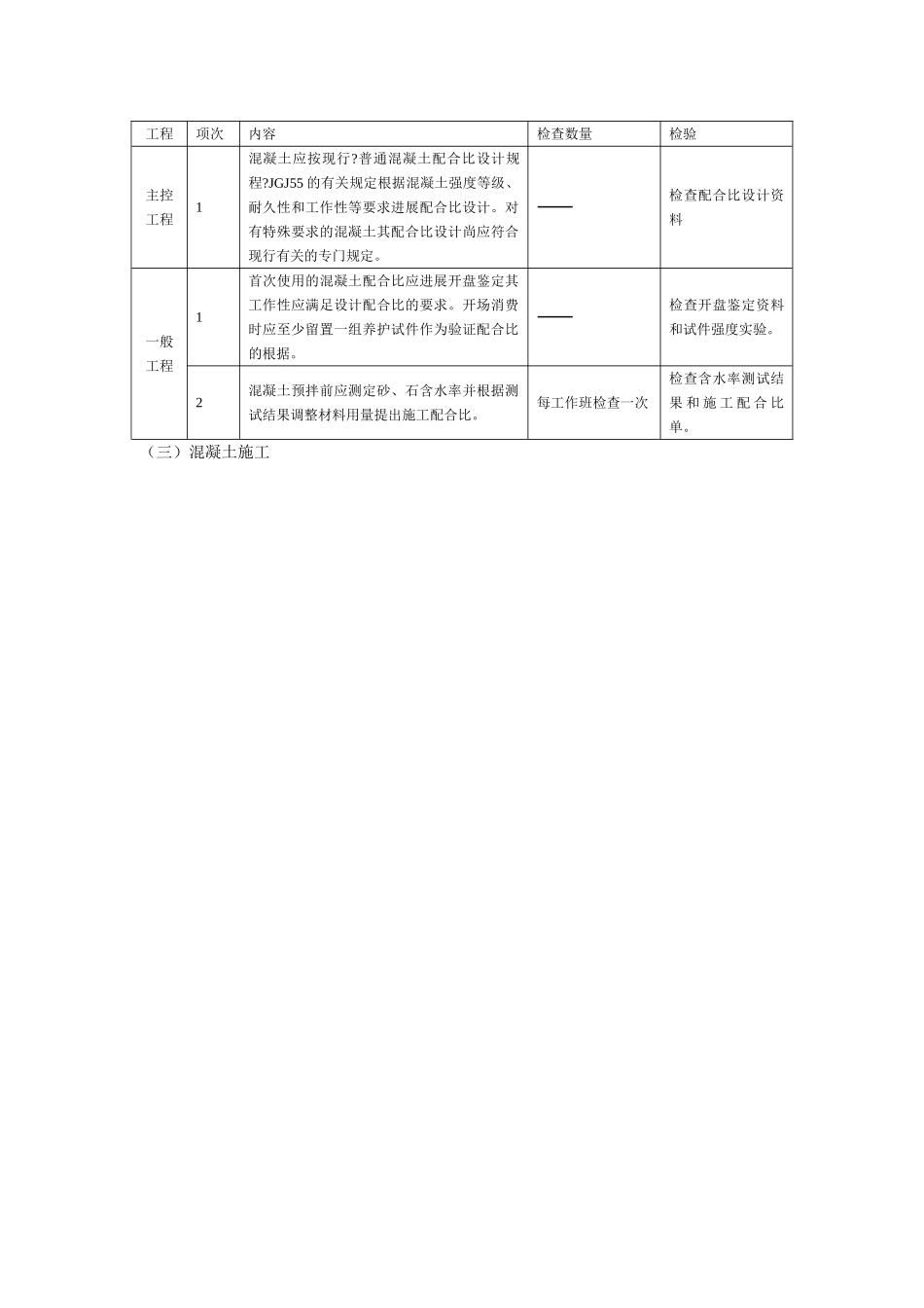
混凝土工程监理施行细那么(一)原材料工程项次内容检查数量检验主控工程11水泥进场时应对其品种、级别、包装或散装仓、出厂日等进展检查并对其强度、安定性及其他必要的性能指标进展复验其质量必须符合现行?硅酸盐水泥普通硅酸盐水泥?GB175等的规定。2当在使用中对水泥质量有疑心或水泥出厂超过三个月〔快硬硅酸盐水泥超过一个月〕时应进展复验并按复验结果使用。3钢筋混凝土构造、预应力混凝土构造中严禁使用含氯化物的水泥。按统一消费厂家、同一等级、同一批进场的水泥袋装不超过200t为一批散装不超过500t为一批每批抽样不少于一次。检查合格证、出厂检验和进场复试。21混凝土中掺用外加剂的质量及应用技术应符合现行?混凝土外加剂?GB8076、?混凝土外加剂应用技术?GB50119等和有关环境保护的规定。2预应力混凝土构造中严禁使用含氯化物的外加剂。钢筋混凝土构造中当使用含氯化物的外加剂时混凝土中氯化物的总含量应符合?混凝土质量控制?GB501的规定。按进场的批次和的抽样检验方案确定。检查合格证、出厂检验和进场复试。3混凝土中氯化物和碱的总含量应符合现行?混凝土构造设计?GB501的规定。—检查原材料试验和氯化物、碱的总含量计算书一般工程1混凝土中掺用矿物掺合料的质量应符合现行?用与水泥和混凝土中的粉煤灰?GB1596等的规定。矿物掺合料应通过试验确定。按进场的批次和的抽样检验方案确定。检查合格证和进场复试。2普通混凝土所用的粗骨料、细骨料的质量应符合现行?混普通混凝土用碎石质量及检验?JG153、?普通混凝土用砂质量及检验?JGJ52的规定。注:1混凝土用的粗骨料其颗粒粒径就不得超过构件截面最小尺寸的1//4且不得超过钢筋最小净间距的3/4。2对混凝土实心板骨料的粒径不宜超过板厚的1/3且不得超过40mm。按进场的批次和的抽样检验方案确定。检查进场复试。3预拌混凝土宜采用饮用水;当采用其他水源时水质应符合现行?混凝土拌合用水?JGJ63的规定。同一水源检查不应少于一次。检查水质实验。(二)配合比设计工程项次内容检查数量检验主控工程1混凝土应按现行?普通混凝土配合比设计规程?JGJ55的有关规定根据混凝土强度等级、耐久性和工作性等要求进展配合比设计。对有特殊要求的混凝土其配合比设计尚应符合现行有关的专门规定。—检查配合比设计资料一般工程1首次使用的混凝土配合比应进展开盘鉴定其工作性应满足设计配合比的要求。开场消费时应至少留置一组养护试件作为验证配合比的根据。—检查开盘鉴定资料和试件强度实验。2混凝土预拌前应测定砂、石含水率并根据测试结果调整材料用量提出施工配合比。每工作班检查一次检查含水率测试结果和施工配合比单。(三)混凝土施工工程项次内容检查数量检验主控工程1构造混凝土的强度等级必须符合设计要求。用于检查构造构件混凝土强度的试件应在混凝土的浇筑地点随机抽取。取样与试件留置应符合以下规定:1每拌制100盘且不超过100m3的同配合比的混凝土取样不得少于一次;2每工作班拌制的同一配合比的混凝土缺乏100盘时取样不得少于一次;3当一次连续浇筑超过1000m3时同一配合比的混凝土每200m3取样不得少于一次;4每一楼层、同一配合比的混凝土取样不得少于一次;5每次取样应至少留置一组养护试件同条件养护试件的留置组数应根据实际需要确定。—检查施工记录及试件强度试验。2对有抗渗要求的混凝土构造其混凝土试件应在浇筑地点随机取样。同一工程、同一配合比的混凝土取样不应少于一次留置组数可根据实际需要确定。—检查试件抗渗试验。3混凝土原材料每盘称量的偏向应符合表7.4.3的规定。原材料每盘称量的允许偏向每工作班抽查不应少于一次。复称材料名称允许偏向水泥、掺合料±2粗、细骨料±3水、外加剂±2注:1各种衡器应定校验每次使用前应进展零点校核保持计量准确;2当遇雨天或含水率有显著变化时应增加含水率检测次数并及时调整水和骨料的用量。4混凝土运输、浇筑及间歇的全部时间不应超过混凝土的初凝时间。同一施工段的混凝土应连续浇筑并应在底层混凝土初凝之前将上一层混凝土浇筑完毕。当底层混凝土初凝后浇筑上一层混凝土时应按施工技术方案中对施工缝的要求进展处理。全数检查。观察检查施工记录。一般工...

1、当您付费下载文档后,您只拥有了使用权限,并不意味着购买了版权,文档只能用于自身使用,不得用于其他商业用途(如 [转卖]进行直接盈利或[编辑后售卖]进行间接盈利)。
2、本站所有内容均由合作方或网友上传,本站不对文档的完整性、权威性及其观点立场正确性做任何保证或承诺!文档内容仅供研究参考,付费前请自行鉴别。
3、如文档内容存在违规,或者侵犯商业秘密、侵犯著作权等,请点击“违规举报”。

碎片内容

混凝土工程质量监理实施细则

您可能关注的文档

确认删除?
VIP
微信客服
  • 扫码咨询
会员Q群
  • 会员专属群点击这里加入QQ群
客服邮箱
回到顶部