电脑桌面
添加小米粒文库到电脑桌面
安装后可以在桌面快捷访问

房建施工混凝土工程技术交底书VIP免费

房建施工混凝土工程技术交底书_第1页
1/4
房建施工混凝土工程技术交底书_第2页
2/4
房建施工混凝土工程技术交底书_第3页
3/4
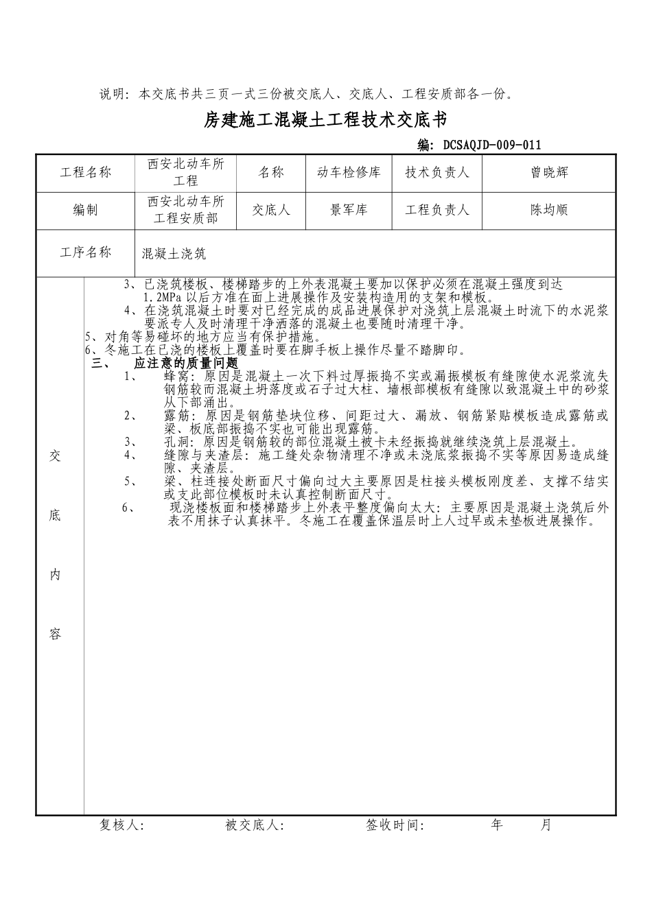
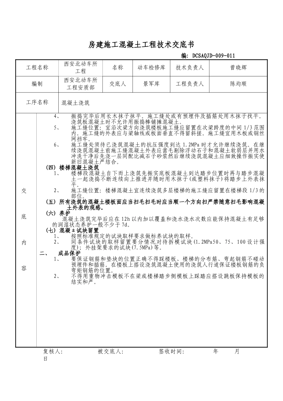
房建施工混凝土工程技术交底书编:DCSAQJD-009-011工程名称西安北动车所工程名称动车检修库技术负责人曾晓辉编制西安北动车所工程安质部交底人景军库工程负责人陈均顺工序名称混凝土浇筑交底内容(一)混凝土浇筑与振捣的一般要求1、使用插入式振捣器应快插慢拔插点要均匀排列逐点挪动顺序进展不得遗漏做到均匀振实。挪动间距不大于振捣作用半径的1.25倍(一般为300~400mm)。振捣上一层时应插入下层5~10cm以使两层混凝土结合结实。振捣时振捣棒不得触及钢筋和模板。外表振动器(或称平板振动器)的挪动间距应保证振动器的平板覆盖已振实局部的边缘。2、浇筑混凝土应连续进展。如必须间歇其间歇时间应尽量缩短并应在前层混凝土初凝之前将次层混凝土浇筑完毕。间歇的最长时间应按所用水泥品种、气温及混凝土凝结条件确定一般超过2h应按施工缝处理(当混凝土的凝结时间小于2h时那么应当执行混凝土的初凝时间)。3、浇筑混凝土时应经常观察模板、钢筋、预留孔洞、预埋件和插筋等有无挪动、变形或堵塞情况发现问题应立即处理并应在已浇筑的混凝土初凝前修正完好。(二)柱的混凝土浇筑1、柱浇筑前底部应先填5~10cm厚与混凝土配合比一样的石子砂浆柱混凝土应分层浇筑振捣使用插入式振捣器时每层厚度不大于50cm振捣棒不得触动钢筋和预埋件。2、柱高在2m之内可在柱顶直接下灰浇筑超过2m时应采取用滑槽、漏斗等器具或通过模板上的预留的孔口浇注。3、柱子混凝土的分层厚度应当经过计算确定并且应当计算每层混凝土的浇筑量保证混凝土的分层准确。混凝土振捣人员必须装备充足的照明设备保证振捣人员可以看清混凝土的振捣情况。4、柱子混凝土应一次浇筑完毕如需留施工缝时应留在主梁下面。(三)梁、板混凝土浇筑1、梁、板应同时浇筑浇筑应由一端开场用“赶浆法即先浇筑梁根据梁高分层〞浇筑成阶梯形当到达板底位置时再与板的混凝土一起浇筑随着阶梯形不断延伸梁板混凝土浇筑连续向前进展。浇捣时浇筑与振捣必须严配合第一层下料慢些梁底充分振实后再下第二层料用“赶浆法保持水泥浆沿梁底包裹石子向前推〞进每层均应振实后再下料梁底及梁侧部位要注意振实振捣时不得触动钢筋及预埋件。2、梁柱节点钢筋较时此处宜用小粒径石子同强度等级的混凝土浇筑并用小直径振捣棒振捣。3、浇筑板混凝土的虚铺厚度应略大于板厚用平板振捣器垂直浇筑方向来回振捣厚板可用插入式振捣器顺浇筑方向拖拉振捣并用铁插尺检查混凝土厚度复核人:被交底人:签收时间:年月日房建施工混凝土工程技术交底书编:DCSAQJD-009-011工程名称西安北动车所工程名称动车检修库技术负责人曾晓辉编制西安北动车所工程安质部交底人景军库工程负责人陈均顺工序名称混凝土浇筑交底内容4、振捣完毕后用长木抹子抹平。施工缝处或有预埋件及插筋处用木抹子找平。浇筑板混凝土时不允许用振捣棒铺摊混凝土。5、施工缝位置:宜沿次梁方向浇筑楼板施工缝应留置在次梁跨度的中间1/3范围内。施工缝的外表应与梁轴线或板面垂直不得留斜搓。施工缝宜用木板或钢丝网挡牢。6、施工缝处须待已浇筑混凝土的抗压强度到达1.2MPa时才允许继续浇筑。在继续浇筑混凝土前施工缝混凝土外表应凿毛剔除浮动石子和混凝土软弱层并用水冲洗干净后先浇一层同配比减石子砂浆然后继续浇筑混凝土应细致操作振实使新旧混凝土严结合。(四)楼梯混凝土浇筑1、楼梯段混凝土自下而上浇筑先振实底板混凝土到达踏步位置时再与踏步混凝土一起浇捣不断连续向上推进并随时用木抹子(或塑料抹子)将踏步上外表抹平。2、施工缝位置:楼梯混凝土宜连续浇筑多层楼梯的施工缝应留置在楼梯段1/3的部位。(五)所有浇筑的混凝土楼板面应当扫毛扫毛时应当顺一个方向扫严禁随意扫毛影响混凝土外表的观感。(六)养护混凝土浇筑完毕后应在12h以内加以覆盖和浇水浇水次数应能保持混凝土有足够的润湿状态养护一般不少于7d。(七)混凝±试块留置1、按照标准规定的试块取样要求做标养试块的取样。2、同条件试块的取样留置要分情况对待拆模试块(1.2MPa50、75、100设计强度);外挂架要求的试块(7.5MPa)等。二、成品保护1、要保证钢筋和垫块的位置正确不得踩楼板、楼梯的分布筋、弯起钢筋不碰动预埋件和插筋。在楼板...

1、当您付费下载文档后,您只拥有了使用权限,并不意味着购买了版权,文档只能用于自身使用,不得用于其他商业用途(如 [转卖]进行直接盈利或[编辑后售卖]进行间接盈利)。
2、本站所有内容均由合作方或网友上传,本站不对文档的完整性、权威性及其观点立场正确性做任何保证或承诺!文档内容仅供研究参考,付费前请自行鉴别。
3、如文档内容存在违规,或者侵犯商业秘密、侵犯著作权等,请点击“违规举报”。

碎片内容

房建施工混凝土工程技术交底书

您可能关注的文档

确认删除?
VIP
微信客服
  • 扫码咨询
会员Q群
  • 会员专属群点击这里加入QQ群
客服邮箱
回到顶部