电脑桌面
添加小米粒文库到电脑桌面
安装后可以在桌面快捷访问

平瓦屋面监理实施细则VIP免费

平瓦屋面监理实施细则_第1页
1/8
平瓦屋面监理实施细则_第2页
2/8
平瓦屋面监理实施细则_第3页
3/8
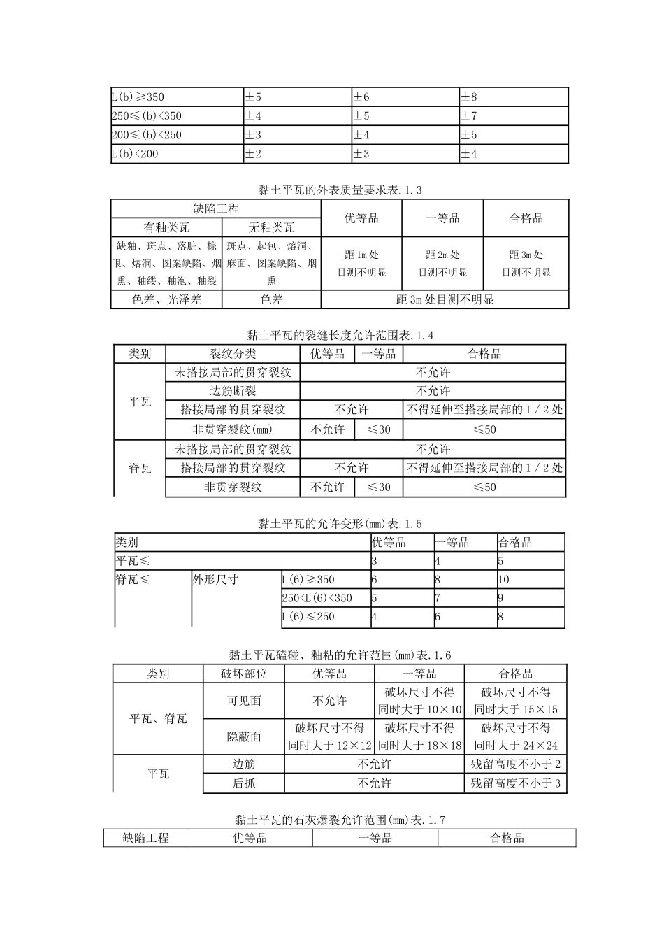
0407平瓦屋面监理施行细那么根据:?建筑工程施工质量验收统一?GB50300-2001?屋面工程施工质量验收?GB50207-20021、范围本工艺适用于工业与民用建筑平瓦屋面工程。平瓦屋面是采用黏土、水泥等材料制成的平瓦铺设在钢筋混凝土或木基层上进展防水。它适用于防水等级为Ⅱ级、Ⅲ级、Ⅳ级以及坡度不小于20%的屋面。在大风或地区。平瓦屋面应采取措施使瓦与屋面基层固定结实。2、施工准备2.1材料要求平瓦和脊瓦的规格及质量要求平瓦主要是指传统的黏土机制平瓦和水泥平瓦平瓦屋面由平瓦和脊瓦组成平瓦用于铺盖坡面脊瓦铺盖于屋脊上。黏土平瓦及其脊瓦是以黏土压制或挤压成型、枯燥焙烧而成。水泥平瓦及脊瓦是用水泥、砂加水搅拌经机械滚压成型常压蒸汽养护后制成。.1黏土平瓦及脊瓦的规格和质量要求黏土平瓦及脊瓦的规格尺寸及质量要求分别见表.1.1~表。黏土平瓦的规格及主要规格尺寸(mm)表.1.1类别规格根本尺寸平瓦400×240~360×220厚度瓦槽深度边筋高度搭接局部长度瓦抓头尾内外槽压制瓦挤出瓦后抓有效高度10~20≥1O>t350~7025~40具有四个瓦抓保证两个后抓≥5脊瓦L≥300b≥180AL1dh110~2025~35>b/4≥15黏土平瓦的尺寸允许偏向(mm)表.1.2外形尺寸范围优等品一等品合格品L(b)≥350±5±6±8250≤(b)<350±4±5±7200≤(b)<250±3±4±5L(b)<200±2±3±4黏土平瓦的外表质量要求表.1.3缺陷工程优等品一等品合格品有釉类瓦无釉类瓦缺釉、斑点、落脏、棕眼、熔洞、图案缺陷、烟熏、釉缕、釉泡、釉裂斑点、起包、熔洞、麻面、图案缺陷、烟熏距1m处目测不明显距2m处目测不明显距3m处目测不明显色差、光泽差色差距3m处目测不明显黏土平瓦的裂缝长度允许范围表.1.4类别裂纹分类优等品一等品合格品平瓦未搭接局部的贯穿裂纹不允许边筋断裂不允许搭接局部的贯穿裂纹不允许不得延伸至搭接局部的1/2处非贯穿裂纹(mm)不允许≤30≤50脊瓦未搭接局部的贯穿裂纹不允许搭接局部的贯穿裂纹不允许不得延伸至搭接局部的1/2处非贯穿裂纹不允许≤30≤50黏土平瓦的允许变形(mm)表.1.5类别优等品一等品合格品平瓦≤345脊瓦≤外形尺寸L(6)≥35068102502kg优等品±5%一等品、合格品±10%掉角欠缺局部(mm)在瓦面上造成的破坏尺寸不得同时大于10瓦爪残缺、边筋坍塌或外槽外缘边筋断裂不允许瓦面裂缝长度(mm)≤15擦边长度不得超过(在瓦面上造成的破坏宽度小于5mm者不计)30mm吸水率(%)优等品、一等品≤10合格品≤12抗渗性经抗渗试验瓦反面不得出现水滴现象水泥平瓦的承载力值表.2.2工程有筋槽平瓦无筋槽平瓦瓦脊高度d(mm)d<5-遮盖宽度b1(mm)≥300≤200-承载力值Fc(N)1200800550注:1.遮盖宽度200~300mm间的有筋槽平瓦其承载力值应按表中所列的值用线性内插法确定。2.平瓦承载力实测平均值不得小于承载力可验收值(Fok);Fok≥Fc+1.σ.3平瓦及脊瓦的运输堆放瓦材为易碎材料在包装、搬运和存放时应注意瓦材的完好性。每块瓦均应用草绳花缠出厂;运输车厢用柔软材料垫稳搬运轻拿轻放不得碰撞、抛扔;堆放应整齐平瓦侧放靠紧堆放高度不超过5层脊瓦呈人字形堆放。2.2施工准备工作屋面木基层的施工要求.1檩条、椽条、封檐板等的施工允许偏向及检查见表。檩条、椽条、封檐板质量检查表表.1项次工程允许偏向(mm)检查1檩条、椽条方木截面-2钢尺量原木梢径-5钢尺量椭圆时取大小径的平均值间距-10钢尺量方木上外表平直4沿坡拉线钢尺量原木上外表平直72油毡搭接宽度-10钢尺量3...

1、当您付费下载文档后,您只拥有了使用权限,并不意味着购买了版权,文档只能用于自身使用,不得用于其他商业用途(如 [转卖]进行直接盈利或[编辑后售卖]进行间接盈利)。
2、本站所有内容均由合作方或网友上传,本站不对文档的完整性、权威性及其观点立场正确性做任何保证或承诺!文档内容仅供研究参考,付费前请自行鉴别。
3、如文档内容存在违规,或者侵犯商业秘密、侵犯著作权等,请点击“违规举报”。

碎片内容

平瓦屋面监理实施细则

您可能关注的文档

确认删除?
VIP
微信客服
  • 扫码咨询
会员Q群
  • 会员专属群点击这里加入QQ群
客服邮箱
回到顶部