电脑桌面
添加小米粒文库到电脑桌面
安装后可以在桌面快捷访问

国贸实务期末复习VIP免费

国贸实务期末复习_第1页
1/9
国贸实务期末复习_第2页
2/9
国贸实务期末复习_第3页
3/9
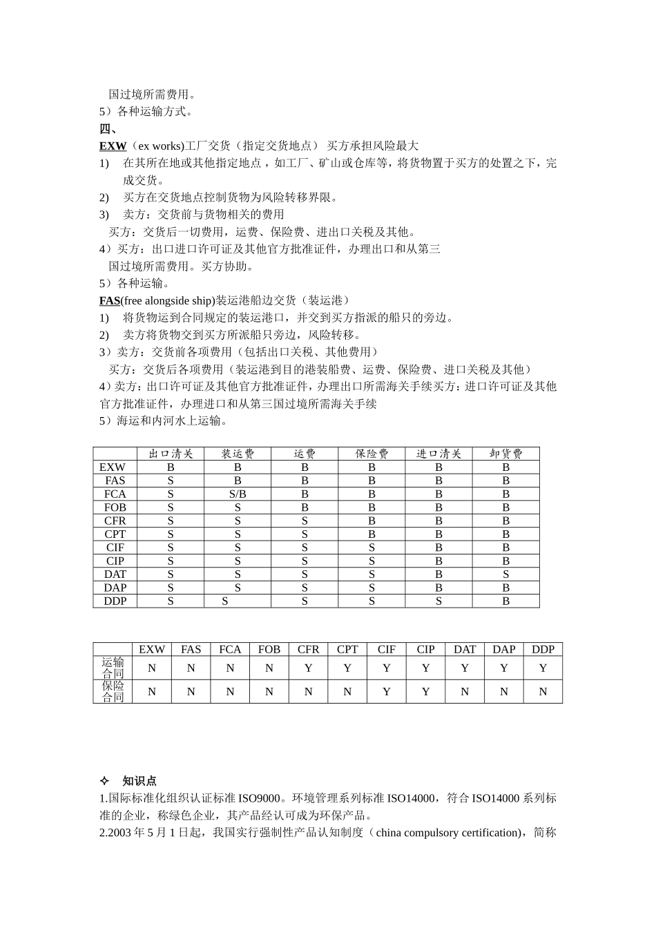
贸易术语复习重点1)货物的交付2)风险的转移3)主要费用的划分4)通关手续的办理5)适合的运输方式一、装运港船上交货FOB(freeonboard)装运港船上交货(装运港)离岸价1)装运港船上交货。2)卖方在装运港将货物交到买方所派船上,风险转移。3)卖方:交货前各项费用(包括出口关税、其他费用)买方:交货后各项费用(装运港到目的港运费、进口关税及其他)4)卖方:出口许可证及其他官方批准证件,办理出口所需海关手续买方:进口许可证及其他官方批准证件,办理进口和从第三国过境所需海关手续5)水上运输。CFR(costandfreight)成本加运费(目的港)1)卖方将货物运到装运港自己安排的船只上,或以取得已装船证明2)卖方在装运港完成交货义务,风险转移。3)卖方:FOB+装运港到目的港的运费和相关费用买方:交货后各项费用(进口关税及其他)4)卖方:出口许可证及其他官方批准证件,办理出口所需海关手续买方:进口许可证及其他官方批准证件,办理进口和从第三国过境所需海关手续。5)水上运输。CIF(costinsuranceandfreight)成本加保险费、运费(目的港)只从价格考虑为到岸价1)卖方将货物运到装运港自己安排的船只上,或以取得已装船证明2)卖方在装运港完成交货义务,风险转移。3)卖方:FOB+装运港到目的港的运费和相关费用+水上运输保险费买方:交货后各项费用(进口关税及其他)4)卖方:出口许可证及其他官方批准证件,办理出口所需海关手续买方:进口许可证及其他官方批准证件,办理进口和从第三国过境所需海关手续。5)水上运输。二、货交承运人FCA(freecarrier)货交承运人(指定交货地)1)货交买方指定承运人2)货交承运人,风险转移3)卖方:交货前各项费用(包括出口关税、其他费用)买方:交货后各项费用(承运的运费、进口关税及其他)4)卖方:出口许可证及其他官方批准证件,办理出口所需海关手续买方:进口许可证及其他官方批准证件,办理进口和从第三国过境所需海关手续。5)各种运输方式(公路、铁路、水上、航空、多式联运)CPT(carriagepaidto)运费付至(目的地)1)货交卖方指定承运人或第一承运人2)货交承运人,风险转移3)卖方:交货前费用(出口关税、其他)运费、装货费、卸货费买方:交货后除运费的费用(进口关税和其他4)卖方:出口许可证及其他官方批准证件,办理出口所需海关手续买方:进口许可证及其他官方批准证件,办理进口和从第三国过境所需海关手续。5)各种运输。CIP(carriageandinsurancepaidto)运费、保险费付至(目的地)1)货交卖方指定承运人或第一承运人2)货交承运人,风险转移3)卖方:交货前费用,运费、装货费、卸货费、保险费买方:交货后除运费的费用(进口关税和其他)4)卖方:出口许可证及其他官方批准证件,办理出口所需海关手续买方:进口许可证及其他官方批准证件,办理进口和从第三国过境所需海关手续。5)各种运输。三、DAT(deliveredatterminal)运输终端交货(指定港口或目的地的运输终端)1)将货物运到合同规定的港口或目的地的约定运输终端,并将货物从抵达的载货运输工具上卸下,交给买方处置时即完成交货。2)买方在交货地点控制货物为风险转移界限3)卖方:交货地点前费用,包括出口关税、经第三国过境费用,运费、装货费及合同规定的卸货费。买方:交货地点交货后的费用,包括进口关税及其他4)卖方:出口许可证及其他官方批准证件,办理出口和从第三国过境所需费用。买方:进口许可证及其他官方批准证件,办理进口所需海关手续。5)各种运输方式。DAP(deliveredatplace)目的地交货(目的地)1)将货物运到合同规定的目的地的约定地点,并将货物置于买方控制之下,在卸货之前即完成交货。2)货物交给买方控制为风险分割3)卖方:交货地点前费用,包括出口关税、经第三国过境费用,运费、装货费及合同规定的相关卸货费。买方:交货地点交货后的费用,包括目的地的卸货费及进口关税4)卖方:出口许可证及其他官方批准证件,办理出口和从第三国过境所需费用。买方:进口许可证及其他官方批准证件,办理进口所需海关手续。5)各种运输方式。DDP(delivereddutypaid)完税后交货(目的地)卖方承担风险最大1)将货物运到合同规定的目的...

1、当您付费下载文档后,您只拥有了使用权限,并不意味着购买了版权,文档只能用于自身使用,不得用于其他商业用途(如 [转卖]进行直接盈利或[编辑后售卖]进行间接盈利)。
2、本站所有内容均由合作方或网友上传,本站不对文档的完整性、权威性及其观点立场正确性做任何保证或承诺!文档内容仅供研究参考,付费前请自行鉴别。
3、如文档内容存在违规,或者侵犯商业秘密、侵犯著作权等,请点击“违规举报”。

碎片内容

国贸实务期末复习

您可能关注的文档

文章天下+ 关注
实名认证
内容提供者

各种文档应有尽有

相关文档

确认删除?
VIP
微信客服
  • 扫码咨询
会员Q群
  • 会员专属群点击这里加入QQ群
客服邮箱
回到顶部