电脑桌面
添加小米粒文库到电脑桌面
安装后可以在桌面快捷访问

线路设计常用参数VIP免费

线路设计常用参数_第1页
1/17
线路设计常用参数_第2页
2/17
线路设计常用参数_第3页
3/17
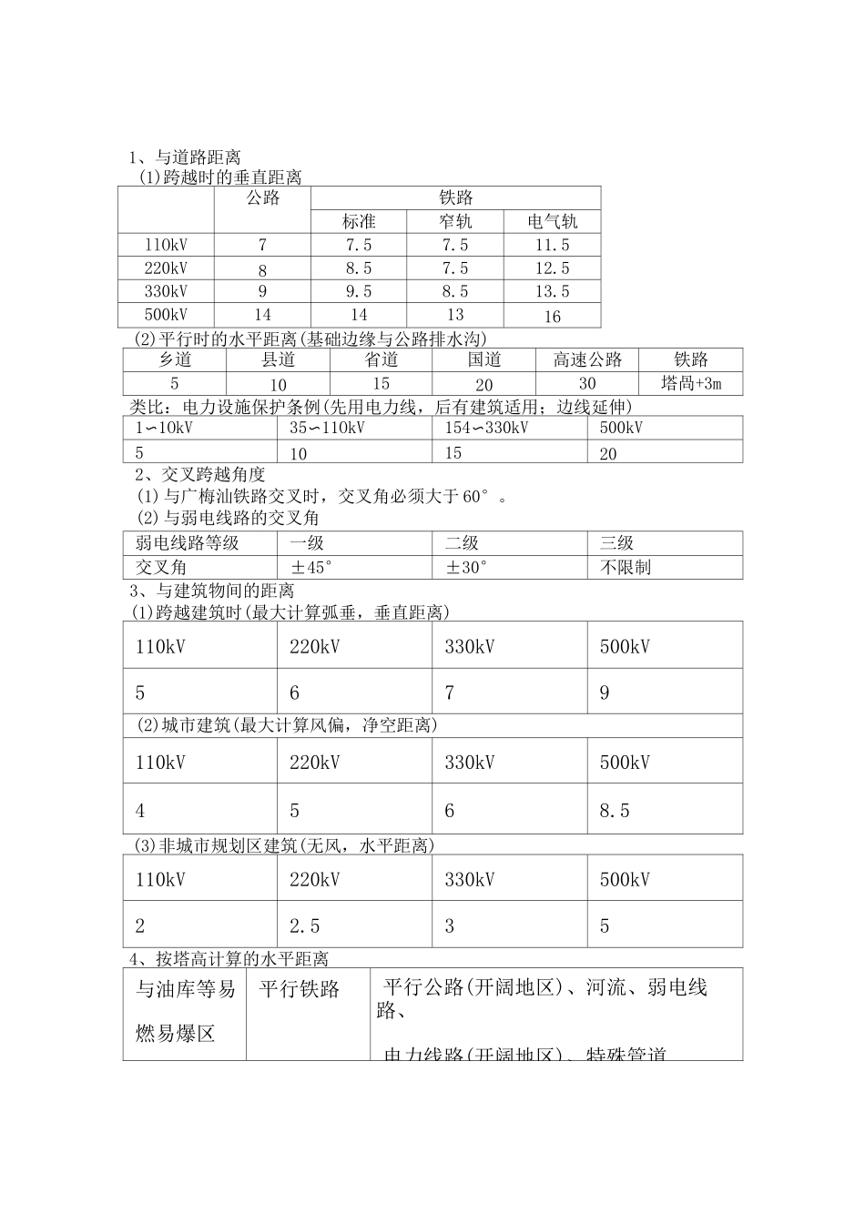
1、与道路距离(1)跨越时的垂直距离公路铁路标准窄轨电气轨llOkV77.57.511.5220kV88.57.512.5330kV99.58.513.5500kV14141316(2)平行时的水平距离(基础边缘与公路排水沟)乡道县道省道国道高速公路铁路510152030塔咼+3m类比:电力设施保护条例(先用电力线,后有建筑适用;边线延伸)1〜1OkV35〜11OkV154〜330kV500kV51015202、交叉跨越角度(1)与广梅汕铁路交叉时,交叉角必须大于60°。(2)与弱电线路的交叉角弱电线路等级一级二级三级交叉角±45°±30°不限制3、与建筑物间的距离(1)跨越建筑时(最大计算弧垂,垂直距离)110kV220kV330kV500kV5679(2)城市建筑(最大计算风偏,净空距离)110kV220kV330kV500kV4568.5(3)非城市规划区建筑(无风,水平距离)110kV220kV330kV500kV22.5354、按塔高计算的水平距离与油库等易燃易爆区平行铁路平行公路(开阔地区)、河流、弱电线路、电力线路(开阔地区)、特殊管道1.5倍塔咼塔咼+3m塔咼5、跨树距离(1)导线与树木间垂直距离110kV220kV330kV500kV44.55.57(2)无准确资料时估算树木自然生长高度桉树橡胶树荔枝柑桔20151066、与石场距离条件允许:500m以外;条件不允许:200m(背向爆破面)或300m(正向爆破面)以外。7、接地体与石油天然气埋地管道距离W10kV35kV110kV$220kV135108、与机场距离与跑道端或跑道中心线距离三4km。9、接地体与埋地通信线免计算保证距离W220kV500kV305010、与无线电台间距离11、交叉跨越时塔位与控制物距离(m)铁路30重要通航河流50高级坟地、庙塔不可立于坟口、庙口,线路宜从其后方通过。跨(穿)越电力线考虑被跨线路导线最大风偏时与跨越塔间距离。12、规程中与铁路、公路、河流、管道、索道及各种架空线路交叉或接近的基本要求二、电气间隙1、带电部分与杆塔构件的最小间隙110kV220kV330kV500kV雷电过电压1.01.92.33.33.3(等高绝缘配置时,单回路3.7,双回路4.1)操作过电压0.71.451.952.52.7工频电压0.250.550.91.21.3带电作业1.0(+0.5)1.8(+0.5)2.2(+0.5)3.2(+0.5)2、变电站OY引下线110kV220kV500kV1.22.44.33、跳线对横担底部距离110kV220kV1.52.64、档中线间距离110kV220kV330kV500kV3.55.57.510.05、上下层导地线水平偏移标称电压110220330500设计冰厚0.51.01.51.7510mm设计冰厚0.71.52.02.515mm6、绝缘地线绝缘子间隙一般为15mm。三、绝缘配合、防雷1、爬电比距配置(1)爬电比距要求(按额定电压)行标要求玻璃和瓷绝缘子复合绝缘子所有电压所有电压110kV、220kV500kV零、I级1.6〜2.0$2.0$2.3$2.2II级2.0〜2.52.25〜2.5III级2.5〜3.22.85〜3.2$2.88$2.75IV级3.2〜3.83.5〜3.8(2)有效系数(悬垂钟罩型、深棱型玻璃和瓷绝缘子)零〜II级:0.9〜0.95;III〜IV级:0.8〜0.852、复合绝缘子防雷选择(1)110kV(FXBW-110/100)型号结构高度(mm)干弧距离(mm)对应绝缘子片数适用塔高(m)A124010007W49.9B139011508W59.9C154013009W69.9D1690145010W79.9E1840160011W89.9F1990175012W99.9(2)220kV(FXBW—220/100)型号结构高度(mm)干弧距离(mm)对应绝缘子片数适用塔高(m)A2150190014W59.9B2300205015W69.9C2450220016W79.9D2600235017W89.9E2750250018W99.9(3)500kV(FXBW—500/180)型号结构高度(mm)干弧距离(mm)对应绝缘子片数适用塔高(m)28W79.9A4450400029W89.9B4600415030W99.9C4750430031W109.9D4900445032W119.93、等高绝缘配置绝缘子片数110kV220kV500kV单回路91528双回路91631四、构架参数1、构架尺寸(1)110kV丫1.20.52.02.00.51.25.0地线挂点高:12.75m;导线挂点高:10.25m。(2)220kV地线挂点高:18.5m;导线挂点高:14.5m。(3)500kV地线挂点高:36m;导线挂点高:27.5m。2、构架荷载(kgf)地线(一根)导线(一相)110kV600900220kV6001200(2000)500kV8005000(6000)注:括号中为新建构架荷载。五、防振锤安装1、安装数量与档距123dV12.0mmW300>300〜600>600〜90012.0WdVW350>350〜700>700〜22.0100022.0WdVW450>450〜800>800〜37.112002、铝包带用量(钢绞线不需)防振锤型号FD-2FD-3FD-4,FR-2FD-5,FR-3FD6,FR-4铝包带用量0.0220.030.040050.06(kg)六、常用地线短路电流容量地线型号铝截面(mm2)铝合金截面(mm2)钢截面(mm2)铝包钢截面(mm2)...

1、当您付费下载文档后,您只拥有了使用权限,并不意味着购买了版权,文档只能用于自身使用,不得用于其他商业用途(如 [转卖]进行直接盈利或[编辑后售卖]进行间接盈利)。
2、本站所有内容均由合作方或网友上传,本站不对文档的完整性、权威性及其观点立场正确性做任何保证或承诺!文档内容仅供研究参考,付费前请自行鉴别。
3、如文档内容存在违规,或者侵犯商业秘密、侵犯著作权等,请点击“违规举报”。

碎片内容

线路设计常用参数

您可能关注的文档

确认删除?
VIP
微信客服
  • 扫码咨询
会员Q群
  • 会员专属群点击这里加入QQ群
客服邮箱
回到顶部