电脑桌面
添加小米粒文库到电脑桌面
安装后可以在桌面快捷访问

机械制造技术基础试题及答案汇编VIP免费

机械制造技术基础试题及答案汇编_第1页
1/15
机械制造技术基础试题及答案汇编_第2页
2/15
机械制造技术基础试题及答案汇编_第3页
3/15
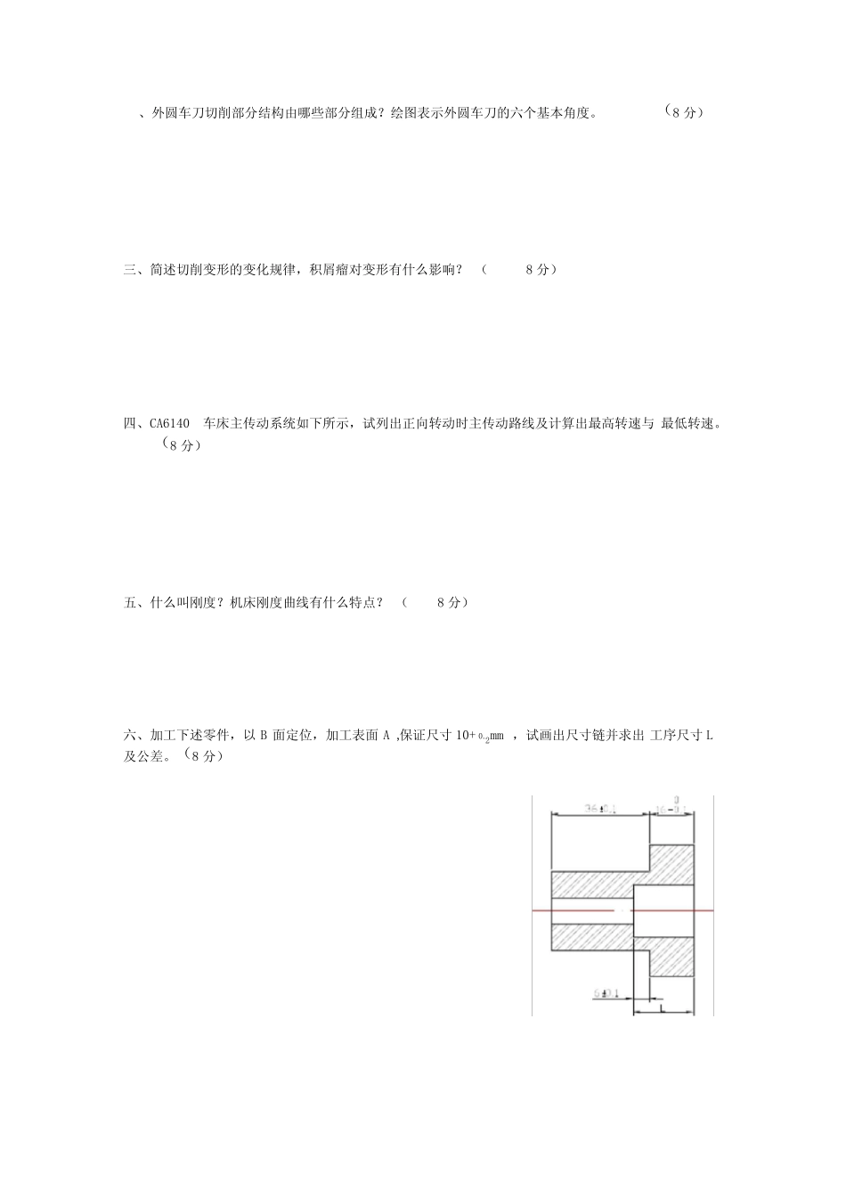
机械制造技术基础(试题1)班级姓名学号成绩一、填空选择题(30分)1.刀具后角是指。2.衡量切削变形的方法有两种,当切削速度提高时,切削变形(增加、减少)。3.精车铸铁时应选用(YG3、YT10、YG8);粗车钢时,应选用(YT5、YG6、YT30)。4.当进给量增加时,切削力(增加、减少),切削温度(增加、减少)。5.粗磨时,应选择(软、硬)砂轮,精磨时应选择(紧密、疏松)组织砂轮。6.合理的刀具耐用度包括与两种。7.转位车刀的切削性能比焊接车刀(好,差),粗加工孔时,应选择(拉刀、麻花钻)刀具。8.机床型号由与按一定规律排列组成,其中符号C代表(车床、钻床)。9.滚斜齿与滚直齿的区别在于多了一条(范成运动、附加运动)传动链。滚齿时,刀具与工件之间的相对运动称(成形运动、辅助运动)。10.进行精加工时,应选择(水溶液,切削油),为改善切削加工性,对高碳钢材料应进行(退火,淬火)处理。11.定位基准与工序基准不一致引起的定位误差称(基准不重合、基准位置)误差,工件以平面定位时,可以不考虑(基准不重合、基准位置)误差。12.机床制造误差是属于(系统、随机)误差,一般工艺能力系数Cp应不低于(二级、三级)。13.在常用三种夹紧机构中,增力特性最好的是机构,动作最快的是机构。14.一个浮动支承可以消除(0、1、2)个自由度,一个长的v型块可消除(3,4,5)个自由度。15.工艺过程是指______________________________________________________________________、外圆车刀切削部分结构由哪些部分组成?绘图表示外圆车刀的六个基本角度。(8分)三、简述切削变形的变化规律,积屑瘤对变形有什么影响?(8分)四、CA6140车床主传动系统如下所示,试列出正向转动时主传动路线及计算出最高转速与最低转速。(8分)五、什么叫刚度?机床刚度曲线有什么特点?(8分)六、加工下述零件,以B面定位,加工表面A,保证尺寸10+0.2mm,试画出尺寸链并求出工序尺寸L及公差。(8分)34.8p.i6mm,试计算定位误差八、试制定图示零件(单件小批生产)的工艺路线。(12分)七、在一圆环形工件上铳键槽,用心轴定位,要求保证尺寸并分析这种定位是否可行。(8分)九、在六角自动车床上加工一批*1^°-03mm滚子,用抽样检验并计算得到全部工件的平一U.U8均尺寸为①17.979mm,均方根偏差为U.U4mm,求尺寸分散范围与废品率。X-X1.2U1.251.3U1.5FU.3849U.3944U.4U32U.4332试题1参考答案I.后刀面与切削平面间的夹角。4.增加,增加5.8.字母,数字,车床II.基准不重合,基准位置2.变形系数与滑移系数,软,紧密6.Tc,Tp9.附加运动,成型运动12.系统,二级减少3.YG3,YT57.好,麻花钻10.切削油,退火13.螺旋,圆偏心14.1,415.用机械加工方法直接改变原材料或毛坯的形状、尺寸和性能,使之成为合格零件的过程。外圆车刀的切削部分结构由前刀面、后刀面、付后刀面、主切削刃、付切削刃与刀尖组成。六个基本角度是:r。、ao、kr、kr'、入s、ao'变形规律:rof,Ah$;Vcf,Ah$;ff,Ah$;HBf,A回积屑瘤高度Hbf,引起刀具前角增加,使Ah$四.最高转速约1400r/min,最低转速约10r/min五.刚度是指切削力在加工表面法向分力,Fr与法向的变形Y的比值。机床刚度曲线特点:刚度曲线不是直线;加载与卸载曲线不重合;载荷去除后,变形恢复不到起点。六..0L=22mmm七.△定=0.022mm,定位装置可行。八.工序1:粗车各外圆、端面、①60圆孔;精车①200外圆与端面,精像①60孔;精车①96外圆、端面B与端面C(车床)工序2:插槽(插床)工序3:钻6一①20孔(钻床)工序4:去毛刺(钳工台)九.尺寸分散范围:17.859—18.099mm废品率:17.3%机械制造技术基础(试题2)班级姓名学号成绩一、填空选择题(30分)1.工序是指__________________________________________________________________________2.剪切角增大,表明切削变形(增大,减少);当切削速度提高时,切削变形(增大,减少)。3.当高速切削时,宜选用(高速钢,硬质合金)刀具;粗车钢时,应选用(YT5、YG6、YT30)。4.CA6140车床可加工??、等四种螺纹。5.不经修配与调整即能达到装配精度的方法称为(互换法、选配法)。6.当主偏角增大时,刀具耐用度(增加,减少),...

1、当您付费下载文档后,您只拥有了使用权限,并不意味着购买了版权,文档只能用于自身使用,不得用于其他商业用途(如 [转卖]进行直接盈利或[编辑后售卖]进行间接盈利)。
2、本站所有内容均由合作方或网友上传,本站不对文档的完整性、权威性及其观点立场正确性做任何保证或承诺!文档内容仅供研究参考,付费前请自行鉴别。
3、如文档内容存在违规,或者侵犯商业秘密、侵犯著作权等,请点击“违规举报”。

碎片内容

机械制造技术基础试题及答案汇编

您可能关注的文档

确认删除?
VIP
微信客服
  • 扫码咨询
会员Q群
  • 会员专属群点击这里加入QQ群
客服邮箱
回到顶部