电脑桌面
添加小米粒文库到电脑桌面
安装后可以在桌面快捷访问

(完整)手提袋标准VIP免费

(完整)手提袋标准_第1页
1/2
(完整)手提袋标准_第2页
2/2
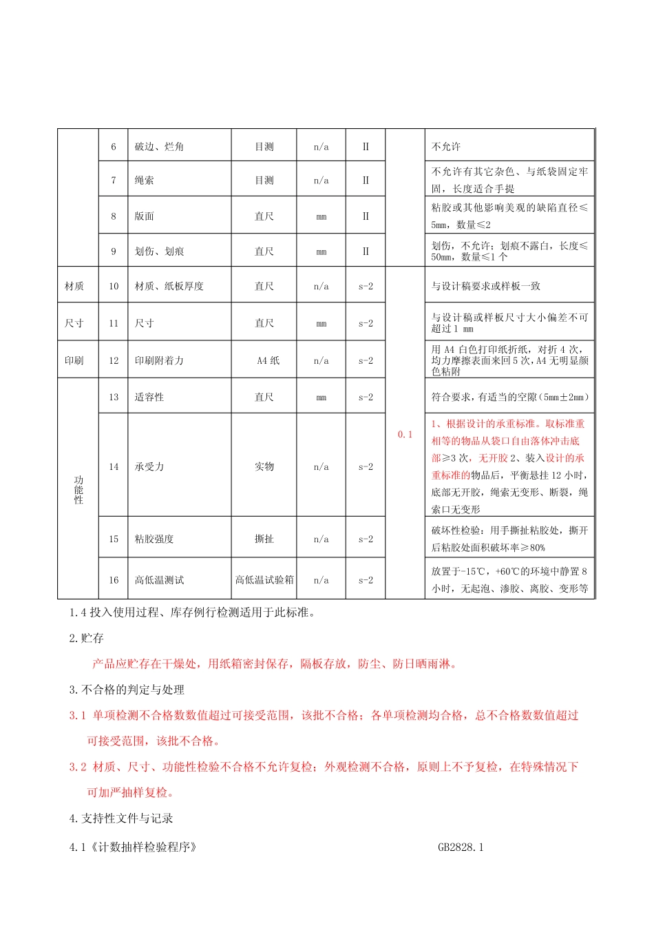
备注:标识“▲”部门表示必须会签。1.技术要求1.1材质:根据设计要求。2.2取样数量如下(依据GB2828.1-2012《计数抽样检验程序》)批量(个)外观检查抽样数量功能性检查抽样数量正常取样量(个)正常取样量(个)2-8229-153216-255226-508351-9013391-150203151-280325281-500505501-12008051201-320012583201-10000200810001-35000315835001-15000050013150001-50000080013500000以上1250131.3质量指标生产工艺:选材、印刷、覆膜、表面整饰、模切加工、粘合、冲孔、穿绳类别序号检测项目检测方法/检测工具精度值检验水平AQL值判定标准外观1颜色目测n/aⅡ2.5与设计稿要求一致或与样版无明显色差2文字/图案目测n/aⅡ清晰,内容、字体大小等与设计稿或样板一致3覆膜目测n/aⅡ均匀平整,无起泡、无麻点4模切目测n/aⅡ切边完整正确,无多料、无毛刺5粘合/裱合目测n/aⅡ牢固无开裂、无气泡、多余胶水溢出6破边、烂角目测n/aⅡ不允许7绳索目测n/aⅡ不允许有其它杂色、与纸袋固定牢固,长度适合手提8版面直尺mmⅡ粘胶或其他影响美观的缺陷直径≤5mm,数量≤29划伤、划痕直尺mmⅡ划伤,不允许;划痕不露白,长度≤50mm,数量≤1个材质10材质、纸板厚度直尺n/as-20.1与设计稿要求或样板一致尺寸11尺寸直尺mms-2与设计稿或样板尺寸大小偏差不可超过1mm印刷12印刷附着力A4纸n/as-2用A4白色打印纸折纸,对折4次,均力摩擦表面来回5次,A4无明显颜色粘附功能性13适容性直尺mms-2符合要求,有适当的空隙(5mm±2mm)14承受力实物n/as-21、根据设计的承重标准。取标准重相等的物品从袋口自由落体冲击底部≥3次,无开胶2、装入设计的承重标准的物品后,平衡悬挂12小时,底部无开胶,绳索无变形、断裂,绳索口无变形15粘胶强度撕扯n/as-2破坏性检验:用手撕扯粘胶处,撕开后粘胶处面积破坏率≥80%16高低温测试高低温试验箱n/as-2放置于-15℃,+60℃的环境中静置8小时,无起泡、渗胶、离胶、变形等1.4投入使用过程、库存例行检测适用于此标准。2.贮存产品应贮存在干燥处,用纸箱密封保存,隔板存放,防尘、防日晒雨淋。3.不合格的判定与处理3.1单项检测不合格数数值超过可接受范围,该批不合格;各单项检测均合格,总不合格数数值超过可接受范围,该批不合格。3.2材质、尺寸、功能性检验不合格不允许复检;外观检测不合格,原则上不予复检,在特殊情况下可加严抽样复检。4.支持性文件与记录4.1《计数抽样检验程序》GB2828.1

1、当您付费下载文档后,您只拥有了使用权限,并不意味着购买了版权,文档只能用于自身使用,不得用于其他商业用途(如 [转卖]进行直接盈利或[编辑后售卖]进行间接盈利)。
2、本站所有内容均由合作方或网友上传,本站不对文档的完整性、权威性及其观点立场正确性做任何保证或承诺!文档内容仅供研究参考,付费前请自行鉴别。
3、如文档内容存在违规,或者侵犯商业秘密、侵犯著作权等,请点击“违规举报”。

碎片内容

(完整)手提袋标准

您可能关注的文档

确认删除?
VIP
微信客服
  • 扫码咨询
会员Q群
  • 会员专属群点击这里加入QQ群
客服邮箱
回到顶部