电脑桌面
添加小米粒文库到电脑桌面
安装后可以在桌面快捷访问

基于PLC的矿井提升机控制系统设计VIP免费

基于PLC的矿井提升机控制系统设计_第1页
1/7
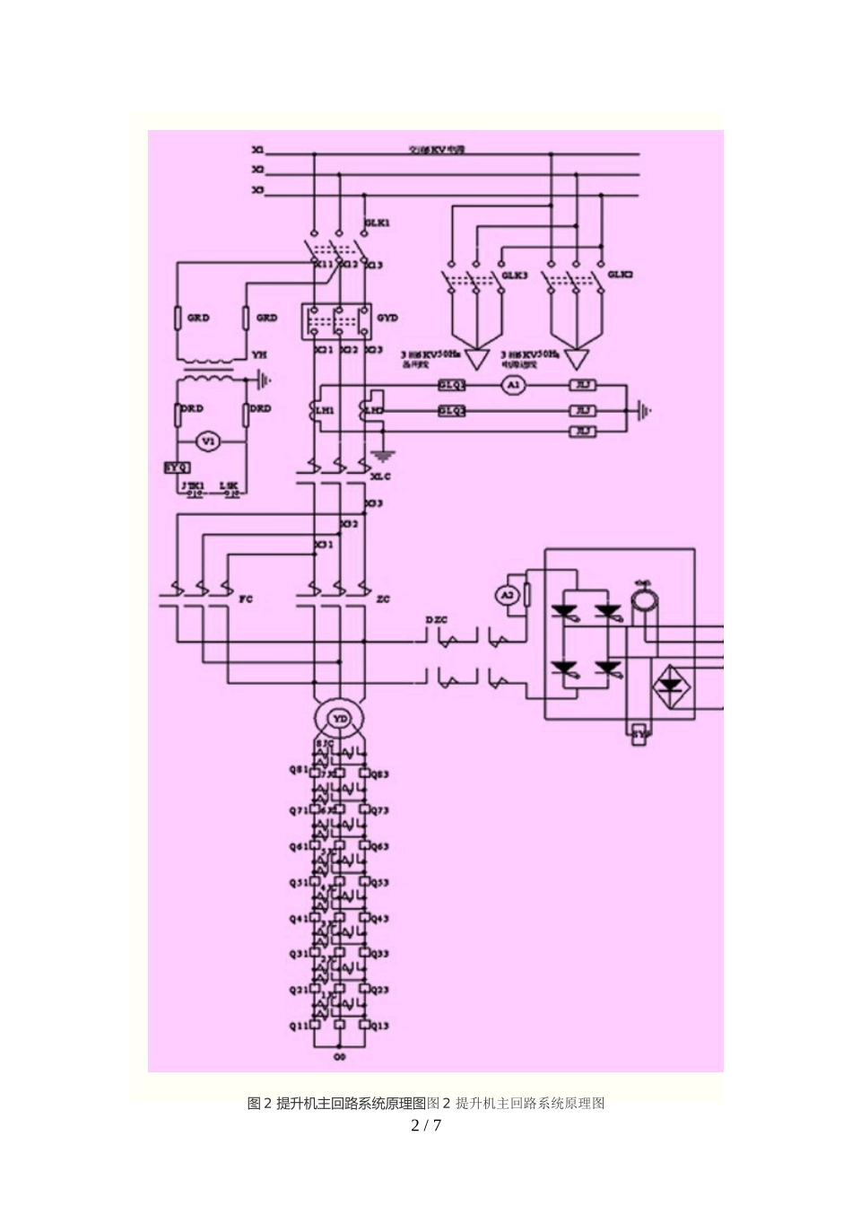
基于PLC的矿井提升机控制系统设计_第2页
2/7
基于PLC的矿井提升机控制系统设计_第3页
3/7
基于PLC的矿井提升机控制系统设计2010-2-920:25:00来源:1引言目前,我国绝大部分矿井提升机(超过70%)采用传统的交流提升机电控系统(tkd-a为代表)。tkd控制系统是由继电器逻辑电路、大型空气接触器、测速发电机等组成的有触点控制系统。经过多年的发展,tkd-a系列提升机电控系统虽然已经形成了自己的特点,然而其不足之处也显而易见,它的电气线路过于复杂化,系统中间继电器、电气接点、电气联线多,造成提升机因电气故障停车事故不断发生。采用plc技术的新型电控系统都已较成功的应用于矿井提升实践,并取得了较好的运行经验,克服了传统电控系统的缺陷,代表着交流矿井提升机电控技术发展的趋势。2总体设计方案基于plc技术的矿井交流提升机电控系统控制电路组成结构如图1所示,要由以下5部分组成:高压主电路(包括高压换向器、电动机、启动柜、动力制动电源)、主控plc电路、提升行程检测与显示电路、提升速度检测、提升信号电路,其中高压主电路部分仍采用传统的继电器控制电路。图1矿井交流提升机电控系统框图工作过程:当井口或井底通过信号通信电路发出开车信号后,开车条件具备。司机将制动手柄向前推离紧闸位置,主电动机松闸。司机将主令控制器的操作手柄推向正向(或反向)极端位置,主控plc通过程序控制高压换向器首先得电,使高压信号送入主电动机定子绕组,主电动机接入全部转子电阻启动,然后依次切除8段电阻,实现自动加速,最后运行在自然机械特性上。交流提升机运行时,旋转编码器跟随主电动机转动,输出2列a/b相脉冲,分别接到主控plc的高速计数器hsc0的a/b相脉冲输入端,由主控plc根据a/b脉冲的相位关系,自动确定hsc0的加、减计数方式。根据hsc0的计数值,就可以计算出提升行程并显示。同时只根据旋转编码器输出的a相脉冲,主控plc进行加计数。根据hsc1在恒定间隔时间内的计数值,就可以计算出提升速度。3硬件设计3.1提升机主回路部分设计主回路用于供给提升电动机电源,实现失压、过流保护,控制电机的转向和调节转速。主回路由高压开关柜、高压换向器的常开触头、动力制动接触器的常开主触头、动力制动电源装置、提升电动机、电机转子电阻、加速接触器的常开主触头(1jc~8jc)和装在司机操作台上的指示电流表和电压表等组成。系统原理图如图2所示。1/7图2提升机主回路系统原理图图2提升机主回路系统原理图2/7主拖动电机选择:鼠笼式异步电动机尽管结构简单、价格便宜、维护方便,但很难满足提升机启动和调速性能的要求,因此,矿井提升机交流拖动系统均选用绕线式异步电动机作为主拖动电动机,绕线式异步电动机转子串电阻后能限制启动电流和提高启动转矩,并能在一定范围内进行调速。地面变电所送来的二路6kv电源,一路工作,一路备用,经tgg-6型高压开关柜的隔离开关glk1、油开关gyd、高压换向器线路接触器xlc的主触头、正向(或反向)接触器zc(或fc)后到主电机的定子。在高压开关柜内还设有电压互感器yh,失压服扣线圈syq,电流互感器lh和过流脱扣线圈glq,用于失压或过流保护。在syq线圈回路中还串联接有紧急停车开关jtk1和换向器室栏栅门闭锁开关lsk。3.2制动回路设计矿井提升机大多数采用绕线式异步电动机来拖动,且多数场合下采用有级切换转子回路电阻来实现调速。其制动系统多采用可控硅动力制动和可调闸制动系统。前者为电气制动,后者为机械制动。提升机在减速段运行中,当速度在0~5%范围内,电气制动起作用,可调闸不起作用;当超速在5%~10%范围内,电气制动限幅,并维持最大制动功率,同时可调闸起作用,总制动力矩增大;当超速10%时,过速继电器gsj1作用于安全回路,可调闸将提升机滚筒闸住。晶闸管动力电源装置主要有两部分组成,一部分为主回路,另一部分为触发回路。本文设计中采用kzg型三相可控硅动力制动系统。此系统为单闭环动力制动系统,系统方框图如图3所示,从图中可以看出速度偏差控制和脚踏控制是“或”的关系,哪个信号大,就允许哪个信号通过,亦即相应的控制方式发挥作用。因此,单闭环控制时司机可以脚踏制动进行控制,而在脚踏控制时,如提升机超速,闭环系统又可起监视保护作用。图3单闭环动制动系统方框图3.3速度...

1、当您付费下载文档后,您只拥有了使用权限,并不意味着购买了版权,文档只能用于自身使用,不得用于其他商业用途(如 [转卖]进行直接盈利或[编辑后售卖]进行间接盈利)。
2、本站所有内容均由合作方或网友上传,本站不对文档的完整性、权威性及其观点立场正确性做任何保证或承诺!文档内容仅供研究参考,付费前请自行鉴别。
3、如文档内容存在违规,或者侵犯商业秘密、侵犯著作权等,请点击“违规举报”。

碎片内容

基于PLC的矿井提升机控制系统设计

您可能关注的文档

确认删除?
VIP
微信客服
  • 扫码咨询
会员Q群
  • 会员专属群点击这里加入QQ群
客服邮箱
回到顶部