电脑桌面
添加小米粒文库到电脑桌面
安装后可以在桌面快捷访问

基于PLC的温度控制系统的设计VIP免费

基于PLC的温度控制系统的设计_第1页
1/17
基于PLC的温度控制系统的设计_第2页
2/17
基于PLC的温度控制系统的设计_第3页
3/17
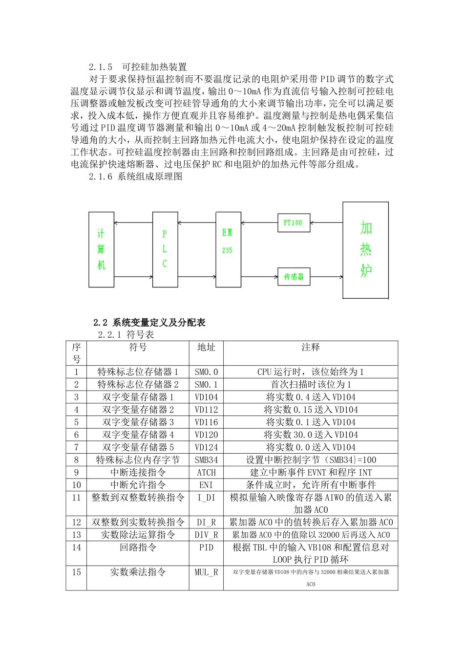
1引言1.1设计目的温度的测量和控制对人类日常生活、工业生产、气象预报、物资仓储等都起着极其重要的作用。在许多场合,及时准确获得目标的温度、湿度信息是十分重要的。近年来,温湿度测控领域发展迅速,并且随着数字技术的发展,温湿度的测控芯片也相应的登上历史的舞台,能够在工业、农业等各领域中广泛使用。1.2设计内容主要是利用PLCS7-200作为可编程控制器,系统采用PID控制算法,手动整定或自整定PID参数,实时计算控制量,控制加热装置,使加热炉温度为为一定值,并能实现手动启动和停止,运行指示灯监控实时控制系统的运行,实时显示当前温度值。1.3设计目标通过对温度控制的设计,提高在电子工程设计和实际操作方面的综合能力,初步培养在完成工程项目中所应具备的基本素质和要求。培养团队精神,科学的实事求是的工作方法,提高查阅资料、语言表达和理论联系实际的技能。2系统总体方案设计2.1系统硬件配置及组成原理2.1.1PLC型号的选择本温度控制系统采用德国西门子S7-200PLC。S7-200是一种小型的可编程序控制器,适用于各行各业,各种场合中的检测、监测及控制的自动化。S7-200系列的强大功能使其无论在独立运行中,或相连成网络皆能实现复杂控制功能。因此S7-200系列具有极高的性能/价格比。2.1.2PLCCPU的选择S7-200系列的PLC有CPU221、CPU222、CPU224、CPU226等类型。。S7-200PLC硬件系统的组成采用整体式加积木式,即主机中包括定数量的I/O端口,同时还可以扩展各种功能模块。S7-200PLC由基本单元(S7-200CPU模块)、扩展单元、个人计算机(PC)或编程器,STEP7-Micro/WIN编程软件及通信电缆等组成。表2.1S7-200系列PLC中CPU22X的基本单元型号输入点输出点扩展模块数量S7-200CPU221640S7-200CPU222862S7-200CPU22424107S7-200CPU224XP24167S7-200CPU22624167本设计采用的是CUP226。它具有24输入/16输出共40个数字量I/O点。可连接7个扩展模块,最大扩展至248路数字量I/O点或35路模拟量I/O点。26K字节程序和数据存储空间。6个独立的30kHz高速计数器,2路独立的20kHz高速脉冲输出,具有PID控制器。2个RS485通讯/编程口,具有PPI通讯协议、MPI通讯协议和自由方式通讯能力。I/O端子排可很容易地整体拆卸。用于较高要求的控制系统,具有更多的输入/输出点,更强的模块扩展能力,更快的运行速度和功能更强的内部集成特殊功能。可完全适应于一些复杂的中小型控制系统。CPU226模块的I/O配置及四肢分配主机模块0模块1模块2模块3CPU2268IN4IN/4OUT4AI/1AQ4AI/1AQI0.0-I2.7/Q0.0-Q1,.7I3.0-I3.7I4.0/Q2.0AIW0/AQW0AIW8/AQW4I4.1/Q2.1AIW2AIW10I4.2/Q2.3AIW4AIW12I4.3/Q2.3AIW6AIW142.1.3EM235模拟量输入/输出模块在温度控制系统中,传感器将检测到的温度转换成4-20mA的电流信号,系统需要配置模拟量的输入模块把电流信号转换成数字信号再送入PLC中进行处理。在这里我们选择西门子的EM235模拟量输入/输出模块。EM235模块具有4路模拟量输入/一路模拟量的输出。它允许S7-200连接微小的模拟量信号,±80mV范围。用户必须用DIP开关来选择热电偶的类型,断线检查,测量单位,冷端补偿和开路故障方向:SW1~SW3用于选择热电偶的类型,SW4没有使用,SW5用于选择断线检测方向,SW6用于选择是否进行断线检测,SW7用于选择测量方向,SW8用于选择是否进行冷端补偿。所有连到模块上的热电偶必须是相同类型。2.1.4传感器热电偶是一种感温元件,它直接测量温度,并把温度信号转换成热电动势信号。常用热电偶可分为标准热电偶和非标准热电偶两大类。所调用标准热电偶是指国家标准规定了其热电势与温度的关系、应答误差、并有统一的标准分度表的热电偶,它有与其配套的显示仪表可供选用。非标准化热电偶在使用范围或数量级上均不及标准化热电偶,一般也没有统一的分度表,主要用于某些特殊场合的测量。标准化热电偶我国从1988年1月1日起,热电偶和热电阻全部按IEC国际标准生产,并指定S、B、E、K、R、J、T七种标准化热电偶为我国统一设计型热电偶。本论文采用的是K型热电阻。2.1.5可控硅加热装置对于要求保持恒温控制而不要温度记录的电阻炉采用带PID调节的数字式温度显示调节仪显示和调节温度,...

1、当您付费下载文档后,您只拥有了使用权限,并不意味着购买了版权,文档只能用于自身使用,不得用于其他商业用途(如 [转卖]进行直接盈利或[编辑后售卖]进行间接盈利)。
2、本站所有内容均由合作方或网友上传,本站不对文档的完整性、权威性及其观点立场正确性做任何保证或承诺!文档内容仅供研究参考,付费前请自行鉴别。
3、如文档内容存在违规,或者侵犯商业秘密、侵犯著作权等,请点击“违规举报”。

碎片内容

基于PLC的温度控制系统的设计

您可能关注的文档

确认删除?
VIP
微信客服
  • 扫码咨询
会员Q群
  • 会员专属群点击这里加入QQ群
客服邮箱
回到顶部